首页 > 微波/射频 > RFIC设计学习交流 > sar adc counter _based 中reset信号如何产生?

sar adc counter _based 中reset信号如何产生?

录入:edatop.com    阅读:




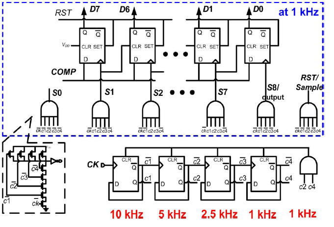
RST信号和S8应该是一致的还是相差一个周期?

申明:网友回复良莠不齐,仅供参考。如需专业解答,请学习本站推出的微波射频专业培训课程

上一篇:请教大牛们一个关于高速跨阻放大器与限幅放大器设计的问题
下一篇:这个OTA的跨导Gm要怎么计算啊?

射频和天线工程师培训课程详情>>

  网站地图