这个电路是干吗用的,看不太懂啊
录入:edatop.com 阅读:

没见过这样接的电路,谢谢了
ADC上做参考电压的

稳定中间的高阻节点的电压
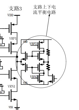
电路强制虚拟GND在VREFP和VREFN之间的中点(如果两个电阻相等更少的VSS开关电阻)。
能解释的详细点么,它怎么就稳定了高阻节点呢,还是不太懂啊
gnd是哪个啊。请问,还有两个电阻下面的管子是干吗用的呢,电流镜这样接感觉很费解啊
有点replica bias 的感觉
你可以这样想,如果没有附加的那部分,假设VBP1电压升高了点,或者是制造的时候PMOS的W/L变小了,都会导致中间的高阻节点(三条支路相连的点)电压降低很多,从而使下面的NMOS进入线性区。 附加的电路类似于电流放大器的输入,输入阻抗很低
即把原来的高阻节点变成了低阻节点
请问输出点在哪里呢,还是老地方么,还有电阻的值和电阻下面的mos管该怎么设置呢
这种buffer电路有什么优点呢?
虚拟GND。不能在VSS中的示意图。 圈定的电路是一个单位增益缓冲器。它缓冲电阻,它定义了一个虚拟GND的中点。
Class AB.
感觉这种电路输出和输入偏差不小啊
看不太懂
申明:网友回复良莠不齐,仅供参考。如需专业解答,请学习本站推出的微波射频专业培训课程。
上一篇:TSMC018工艺MIMCAP保护环
下一篇:sigma delta ADC设计中,前面的PGA速度要求应该是怎么定?

