sigma-delta调制器 信噪比峰值
录入:edatop.com 阅读:
教科书说,峰值出现在-6dBFs处,如下图所示:

现搭建一阶调制器如下:

Vref=1。
在输入0.5V与0.7V时,信噪比不符合书上描述(上图0.5 下图0.7)


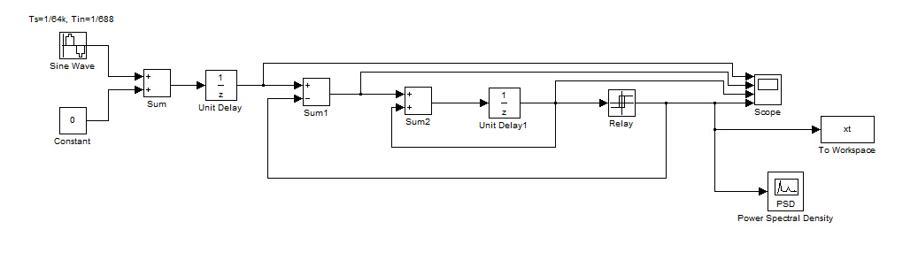
现搭建一阶调制器如下:

Vref=1。
在输入0.5V与0.7V时,信噪比不符合书上描述(上图0.5 下图0.7)

自己顶一个
申明:网友回复良莠不齐,仅供参考。如需专业解答,请学习本站推出的微波射频专业培训课程。
上一篇:运放输入范围问题,内有电路图和仿真图
下一篇:门级电路的时延应该怎样测量?

