DC/DC电路图请教
录入:edatop.com 阅读:
如图所示,为 DC/DC中的限流模块电路结构图,请问gate_pmos信号和LX信号是什么信号,有什么用?
LX信号就是电感侧的信号,电流就是从这里采样的,gate-pmos信号是同步整流管pmos的gate端信号,这里也作为一个使能信号,只有当pmos关断时候才开启限流模块

这么高端
An offset trimming current-mirror comparator
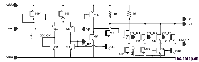
gmn增加,vl就会减小,gmp增加,vh就会减小,vl和vh看名称像是钳位用的,具体不是很清楚。
申明:网友回复良莠不齐,仅供参考。如需专业解答,请学习本站推出的微波射频专业培训课程。
上一篇:带隙基准中运放的输入端问题
下一篇:图中的gpfb是什么信号?从哪里传送过来?

