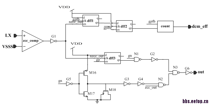
图中的gpfb是什么信号?从哪里传送过来?
录入:edatop.com 阅读:
图中的gpfb是什么信号?从哪里传送过来?

申明:网友回复良莠不齐,仅供参考。如需专业解答,请学习本站推出的微波射频专业培训课程。
上一篇:DC/DC电路图请教
下一篇:LDO psr曲线分析

