- 易迪拓培训,专注于微波、射频、天线设计工程师的培养
E起动手 | 简易电磁波接收器,玩的就是花样
录入:edatop.com 点击:
根据电磁波理论,电磁波无法穿过直径比波长小的金属孔。但是也许是因为理论中假设的金属是没有电阻的导体,而实际金属并非这么优良的导体;而且微波炉产生的微波功率巨大(数百瓦量级),所以总有一些泄露出来。
最近看到一篇文章,讲如何制作一个简易的微波接收器来探测这些泄露的电磁波。装置非常简单但是可以体现很多物理含义,于是我也做了一个(如下图)。

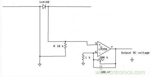
接收装置是一个简单的偶极天线。偶极天线的中间有一个高频二极管(1n4148)起到整流作用,即把接收到微波频率信号转换成准直流。再送到一个运放组成的电压放大(~100倍),然后用万用表读出直流电压值。注意我们把它转换成直流的原因是因为如果要直接记录微波频段的信号,需要非常昂贵的仪器。
电路如下图。

DC的输出电压还可以用LM358上的另一个运放在进行一次放大。图中的100nF电容起到对整流后的电信号进一步滤波的作用。
这样就大功告成啦!我们可以把它放到微波炉附近来探测泄露出来的微波强度。
微波炉未开之前:

微波炉启动之后(注意微波炉里应放入一杯水吸收微波,防止烧坏微波驴):

打手机产生的电磁波也能被这个装置探测到。不过手机辐射产生的效果远远小于微波炉泄露的电磁波的效果。我们平时都非常提防手机的辐射,可见微波炉才是更应该值得注意的微波辐射源。
推荐阅读:
8种IC代换技巧,助你pcb电路设计更完美
精良PCB板:是开关电源EMC的难点之一?
深度解析有效降低传导辐射干扰的小技巧
车辆通信:英飞凌与Elektrobit携手提升车内信息安全性
2018年CWIEME上海展高峰论坛预览在行业变革中引领创新

