- 易迪拓培训,专注于微波、射频、天线设计工程师的培养
实用电路:简易超声波驱虫器电路设计
录入:edatop.com 点击:
本例介绍一款采用555时基集成电路设计制作的简易超声波驱虫器,它在工作时能产生48kHz的超声波,可以驱赶在200米以内活动的蚊子、苍蝇、蟑螂和老鼠。
电路工作原理
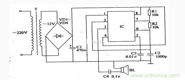
该电子驱虫器由电源电路和多谐振荡器组成部分成,如图所示。

电源电路由电源变压器T,整流二极管VD1-VD4和滤波电容器C1组成。
多谐振荡器由时基集成电路IC和电阻隔器R1,R2,电容器C2,C3组成部分成。
C4为耦合电容不得器;BL为扬声器。
接通电源后,交流220V电压经T降压,VD1-VD4整流和C1滤波后,产生12V(Vcc)直流电压供给IC。
多谐振荡器通电振荡工作后,从IC 的3脚输出频率为48kHz的矩形波,该矩形波通过BL转换成超声波并向外辐射出去,即可驱赶附近的害虫。
调整Rl、R2的阻值或C2的容量,可以改变多谐振荡器的工作频率。
元器件选择
Rl和R2均选用1/4W碳膜电阻器。
Cl选用耐压值为16V的铝电解电容器;C2选用高频瓷介电容器;C3和C4均选用独石电容器。
VDl-VD4均选用1N4007型硅整流二极管。
IC选用NE555型时基集成电路。
T选用3W、二次电压为l2V的电源变压器。
BL选用0?25W、8Ω的电动式扬声器。
如何成为一名优秀的射频工程师,敬请关注: 射频工程师养成培训
上一篇:新兴科技探讨:无线充电的发展趋势与方案
下一篇:经典知识:变容二极管调频电路详解

