- 易迪拓培训,专注于微波、射频、天线设计工程师的培养
飞思卡尔ZSTAR3无线传感器参考设计
录入:edatop.com 点击:
飞思卡尔(Freescale)公司的ZSTAR3无线传感器参考设计支持数字和模拟加速度计,并能通过RF ZigBee® 2.4 GHz通信模块,和到连接PC的USB节点进行通信. ZSTAR3中主要的器件包括三轴模拟加速度计MMA7361L, 三轴数字加速度计MMA745xL和系统级封装(SiP) MC13213.本文介绍了ZSTAR3无线传感器参考设计主要元件的主要特性, 传感器板方框图以及采用模拟传感器与数字传感器的传感器板材料清单和ZSTAR3 参考设计电路图.
Multiple wireless sensing triple-axis reference design
The ZSTAR3 system accommodates multiple analog and digital accelerometer boards,
connected through an RF ZigBee® 2.4 GHz communication to a single USB node connected to a PC. The accelerometer boards measure acceleration in three axes using a pin compatible digital or, optionally, an analog sensor. The sensor sensitivity is defined by the selected accelerometer. The USB node is part of the ZSTAR design, equipped with dedicated software supporting multiple nodes.
The ZSTAR3 project offers a new PC software interface that shows all the basic accelerometer functions and utilizations. Freescale’s RD3172MMA7456L ZSTAR3 can help you streamline your solution with the convenience of motion and wireless control. The ZSTAR3 is a small portable board design that utilizes the following products:
MMA7361L analog or MMA7456L digital triple-axis accelerometer
MC1321x 2.4 GHz low-power transceivers and an S08 MCU in one package
目标应用:
The ZSTAR3 design provides small portable boards with the capacity to demonstrate and
evaluate various accelerometer applications that accommodate a cost-effective, low-power wireless connection. Applications include:
Mobile phones
Handheld gaming devices
Portable media players
MP3 players
PDAs
Personal computer peripherals
GPS navigation devices
Health care devices
Toys
Robotics

图1. ZSTAR3参考设计外形图
ZSTAR3参考设计支持的主要器件:
1)三轴模拟加速度计MMA7361L
The MM7361LT is a low power, low profile capacitive micromachined accelerometer featuring signal conditioning, a 1-pole low pass filter, temperature compensation, self test, 0g-detect which detects linear free-fall, and g-Select which allows for the selection between 2 sensitivities. Zero-g offset and sensitivity are factory set and require no external devices. The MM7361LT includes a sleep mode that makes it ideal for handheld battery powered electronics.
MMA7361L 主要特性:
3mm x 5mm x 1.0mm LGA-14-pin package
Low current consumption: 400 μA
Sleep mode: 3 μA
Low voltage operation: 2.2 V - 3.6 V
High sensitivity (800 mV/g at 1.5g)
Fast turn on time (0.5 ms enable response time)
Self test for free-fall detect diagnosis
0g-Detect for free-fall protection
Signal conditioning with low pass filter
Robust design, high shocks survivability
RoHS compliant
Environmentally preferred product
Low cost
2) 三轴数字加速度计MMA745xL
The MMA745xL is a digital output (I2C/SPI), low power, 3 x 5 x 1 mm low profile package capacitive micromachined accelerometer featuring signal conditioning, a low pass filter, temperature compensation, self test, configured to detect 0g through interrupt pins (INT1 or INT2), and pulse (click) detect for quick motion detection. The 0g offset can be customer calibrated using assigned 0g registers and g-Select which allows for command selection of 3 sensitivities (2g/4g/8g). Zero-g offset and sensitivity are factory set and
require no external devices. The MMA745xL includes a standby mode that makes it ideal for handheld battery powered electronics.
MMA745xL主要特性:
Digital output (I2C/SPI) for processor system performance
Low-profile 14-pin 3 mm x 5 mm x 1 mm LGA package
LGA volume is 71 percent smaller than a Quad Flat No-Lead (QFN) package
XYZ: three axes of sensitivity in one device (2g, 4g, 8g)
Low current consumption
Standby mode: 5 μA
Low-voltage operation: 2.4 V - 3.6 V
Customer assigned registers for offset calibration
Programmable threshold interrupt output
Level detection for motion recognition (shock, vibration, free-fall)
Single or double click (pulse) recognition
High sensitivity
— 64 LSB/g at 2g
— 64 LSB/g at 8g in 10-bit mode
3) 系统级封装(SiP) MC13213
The MC13213 System in Package (SiP) integrates the MC9S08GT MCU with the MC1320x transceiver into a single 9x9mm LGA package. The MC13213 provides 60 K Flash memory and 4 K of RAM. By using the IEEE 802.15.4 Compliant MAC, or BeeStack ZigBee Protocol Stack, the MC13213 is an ideal solution for sensing and control applications that require mesh networking.
MC13213主要特性:
40 MHz HCS08 low-voltage, low-power core
60 KB Flash and 4KB RAM memory
Seven addressing modes for the CPU
Multiple 16-bit timers
2V to 3.4V operating voltage with on chip voltage regulator
-40 to +85 degrees C operating temperature
Low external component count
Requires a single 16 MHz crystal
Programmable frequency clock output for MCU
Auto-trim feature for crystal accuracy
Eliminates the need for external variable capacitors
Allows for automated production frequency calibration
9x9x1 mm 71-pin LGA package

图2.传感器板方框图
表1.传感器板材料清单(采用模拟传感器)

表2.传感器板材料清单(采用数字传感器)


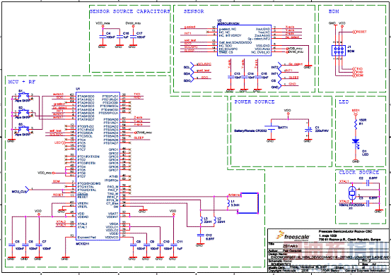
图3.ZSTAR3 电路图
详情请见:
http://www.freescale.com/files/sensors/doc/fact_sheet/ZSTAR3BOARDFS.pdf?fpsp=1
和
http://www.freescale.com/files/microcontrollers/hardware_tools/schematics/RD3172MMA7455L_SCH.pdf?fpsp=1
以及
http://www.freescale.com/files/microcontrollers/doc/ref_manual/ZSTAR3RM.pdf?fpsp=1
Multiple wireless sensing triple-axis reference design
The ZSTAR3 system accommodates multiple analog and digital accelerometer boards,
connected through an RF ZigBee® 2.4 GHz communication to a single USB node connected to a PC. The accelerometer boards measure acceleration in three axes using a pin compatible digital or, optionally, an analog sensor. The sensor sensitivity is defined by the selected accelerometer. The USB node is part of the ZSTAR design, equipped with dedicated software supporting multiple nodes.
The ZSTAR3 project offers a new PC software interface that shows all the basic accelerometer functions and utilizations. Freescale’s RD3172MMA7456L ZSTAR3 can help you streamline your solution with the convenience of motion and wireless control. The ZSTAR3 is a small portable board design that utilizes the following products:
MMA7361L analog or MMA7456L digital triple-axis accelerometer
MC1321x 2.4 GHz low-power transceivers and an S08 MCU in one package
目标应用:
The ZSTAR3 design provides small portable boards with the capacity to demonstrate and
evaluate various accelerometer applications that accommodate a cost-effective, low-power wireless connection. Applications include:
Mobile phones
Handheld gaming devices
Portable media players
MP3 players
PDAs
Personal computer peripherals
GPS navigation devices
Health care devices
Toys
Robotics

图1. ZSTAR3参考设计外形图
ZSTAR3参考设计支持的主要器件:
1)三轴模拟加速度计MMA7361L
The MM7361LT is a low power, low profile capacitive micromachined accelerometer featuring signal conditioning, a 1-pole low pass filter, temperature compensation, self test, 0g-detect which detects linear free-fall, and g-Select which allows for the selection between 2 sensitivities. Zero-g offset and sensitivity are factory set and require no external devices. The MM7361LT includes a sleep mode that makes it ideal for handheld battery powered electronics.
MMA7361L 主要特性:
3mm x 5mm x 1.0mm LGA-14-pin package
Low current consumption: 400 μA
Sleep mode: 3 μA
Low voltage operation: 2.2 V - 3.6 V
High sensitivity (800 mV/g at 1.5g)
Fast turn on time (0.5 ms enable response time)
Self test for free-fall detect diagnosis
0g-Detect for free-fall protection
Signal conditioning with low pass filter
Robust design, high shocks survivability
RoHS compliant
Environmentally preferred product
Low cost
2) 三轴数字加速度计MMA745xL
The MMA745xL is a digital output (I2C/SPI), low power, 3 x 5 x 1 mm low profile package capacitive micromachined accelerometer featuring signal conditioning, a low pass filter, temperature compensation, self test, configured to detect 0g through interrupt pins (INT1 or INT2), and pulse (click) detect for quick motion detection. The 0g offset can be customer calibrated using assigned 0g registers and g-Select which allows for command selection of 3 sensitivities (2g/4g/8g). Zero-g offset and sensitivity are factory set and
require no external devices. The MMA745xL includes a standby mode that makes it ideal for handheld battery powered electronics.
MMA745xL主要特性:
Digital output (I2C/SPI) for processor system performance
Low-profile 14-pin 3 mm x 5 mm x 1 mm LGA package
LGA volume is 71 percent smaller than a Quad Flat No-Lead (QFN) package
XYZ: three axes of sensitivity in one device (2g, 4g, 8g)
Low current consumption
Standby mode: 5 μA
Low-voltage operation: 2.4 V - 3.6 V
Customer assigned registers for offset calibration
Programmable threshold interrupt output
Level detection for motion recognition (shock, vibration, free-fall)
Single or double click (pulse) recognition
High sensitivity
— 64 LSB/g at 2g
— 64 LSB/g at 8g in 10-bit mode
3) 系统级封装(SiP) MC13213
The MC13213 System in Package (SiP) integrates the MC9S08GT MCU with the MC1320x transceiver into a single 9x9mm LGA package. The MC13213 provides 60 K Flash memory and 4 K of RAM. By using the IEEE 802.15.4 Compliant MAC, or BeeStack ZigBee Protocol Stack, the MC13213 is an ideal solution for sensing and control applications that require mesh networking.
MC13213主要特性:
40 MHz HCS08 low-voltage, low-power core
60 KB Flash and 4KB RAM memory
Seven addressing modes for the CPU
Multiple 16-bit timers
2V to 3.4V operating voltage with on chip voltage regulator
-40 to +85 degrees C operating temperature
Low external component count
Requires a single 16 MHz crystal
Programmable frequency clock output for MCU
Auto-trim feature for crystal accuracy
Eliminates the need for external variable capacitors
Allows for automated production frequency calibration
9x9x1 mm 71-pin LGA package

图2.传感器板方框图
表1.传感器板材料清单(采用模拟传感器)

表2.传感器板材料清单(采用数字传感器)


图3.ZSTAR3 电路图
详情请见:
http://www.freescale.com/files/sensors/doc/fact_sheet/ZSTAR3BOARDFS.pdf?fpsp=1
和
http://www.freescale.com/files/microcontrollers/hardware_tools/schematics/RD3172MMA7455L_SCH.pdf?fpsp=1
以及
http://www.freescale.com/files/microcontrollers/doc/ref_manual/ZSTAR3RM.pdf?fpsp=1

