- 易迪拓培训,专注于微波、射频、天线设计工程师的培养
Hittite 锁相环产品PLL技术介绍
频率源可以说是一个通信系统的心脏,心脏的好坏很大程度上决定着一个机体的健康状况,而锁相环又是频率源的主要组成部分,因此性能优异的锁相环芯片对于通信系统来说是非常重要的。
锁相环的相位噪声对电子设备和电子系统的性能影响很大。从频域看它分布在载波信号两旁按幂律谱分布,无论做发射激励信号,还是接收机本振信号以及各种频率基准时,这些相位噪声将在解调过程中都会和信号一样出现在解调终端,引起基带信噪比下降,误码率增加。
低相噪Hittite锁相环产品分为集成VCO和没有集成VCO两种。集成VCO的PLL芯片包括了HMC820,HMC821,HMC826等。下面是与市场上同类产品的对比,以工作频段1720~2080MHz为例:

HMC820,HMC821在芯片内部的频率输出端集成了放大器,因此其输出功率高于同类产品,在某些情况下,可以直接做为LO输出推动混频器,省掉一个本振口缓冲放大器,为设计者节省了空间和bom成本。
HMC820,HMC821是多频段产品,可工作在三个频段,如HMC821的工作频段包括了860~1040MHz,1720~2080MHz,及3440~4160MHz。以 1800MHZ, 900MHZ GSM 直放站为例,由于HMC821采用了内部集成分频器的方式,只用一颗HMC821芯片,使用同样的环路滤波器电路,就能满足900和1800MHz两个频段要求,这大大加快了设计进程。
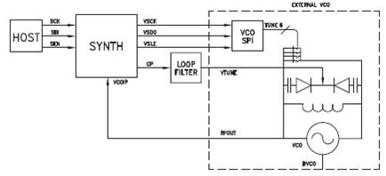
Hittite公司内部集成VCO锁相环芯片采用独特的开关设计,如下图所示,

芯片自动根据需要选择合适的开关,这种设计使用较小的电压就可以驱动VCO工作。在设计环路滤波器时不必使用运放等有源电路,仅用无源滤波器就可以实现。这使得外围电路较为简单,减轻了RF工程师的负担。
在微波频段Hittite公司集成VCO的PLL芯片有HMC764,HMC765,HMC783,HMC807,工作频段涵盖了7.3-13.4GHz。HMC764在10kHz频偏处的相位噪声约为-102dBc/Hz,在分数模式下,其RMS Jitter为196 fs 。
如果客户对PLL性能有更高的要求,可以用没有集成VCO的PLL芯片搭配合适的外围电路来实现。没有集成VCO的PLL芯片包括了HMC440,HMC698,HMC699,HMC700,HMC701, HMC702。
以HMC700为例,芯片内部由鉴相器,电荷泵,N,R分频器构成,独有支持串口读写功能。HMC700外围电路隔离度设计良好时杂散可以低至-100dBc,远高于市场同类产品-80dBc的水平。下表是一些其他性能的比较。

如果设计者对PLL芯片的相噪性能有近似苛刻的要求,相信Hittite公司的HMC440仍能助你一臂之力。该芯片是专为低相噪应用设计的,当参考频率是100MHz时,在10KHz频偏处,相噪低至-153dBc/Hz,测试结果如下图

Hittite公司以创新的设计使得其PLL产品性能优异,在相位噪声,杂散方面有着卓越表现,其芯片的高集成度使得外围电路简单,设计方便。所以随着电子技术的发展,对频率源的相位噪声性能要求越来越高,Hittite的低相位噪声PLL,在物理、天文、无线电通信、雷达、航空、航天以及精密计量、仪器、仪表等各种领域里都将大有用武之地。
欲知更多详情请联系Hittite大中国地区授权代理世强电讯

