- 易迪拓培训,专注于微波、射频、天线设计工程师的培养
现代无线电接收机的系统噪声系数分析一:级联接收机的计算
引言
噪声系数的一般概念很好理解,并被系统和电路设计人员广泛采用,尤其被产品定义和电路设计者用来表示噪声性能,以及预测接收系统的总体灵敏度。
当信号链中存在混频器时,噪声系数分析就会产生原理性问题。所有实数混频器均折叠本振(LO)频率附近的RF频谱,产生输出,其中包括两个边带频率的叠加,合成公式为fOUT=|fRF-fLO |。在外差式结构中,可能认为其中之一是杂散频率,而另一成分才是有用的,因此需要采用镜像抑制滤波或镜像消除方法来大幅消除这些响应中的一种响应。在直接转换接收机中,情况则不同:两个边带(fRF=fLO的上边带和下边带)均被转换并用于预期信号,所以其实是混频器的双边带应用。
业内经常使用的各种定义解释噪声折叠的不同程度。例如,传统的单边带噪声系数Fssb假设允许来自于两个边带的噪声折叠至输出信号,但只有一个边带对表示预期信号有用。如果两处响应的转换增益相等,这就自然造成噪声系统增大3dB。相反,双边带噪声系数假设混频器的两处响应包含有预期信号,则噪声折叠(以及对应的信号折叠)不影响噪声系数。双边带噪声系数被应用于直接转换接收机以及射电天文接收机。然而,较深层次的分析表明,对于设计者来说,为给定的应用选择正确的噪声系数的"方式",然后替代标准弗林斯公式中的数字是不够的。如果这么做,会造成分析结果产生相当大的错误,当混频器或混频器之后的器件对确定系统噪声系数的作用比较重要时,甚至会产生严重后果。
本文综合介绍噪声系数的基本定义、混频器级联模块的公式分析方法,以及评估噪声系数的典型实验室方法。在第一部分中,我们介绍具有一个或多个混频器时如何修改级联噪声系数公式,并得出适用于常用下变频结构的公式。我们在第二部分继续深入讨论噪声系数测量的Y因子法。第二部分中,我们集中讨论混频器作为被测器件的情况,以便利用第一部分得出的级联公式得出适用的混频器噪声系数的测量方法。
混频器噪声的概念模型
将混频器噪声分布形象化的方法之一是设计一个混频器概念模型(图1),该模型基于安捷伦的Genesys仿真程序提供的模型1。

图1. 混频器噪声分布。
该模型中,输入信号分成两个独立的信号通路,一路表示高于LO的RF频率,另一路表示低于LO的频率。每路信号在混频器中进行独立的相加噪声处理,以及采用独立的转换增益。最后,两路信号的频率转换至中频,与混频器输出级可能产生的其它噪声进行相加组合。预期及镜像频带中的单位带宽自噪声功率可能不同,对应的转换增益也可能不同。
为了方便起见,我们将输出处所有噪声源收集在一起统称为总体噪声NA,表示混频器输出端口上的单位带宽总噪声功率。
NA=NsGs+NiGi+NIF.
注意,NA并不完全依赖于混频器输入端口上是否有信号存在。

图2. 噪声源及混频器噪声分布。
在汇总了混频器的内部噪声源之后,我们现在分析可归结至源端点的噪声(图2)。我们识别出两个离散噪声源,分别表示预期频率和镜像频率处源端点引起的输入噪声密度。由于应用电路会造成其中一路衰减,而另一路以低损耗传输至混频器的RF输入端口,所以我们必须将其作为独立参量加以考虑。当镜像和预期RF频率隔离很好并采用频率选择性匹配滤波时,就极可能是这种情况。
宽带匹配滤波情况下,我们可以记作NOUT=NA+kT0Gs+kT0GI。然而,当混频器在预期RF频率处进行高Q、频率选择性匹配滤波时,源端点在镜像频率下引起的输出噪声可能忽略不计,所以NOUT=NA+kT0Gs。通常情况下,我们可以为混频器输入端口在镜像频率下可用的输入源端点噪声功率的有效部分分配一个系数α。这样即有NOUT=NA+kT0Gs+αkT0 GI,其中α是应用相关的系数,范围为0≤α≤1。随后我们将看到,具体应用中的有效噪声系数取决于α的值。
噪声系数定义
在讨论为什么级联噪声系数计算会发生错误时,我们应回顾一下术语的基本定义。
解释两端口网络的噪声因子的通常定义是:
,
如果用dB表示,则称为噪声系数:
NF=10log10(F).
该表达式取决于输入信号的SNR。然而,如果不定义SNR,这种测量电路或元件的性能指标是毫无意义的,因为它很大程度上依赖于输入信号的质量。因此,合理的方式是对输入的SNR采用最佳假设,也就是说,唯一的噪声源是输入端点在某个确定温度下的热噪声。假设噪声因子不依赖于使用的信号电平也是合乎逻辑的。这就假设被表征的两端口网络工作于线性范围。我们设输入信号功率为PIN,信号增益为Gs,那么输出功率则为POUT=GsPIN,以及:

此外,噪声功率NIN和NOUT的定义不明确,除非我们指定测量时使用的带宽。设NIN和NOUT表示任意指定输入频率下的单位带宽噪声功率,则可解决这一问题。
单边带噪声因子
以上讨论有助于理解IEEE®定义噪声因子:
(两端口变送器的)噪声因子。标准噪声温度(290 K)时,在规定输入频率下,1)输出端口上对应输出频率下单位带宽总噪声功率与2)其中由输入端点在输入频率下产生的部分之比。
对于外差式系统,原理上讲,将有多个输出频率对应单个输入频率,反之亦然;对于每一对相对应的频率,定义一个噪声因子。
"输出端口可用的"应改为"系统传输至输出端点的"。
只有定义了输入端点的导纳(或阻抗)时,用噪声因子表征系统才有意义2。
相对于对应RF频率的定义,噪声因子的这一定义是输出频率的点函数(不是同时一对频率,使其成为单边带噪声因子,见图3)。

图3. SSB噪声系数。
有一点值得注意,分母仅包括来自于一个边带的噪声,分子包括相应输出频率下的单位带宽总体噪声功率,无任何特殊例外。对于具有信号和镜像响应的混频器,为了以数学形式清晰表示,以上定义可记作:

式中,Gi为镜像频率下的转换增益;Gs为信号频率下的转换增益;T0为标准噪声温度;NA为混频器电子器件增加的单位带宽噪声功率,在输出端点测得。镜像频率下的相应噪声因子可记作:

如果镜像频率下的转换增益不同于预期信号频率下的转换增益,该式的结果也与以上不同。有人将以上的IEEE定义理解为"输出端口上对应输出频率下单位带宽总噪声功率"不包括镜像噪声,因此假设:

该定义相当于混频器输入端口中完全不包括镜像频率下的源输入噪声。这一解释未得到业内人士的广泛采用。但为了完整起见,将其示于图4。

图4. SSB噪声系数的"IEEE"变体。
美国联邦标准1037C的噪声因子定义如下:
噪声系数:标准噪声温度(通常为290 K)时,装置的输出噪声功率与其中由输入端点中热噪声引起的部分之比。注:如果装置本身不产生噪声,噪声系数则为实际输出噪声与残余噪声之比。在外差式系统中,输出噪声功率包括镜像频率变换引起的杂散噪声,但是标准噪声温度下输入端点中热噪声的部分仅包括通过系统的主频率变换出现在输出中的噪声,不包括通过镜像频率变换出现的噪声。噪声因子的同义词4。
由于这一较新的定义明确将来自于镜像频率变换引起的杂散噪声包括在输出噪声功率中,所以SSB噪声系数可记作之前建议的形式:

我们考虑Gs=Gi的情况。则:

如果我们进一步考虑混频器本身不增加噪声的情况,即NA=0,则得到F=2或NF=3.01 dB 。这相当于说无噪声混频器的SSB噪声系数为3dB。
双边带噪声系数
有些情况下,两路响应同样有用,不适合使用术语"系统的主频率变换"。例子有辐射计和直接转换接收机。直接转换接收机中,LO频率位于有用信号的RF通带的中心,混频器的两路响应形成全部有用信号频谱的连续两半。这种情况如图5所示。

图5. DSB噪声系数。
所以,这种情况下就需要考虑双边带噪声因子:

如果我们假设Gs=Gi,那么:

在相同约束条件下:

由此可得出结论:当转换增益相等时,混频器的SSB噪声系数比对应的DSB噪声系数高3dB。此外,如果混频器不增加任何附加噪声(NA=0),那么FDSB=1或NFDSB=0dB .
噪声系数在级联系统噪声系数计算中的应用
基线案例:线性电路模块的级联
考虑以下三个放大器模块简单级联的情况(图6)。

图6. 三个增益模块级联。
输出的总噪声可计算如下:
NOUT=kT0G1G2G3+NA1G2G3+NA2G3+NA3
由于级联输入处的热噪声引起的输出噪声为:
NOT=kT0G1G2G3
这意味着总噪声因子为:


设:

得到:

这可作为三个模块的标准弗林斯级联噪声公式。从该式很容易外推至任意数量模块的情况。
外差式转换级
考虑接收机信号通路中的以下频率转换级(图7)。混频器的双边带噪声系数为3dB,其转换增益为10dB。预期载频为2000MHz,选择LO为1998MHz,所以预期和镜像频率均在滤波器的通带范围之内。

图7. 无镜像抑制的外差级。
这种配置的级联性能汇总于表1,其中CF为通道频率;CNP为通道噪声功率;GAIN为级增益;CGAIN为至本级的级联增益,包括当前级;CNF为级联噪声系数。
表1.仿真的级联性能*
| 器件 | CF (MHz) | CNP (dBm) | GAIN (dB) | CGAIN (dB) | CNF (dB) |
| CWSource_1 | 2000 | -113.975 | 0 | 0 | 0 |
| BPF_Butter_1 | 2000 | -113.975 | -7.12E-04 | -7.12E-04 | 6.95E-04 |
| BasicMixer_1 | 2 | -97.965 | 10 | 9.999 | 6.011 |
* 滤波器无镜像抑制。
这两个模块的总级联增益为9.999dB,SSB噪声系数为6.011dB。这一噪声系数是可通过之前的分析正确预测到的,因为我们预期混频器的SSB噪声系数比DSB噪声系数高3.01dB。由于滤波器存在有限的插入损耗,所以噪声系数稍微变差。总体而言,这一结果满足我们的预期。
现在考虑相同的情景,但LO频率为1750MHz(图8)。LO频率为该值时,镜像处于1500MHz,正好处于混频器之前的滤波器带通范围之外。

图8. 带镜像抑制的外差级。
这种配置的级联性能汇总于表2。预期信号的增益与之前相同,但是级联噪声系数(CNF)已经变为4.758dB。
表2. 仿真的级联性能*
| 器件 | CF (MHz) | CNP (dBm) | GAIN (dB) | CGAIN (dB) | CNF (dB) |
| CWSource_1 | 2000 | -113.975 | 0 | 0 | 0 |
| BPF_Butter_1 | 2000 | -113.975 | -7.12E-04 | -7.12E-04 | 6.95E-04 |
| BasicMixer_1 | 250 | -99.218 | 10 | 9.999 | 4.758 |
* 滤波器具有显著的镜像抑制。
为解释这一结果,我们需要考虑本例中的噪声情景与图4中所述的情况类似,尤其是源阻抗镜像噪声得到了抑制。可利用之前推导的DSB噪声因子公式计算出混频器级增加的噪声:

所以:

现在,混频器输出的总噪声可由式NOUT=NA+kT0Gs+αkT0Gi,计算得到,本应用中α=0。因此:
NOUT=2kT0Gs(10(3/10)-1)+kT0Gs
得到的噪声系数可记为:


以dB表示,即得到:
NF=10log10 (2(10(3/10)-1)+1)=4.757dB
结果应该与仿真值4.758dB相当,其中包括滤波器插入损耗引起的微小附加噪声。
一般情况下,混频器级的有效单边带噪声系数可由下式给出:
FSSBe=2(FDSB-1)+1+α,
式中,当镜像频率下的端点噪声得到较好抑制时,α=0;当根本未抑制噪声时,α=1。注意,如果α=1,有效SSB噪声系数降低至FSSBe=2FDSB,,即本部分开始时所述的情况。在有些情况下,α的值会是小数,例如镜像抑制滤波器未直接耦合到混频器输入端,或者镜像和预期响应之间的频率间隔不太大。
外差式接收机
我们利用图9中所示的例子讨论在较大级联分析中如何应用有效噪声系数。为了计算整个信号链的级联噪声系数,我们需要将混频器及其相关的LO和镜像抑制滤波封装成一个等效的两端口网络,该网络具有特定的增益和噪声系数。由于前置滤波器很好地抑制了镜像频率下的端点噪声,所以该两端口网络的有效噪声系数为FSSBe=2(FDSB-1)+1,。

图9. 外差式混频器及其相邻的系统模块。
注意,适用的噪声系数既不是混频器的DSB噪声系数也不是SSB噪声系数,而是介于两者之间的一个有效噪声系数。这种情况下,DSB噪声系数为3dB,如上所述,两端口网络的等效噪声系数可计算为4.757dB。将该值带入总体级联公式计算,得到系统噪声系数为7.281dB,如表3所示。手动计算表明,该结果与采用4.757dB计算混频器噪声系数的标准弗林斯公式相一致。
表3. 系统中外差式混频器的仿真级联性能
| 器件 | CF (MHz) | CNP (dBm) | GAIN (dB) | SNF (dB) | CGAIN (dB) | CNF (dB) |
| CWSource_1 | 2000 | -113.975 | 0 | 0 | 0 | 0 |
| Lin_1 | 2000 | -100.975 | 10 | 3 | 10 | 3 |
| BPF_Butter_1 | 2000 | -100.976 | -7.12E-04 | 7.12E-04 | 9.999 | 3 |
| BasicMixer_1 | 250 | -90.563 | 10 | 3 | 19.999 | 3.413 |
| Lin_2 | 250 | -61.695 | 25 | 25 | 44.999 | 7.281 |
一般而言,当用等效两端口网络代替混频器及其相邻元件时,输入端口应为被抑制镜像响应的信号流中的最后节点,输出端口应为镜像响应和预期响应组合在一起的最前节点(通常为混频器的输出端口)。如果电路结构不能有效抑制混频器的镜像响应,则必须修改弗林斯公式才能应用。
零中频接收机
现在,考虑零中频或直接转换接收机(图10)。
图10. 带有LNA、混频器、滤波器和VGA的ZIF接收机。
配置包括LNA(增益为10dB、噪声系数为3dB)、带通滤波器(中心频率为950MHz)、信号分配器(将信号送至一对混频器)、一对混频器(转换增益均为6dB,DSB噪声系数为4dB)。VGA设置为10dB增益、25dB噪声系数。该组合的仿真结果如表4所示。
表4. ZIF接收机配置*
| 器件 | CF (MHz) | CP (dBm) | CNP (dBm) | GAIN (dB) | SNF (dB) | CGAIN (dB) | CNF (dB) |
| MultiSource_1 | 950 | -79.999 | -116.194 | 0 | 0 | 0 | 0 |
| FE_BPF | 950 | -80.009 | -116.194 | -9.99E-03 | 1.00E-02 | -9.99E-03 | 9.99E-03 |
| Lin_1 | 950 | -70.008 | -103.194 | 10 | 3 | 9.99 | 3.01 |
| Split2_1 | 950 | -73.018 | -105.992 | -3.01 | 3.01 | 6.98 | 3.222 |
| BasicMixer_1 | 0 | -67.039 | -99.425 | 5.979 | 4 | 12.959 | 3.81 |
| LPF1 | 0 | -67.04 | -99.425 | -8.23E-04 | 1.00E-02 | 12.958 | 3.81 |
| Lin_2 | 0 | -57.036 | -83.078 | 9.995 | 25 | 22.953 | 10.163 |
| LPF2 | 0 | -57.038 | -83.08 | -1.90E-03 | 1.00E-02 | 22.951 | 10.163 |
*表格中列出的项目有通道频率(CF)、通道功率(CP)、级增益(GAIN)、级噪声系数(SNF)、级联增益(CGAIN)和级联噪声系数(CNF)。
注意,在表5中,我们将这一结果与Excel®电子表格利用弗林斯公式计算的级联噪声系数进行比较。
表5. 弗林斯级联公式计算结果
| 器件 | F (dB) | Gain (dB) | CGAIN (dB) | CNF (dB) |
| BPF滤波器 | 0.01 | -0.01 | -0.01 | 0.01 |
| LNA | 3 | 10 | 9.99 | 3.01 |
| 分配器 | 3.01 | -3.01 | 6.98 | 3.22 |
| 混频器 | 4 | 5.979 | 12.96 | 3.81 |
| LPF1 | 0.01 | -0.01 | 12.95 | 3.81 |
| VGA | 25 | 9.995 | 22.94 | 12.65 |
| LPF2 | 0.01 | -0.01 | 22.93 | 12.65 |

图11. 包括混频器的级联。
输出的总噪声密度可计算如下:
NOUT=2kT0G1G2G3+2NA1G2G3+NA2G3+NA3
由于级联输入处的热噪声引起的输出噪声为:
NOT=2kT0G1G2G3.
这意味着总噪声因子为:


设:

得到:

以上推导表明,级联公式中有必要使用混频器的DSB噪声系数;代入计算级联噪声系数的一般形式弗林斯公式,随后所有级的噪声分布必须除以2。如果后者不除以2,表5中所示的电子表格分析结果是错误的。在电子表格中修改公式,将混频器之后的单元除以2,得到的结果如表6所示。
表6. DSB级联公式的结果
| 器件 | F (dB) | Gain (dB) | CGAIN (dB) | CNF (dB) |
| BPF滤波器 | 0.01 | -0.01 | -0.01 | 0.01 |
| LNA | 3 | 10 | 9.99 | 3.01 |
| 分配器 | 3.01 | -3.01 | 6.98 | 3.22 |
| 混频器 | 4 | 5.979 | 12.96 | 3.81 |
| LPF1 | 0.01 | -0.01 | 12.95 | 3.81 |
| VGA | 25 | 9.995 | 22.94 | 10.17 |
| LPF2 | 0.01 | -0.01 | 22.93 | 10.17 |
现在,表6和表4非常一致。然而,这也说明了在涉及到混频器时直接带入弗林斯级联公式计算是不合理的。
现在,我们考虑相同的情况,但预期信号比LO高300kHz。方框图仍然同图10所示,但全部信号位于LO的高边,这就使其成为相同接收机架构的低中频(LIF)应用。与之前一样,采用相同的Genesys仿真配置,结果如表7所示。
表7. LIF接收机仿真结果
| 器件 | CF (MHz) | CP (dBm) | CNP (dBm) | GAIN (dB) | SNF (dB) | CGAIN (dB) | CNF (dB) |
| MultiSource_1 | 950.3 | -79.999 | -116.194 | 0 | 0 | 0 | 0 |
| FE_BPF | 950.3 | -80.009 | -116.194 | -9.99E-03 | 1.00E-02 | -9.99E-03 | 9.99E-03 |
| Lin_1 | 950.3 | -70.008 | -103.194 | 10 | 3 | 9.99 | 3.01 |
| Split2_1 | 950.3 | -73.018 | -105.992 | -3.01 | 3.01 | 6.98 | 3.222 |
| BasicMixer_1 | 0.3 | -67.067 | -96.335 | 5.938 | 4 | 12.918 | 6.94 |
| LPF1 | 0.3 | -68.467 | -96.458 | -1.64E-03 | 1.00E-02 | 12.916 | 6.819 |
| Lin_2 | 0.3 | -58.832 | -80.068 | 9.969 | 25 | 22.885 | 13.241 |
| LPF2 | 0.3 | -58.483 | -80.072 | -4.68E-03 | 1.00E-02 | 22.88 | 13.241 |
除噪声系数增加了3dB之外,结果与之前相同架构的仿真结果相似。实际上,即使该系统中除源电阻之外的全部器件均无噪声,噪声系数也将为3dB。从本质上讲,这是复合接收机架构的一种SSB应用,无法抑制非预期单边带。级联噪声系数的推导与以上所述完全相同,但级联输入处的热噪声引起的输出噪声为:
Not=kT0G1G2G3.
所以现在变为:


设:

得到:

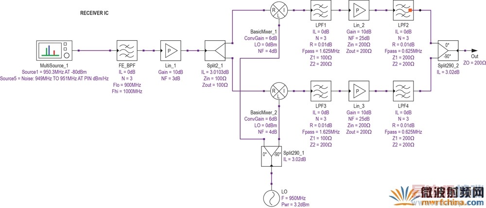
与预期一样,对于这种结构的DSB应用,噪声级联公式中的每一项乘以2。然而,这种情况有时候是不正确的。现在,我们以一台接收机为例,就噪声和干扰而言,受两个边带的影响,但仅使用其中一个边带的信号。由于下边带仅影响易受干扰的接收机,通常采用正交通道来抑制不希望的边带信号。一种方法是在接收机的输出利用90度合成器组合I和Q信号,从而抵消不希望边带中的信号,并将其有效增加至预期边带。实际上,这将把整个接收机变成一台镜像抑制下变频器。如果能够在合成点有效地控制被合成信号的相位,最后的和成级将恢复之前失去的3dB系统噪声系数。图12中所示为这种方法的一个仿真原理图,对应结果如表8所示。
图12. 带镜像抑制的NZIF接收机。
表8. LIF接收机镜像抑制仿真结果
| 器件 | CF (MHz) | CP (dBm) | CNP (dBm) | GAIN (dB) | SNF (dB) | CGAIN (dB) | CNF (dB) |
| MultiSource_1 | 950.3 | -79.995 | -116.194 | 0 | 0 | 0 | 0 |
| FE_BPF | 950.3 | -80.005 | -116.194 | -9.99E-03 | 1.00E-02 | -9.99E-03 | 9.99E-03 |
| Lin_1 | 950.3 | -70.004 | -103.194 | 10 | 3 | 9.99 | 3.01 |
| Split2_1 | 950.3 | -73.014 | -105.992 | -3.01 | 3.01 | 6.98 | 3.222 |
| BasicMixer_1 | 0.3 | -67.053 | -96.441 | 5.958 | 4 | 12.938 | 6.815 |
| LPF1 | 0.3 | -67.055 | -96.443 | -1.64E-03 | 1.00E-02 | 12.936 | 6.815 |
| Lin_2 | 0.3 | -57.047 | -80.09 | 9.991 | 25 | 22.927 | 13.177 |
| LPF2 | 0.3 | -57.051 | -80.094 | -3.82E-03 | 1.00E-02 | 22.923 | 13.177 |
| Split290_2 | 0.3 | -54.062 | -80.145 | 3.001 | 3.02 | 25.923 | 10.125 |
最后(合成)级的级联噪声系数(CNF)改善了3dB,说明噪声系数恢复,正如预期那样。
级联接收机的噪声系数计算总结
我们已经看到,当接收机级联中存在混频器时,计算级联噪声因子的弗林斯公式并不总是有效的,无论是使用混频器的DSB噪声系数还是SSB噪声系数。当使用滤波器消除接收机的大部分镜像响应时,可用一个等效两端口网络代替混频器、滤波器和LO子系统。然而,必须利用DSB噪声系数计算产生的噪声系数,考虑耦合到混频器输入端口的源端点的频率选择性。
我们也发现相同的物理结构会具有不同的有效噪声系数,取决于信号分布在LO两侧还是一侧(即应用是DSB还是SSB)。通过正确使用镜像抑制合成、复合滤波或等效基带处理,能够(通常是)恢复由于复合接收器工作在低中频(LIF)模式而损失的3dB SNR。
利用Agilent® Genesys程序对这些架构和情况的仿真结果与数学推导得出的级联噪声系数相一致。
表9中汇总了本部分讨论和仿真的每种架构的级联噪声因子。
表9. 推导公式汇总
| 结构 | 应用 | 级联噪声因子公式 |
| 三个增益模块 | 任意 | ![]() |
| 外差式混频器 | SSB,理想镜像滤波器 | ![]() |
| 复合下变频器 | ZIF | ![]() |
| 复合下变频器 | LIF,无镜像抑制 | ![]() |
| 复合下变频器 | LIF,镜像抑制合成 | ![]() |
参考文献
1 "Mixer Thermal Noise Figure," Agilent Genesys Documentation,
2 "IRE Standards on Electron Tubes:Definitions of Terms, 1957," Proceedings of the IRE, vol. 45, pp. 983 –1010, July 1957.tp=&arnumber=4056638&isnumber=4056624
3 Maas, S., Microwave Mixers., Artech House Microwave Library, Artech House, 1993.
4 "Telecommunications:Glossary of Telecommunication Terms," Federal Standard 1037C,
本文为MWRF.NET独家专稿,未经允许不得转载,如需转载请联系market#mwrf.net(#换成@)




