- 易迪拓培训,专注于微波、射频、天线设计工程师的培养
一种新颖的DC-50GHz低插入相移MMIC可变衰减器
1引言
GaAsMMIC控制电路由于体积小、重量轻、开关速度快、抗辐射、可靠性高、几乎无功耗等显著优点在许多电子系统中获得广泛应用。众所周知,在现代先进的移动通信等系统(如空间分集智能天线和相控阵系统)中,均需进行幅度和相位的调整,一般系统均要求相位调整时,幅度变化越小越好。而幅度调整时,相位变化越小越好。文中所提DC-50GHz超宽带的GaAsMMIC压控电调衰减器除了具有大动态衰减范围、优良的衰减随控制电压变化的线性度、优异的输入/输出驻波及多功能等特点外,低的插入相移是这种芯片的最显著的特点。因此,这种电路可以用作:a)低插入相移条件下,作为DC?50GHzMMIC可变衰减器,组成自动损耗控制组件;b)在多倍频程的矢量调制器中,在引入低插入相移时完成幅度调制和幅度调整功能;c)DC-50GHz的高性能吸收式(或称匹配型)单刀单掷开关;d)多倍频程的脉冲幅度调制器;e)与宽带放大器级联组成宽频带、大动态、衰减量随控制电压高线性变化的AGC(自动增益控制)放大器。
2设计
这种单片压控可变衰减器的设计和实现,总体考虑如下:
——根据电性能指标要求,选择合适的电路拓扑结构和设计合理的开关MESMET;
——获得DC-50GHz频率范围下开关MESFET的等效电路模型参数比例缩放方程;
——采用串联和并联开关MESFET两个控制端等负载设计方法,简化电路和降低功耗。

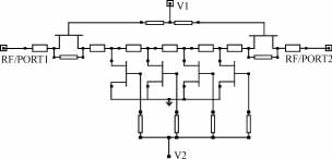
图1电原理图

图2芯片照片
由于这种电路工作时,控制电压是一组互补电压,分别控制串联和并联的开关MESFET。电调过程中两控制端的负载必须相同,否则压控电调时,驻波特性明显恶化。通常设计直流参数电路来平衡两控制端的负载使其相同,达到电调控制中改善驻波特性的目的。本文采用了设计时选定两控制负载相同的方法,达到改善电调控制端中驻波特性的目的。过程如下:
——采用成熟的微波单片电路设计软件(如AgilentEesof软件)进行电路的仿真和优化;
——根据优化的结果进行版图设计;
——根据设计的版图进行二次仿真和优化,并修改和确定版图;
——选择和设计合理的工艺途径;
——工艺流片,微波在片测试。
电路原理如图1所示,采用匹配型SPST的宽带开关电路拓扑,开关臂两端分别串联吸收电阻器和开关MESFET并联的支路以及多只与主传输并联的开关MESFET组成,电路中采用了低色散、宽频带的共面波导传输线以展宽频率带宽。设计低插入相移功能的基本原理主要是利用相位相互抵消原理。即其电路物理概念为:串联支路感抗引入的相位滞后和并联支路容抗引入的相位超前相互抵消。电路设计时考虑的主要电性能指标为:
——DC?50GHz的频率范围;
——设法获得最小衰减量及频带内衰减量起伏;
——最小衰减量时的低输入/输出驻波;
——最大衰减量及频带内衰减的平坦度;
——最大衰减量时的低输入/输出驻波;
——低相移衰减,尽可能小的衰减相移比。
电路设计采用AgilentEesof软件,为获得最佳电性能,不同的MESFET应选取不同的最佳栅宽,因此设计中采用了模型参数比例缩放技术。电路模型参数提取采用HPIC-CAP软件及相应的模型参数提取系统。由于设计频率高达50GHz,因而还采用了电路模型参数频率扩展和拟合技术以获得DC-50GHz开关MESFET电路模型的设计参数。
3制作
芯片采用南京电子器件研究所离子注入圆片工艺线制作,采用离子注入工艺具有较高的成品率和长期工作稳定性。工艺包括Au/Ge/Ni欧姆接触金属化:0.5μm栅长Ti/Pt/Au肖特基势垒栅;N+、N-注入;离子注入电阻;金属膜电阻;SiO2钝化膜;微带线;空气桥;通孔接地;背面金属化及电镀等。工艺成品率高达80%以上,芯片间和圆片间的电性能具较好的一致性。芯片尺寸为2.33mm×0.68mm×0.1mm。芯片照片如图2所示。信号输入/输出端均为共面波导接口,采用通孔接地和多重芯片钝化技术,可靠性高。控制端均靠芯片一侧,便于安装使用。
4性能
电性能测试采用HP8510C矢量网络分析仪和CascadeMicrotech微波探针台组成的微波在片测试系统。测试的各种电性能参数如最小衰减;最小衰减时的输入/输出驻波;最大衰减;最大衰减时的输入/输出驻波;最小衰减与最大衰减的相移差。当V1为0V,V2为负极性的FET夹断电压VP时,对应最小衰减态。当V1为VP,V2为0V时,对应最大衰减态。当V1从0V逐渐减小到VP,V2从VP同步逐渐增加到0V时,衰减量从最小变化到最大,反之亦然。芯片通过了高、低温储存,高、低温冲击,高、低温工作,键合,剪切和工作环境温度为125℃的1000小时工作寿命等实验。
5结论
开发成功的低相移、多功能DC?50GHz高性能MMIC压控可变衰减器,具有良好的电性能、较高的工艺成品率和高可靠性,达到了设计要求,具有一定的实用性。
如何成为一名优秀的射频工程师,敬请关注: 射频工程师养成培训
上一篇:单片UHF频段ASK发射机电路MICRF102的特性及应用
下一篇:TI CC2530系统级芯片ZigBee应用方案

