- 易迪拓培训,专注于微波、射频、天线设计工程师的培养
应用于基站的WiMAX CPE收发器介绍
与分立设计相比,单芯片WiMAX收发器能够显著节省成本和空间,但一直以来,严格的发射性能要求使其无法用于基站设计。然而,一些新型器件极大地改善了发射信噪比(SNR)性能,因而适合从毫微微蜂窝到微蜂窝的各类应用。
基站蜂窝类型和典型要求
根据最大输出功率和覆盖范围,无线行业将基站分为若干宽泛、重叠的类别,如表1所示,表中还提供了相关参数的粗略估计值。下面的设计示例将使用功率输出估计值。价格和设备尺寸对于所有类型的蜂窝都非常重要。对于毫微微蜂窝基站,只有低成本和小尺寸型才能在市场上生存;对于微微蜂窝和宏蜂窝基站,如果其价格和尺寸优于竞争产品,将拥有独特的市场优势。单芯片收发器有助于降低价格和减小尺寸,但只有当基站满足其性能要求时,这些优势才能显现出来。

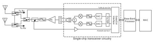
发射信号链架构

图1. 发射信号链框图
图1所示为一个用于无线通信的典型直接上变频发射信号路径的简化框图,其中的虚框部分最近已被集成到WiMAX CPE收发器中。基站发射机,特别是那些设计用于较大小区的发射机,通常使用分立器件来实现高线性度和低噪声。
然而,如图1所示,单芯片收发器具有明显的成本和空间优势。这些CPE收发器将多个功能模块,包括数字接口、数据转换器、模拟滤波器、增益级、混频器和前置驱动器等,组合构成一个混合信号集成电路。数据转换器和数字接口的集成使得基带处理器(BBP)可以是纯数字式,从而能够利用先进的细线CMOS工艺来降低成本、功耗和缩减尺寸。有些集成收发器还整合两个直接下变频接收机,使总体空间和成本进一步缩小降低。
发射功率和噪声
对于特定应用,将收发器与分立设计相比较时,发射机噪声是一个关键参数,但噪声只是一方面考虑。噪声必须相对于特定输出功率进行测量,因为所需的PA增益由收发器输出功率决定。例如,如果收发器B的噪声比收发器A低几dB,但要求多几dB的增益才能实现同样的输出功率,则收发器B的额外增益将导致系统噪声更高。当考虑绝对辐射限制时,例如以下设计示例所述的情况,噪声与增益的关系尤其重要。
表2通过一个定量示例显示了这一关系。

表2
在设计过程中,发射噪声与频率偏移的关系图会有帮助。法定杂散辐射限制转换为dBm/MHz后,便可快速判断一个收发器是否适合给定的应用。图2为一个多路输入、单路输出(MISO) WiMAX/WiBRO RF收发器在2500MHz载波频率和10MHz信号带宽下的关系图。注意,频率偏移为1MHz积分带宽的中心频率。因此,如果中心频率为5.5MHz,则积分带宽的边缘频率为5MHz。5MHz是10MHz带宽目标信号的信道边缘。
虽然10MHz信道内功率输出为-3 dBm,但信道内辐射为-13 dBm,如图2所示,因为测量是在1MHz范围积分的结果,而不是整个10MHz信道。在图2中,频段边缘处的极陡滚降是由片内插值数字滤波器引起的。将这些功能集成到收发器芯片中可以减轻BBP的负担,BBP与收发器之间的数据速率因为2倍插值而减半。

图2.发射噪声与积分带宽偏移的关系
法定限制
监管机构对特定频段内的最大输出功率、最大带外(OOB)辐射和最大信道外辐射均有限制,这些限制取决于应用所在的国家/地区以及所用的频段。本文仅关注2.4至2.7 GHz范围内的FCC(美国联邦通信委员会)限制。在美国,特许执照WiMAX部署频谱为2496MHz至2690MHz,免执照频谱为2.4GHz ISM频段(2400MHz至2483.5MHz)。
FCC使用多种单位和方法来规定最大功率和OOB限制。下面各部分列出了针对WiMAX基站所用的多个频率范围的限制。如果限制用低于带内输出功率的衰减幅度来表示,则带内功率和杂散辐射测量所用的积分带宽必须相同。
特许执照频段
从2496 MHz到2690 MHz,最大等效全向辐射功率(EIRP)频段功率输出为63dBm[1]。基站的杂散辐射在信道边缘必须至少衰减43+10log(P)dB[2],其中P为频段功率输出(单位W)。
2.4 GHz免执照频段
在ISM频段,限制更严格,但最大功率输出也低得多。从2400MHz到2483.5MHz,点到多点(PTMP)基站的最大传导功率输出为+30DBm,最大EIRP为+36dBM[3]。点到点(PTP)基站必须遵守相同的传导功率限制,但最大理论EIRP无限制。对于PTP基站,6 dB以上的天线定向增益每增加3 dB,EIRP必须降低1 dB。信道外但仍在ISM频段内的杂散辐射必须衰减到低于目标信号20 dB的水平[4]。ISM频段外的辐射必须衰减到低于频段功率50 dB的水平,或者衰减到-41.25 dBm/MHz的水平,以衰减较小者为准[5]。此外,使用ISM频段的运营商还必须遵守下述关于限制频段的限制。
限制频段
FCC将某些频段规定为"限制使用"频段。这些频段内的辐射只能是杂散性的,对于 ISM 频段的运营商,该辐射始终必须等于或小于-41.25 dBm/MHz 的绝对限值。影响 2.4GHz ISM 频段的限制频段有两个:2310 MHz至2390 MHz和2483.5 MHz至2500 MHz。与限制频段相邻的特许执照频段不必遵守这些限制。
设计示例
对于各种情况下的单芯片CPE收发器的定量评估,功率放大器(PA)被认为为是理想的增益级。实践中,PA 会增加噪声和非线性效应,但对于下面的各个示例,特别设计的 PA 可以确保完整发射路径的性能符合要求。各示例均使用一个10 MHz带宽内最大输出设置为-3.0 dBm的CPE收发器。
第一个示例是一个工作在ISM频段的1W点到多点微蜂窝,发射带宽为10MHz,中心频率为2417 MHz。第一个要符合的法定限制是20dB的信道外衰减,信道内功率为-13dBm/MHz,因此衰减限制为-33 dBm/MHz,如图3的"20dB衰减限制"所示。
图3包含来自图2的ADI公司AD9354性能曲线,以便快速比较法定限制与收发器辐射。由于 AD9354 信道外能量远低于-33dBm/MHz 限制线,因此该收发器满足20dB衰减要求。
第二个限制是50 dB或-41.25 dBm/MHz的OOB衰减,以衰减较小者为准。Pout = 30 dBm,因此50 dB是较小的衰减。目标信号带宽中心与ISM边缘的频率范围为 17.5 MHz (2417 MHz "2400 MHz + 500 kHz)。从-13 dBm/MHz的信道内功率衰减50 dB,得到-63 dBm/MHz的限制,如图3的"50dB衰减限制"所示。可以看出,AD9354的辐射远低于此限制。

图3 发射辐射与频率偏移的关系以及法定限制
最后,FCC要求2390MHz限制频段边缘的杂散辐射衰减到-41.25dBm/MHz。频率范围为27.5MHz(2417MHz至2390MHz+500kHz)。由于这是一个绝对限值,因此需要考虑PA增益。为了将带内输出功率从-3 dBm提升到30 dBm,需要33 dB的增益。将该值折合到收发器输出端,可以得到-74.25 dBm/MHz的法定限制(-41.25 dBm/MHz -33 dB),如图3中"-74.25dBm/MHz"线所示。
采用特许执照频段的毫微微蜂窝
在所有类型的基站中,毫微微蜂窩对成本最敏感,因此单芯片收发器必须满足这种应用的要求。表1显示,典型毫微微蜂窝基站可以提供高达20dBm的带内输出功率。在信道边缘,杂散辐射需要降低33 dB (43 + 10*log(0.1))。从-13 dBm/MHz的信道内功率衰减33 dB,得到-46 dBm/MHz的法定限制,如图3的水平虚线所示。
采用特许执照频段的微微蜂窝
微微蜂窝涵盖的最大输出功率范围非常广,从20dBm到30dBm。本例中,功率输出设置为27dBm,信道边缘所需的衰减为40 dB (43 + 10*log(0.5))。从-13dBm/MHz的信道内功率衰减-40 dB,得到法定限制为-53 dBm/MHz,如图3中的-53dBm/MHz水平线所示。
采用特许执照频段的微蜂窝
微蜂窝一直是昂贵、大型分立式收发器设计的领地,它要求的增益和功率输出显著大于较小尺寸的蜂窝。表2所示的最高功率输出2W(33dBm)要求衰减46dB(43+10*log(2))。按照与前两例相同的逻辑进行分析,从-13 dBm/MHz的信道内功率衰减46 dB,得到-59 dBm/MHz的法定限制。在图3中,通过比较AD9354辐射曲线与-59dBm/MHz的水平虚线可以发现,该器件有足够的裕量来满足此要求。
WiMAX CPE收发器的发射性能已大大改进,现已能够满足从微微蜂窝到微蜂窝的应用要求。与分立设计相比,除了集成发射路径所带来的成本和空间节省以外,单芯片收发器还能提供两个接收机,从而进一步节约成本和空间。本文讨论发射机性能。
参考文献
[1]FCC 47CFR27.50
[2]FCC 47CFR27.53
[3]FCC 47CFR15.247
[4]IBID
[5]FCC 47CFR15.249
[6]FCC 47CFR15.205
[7]"Femtocells and Health" published on the Femto Forum
[8]Telecomasia, "A Base Station in Every Home", Sept 5, 20Fiona Chau
[9]"The Need for WiMAX picocell and femtocells", Rupert Baines, picoChip
[10]"Mobile Phones: Jargon Explained", Ofcom
[11]"Femtocells: Transforming the Indoor Experience", Femto Forum
[12]"Orange prepares to release picocells", Zdnet
[13]"Picocell primer", Wireless net Design Line
作者简介
Patrick Wiers是ADI公司高级应用工程师,其重点关注领域为集成WiMAX收发器。他拥有位于美国加利福尼亚州圣路易斯奥比斯波的加利福尼亚州立工业大学电子工程学士学位。


