- 易迪拓培训,专注于微波、射频、天线设计工程师的培养
ST STEVAL-MKI031V1多传感器应用解决方案
ST公司的 STEVAL-MKI031V1多传感器应用板是采用ST8 8位微控制器.该平台可以处理MEMS加速计所产生的信号,板上的密你型USB连接器用来和PC交换数据.平台具有128x64象素的黑白LCD,以及MicroSD插座,它的4个按钮用作菜单导航,主要用来评估各种传感器.本文介绍了STEVAL-MKI031V1主要特性,方框图,电路和材料清单(BOM)以及评估板布局图.
STEVAL-MKI031V1 multi sensor application board (MuSA)
The MuSA (multi sensor application board) platform is intended to be used to show the possible use of MEMS devices.
The platform is based on an ST7 8-bit microcontroller that handles the signal coming from the MEMS accelerometer on the board (LIS344ALH analog output and all the digital output in 3x3 mm and 3x5 mm packages can be mounted on the PCB).
The four buttons are used for the menu navigation.A mini-USB connector is available to exchange data with the PC, depending on the specific application, and to recharge the internal Li-Ion battery.
STEVAL-MKI031V1主要特性:
Multi pole connector for platform expansion using sensor-specific modules
4 buttons for menu navigation
128 x 64 pixel, black and white LCD
Piezoelectric buzzer
MicroSD socket for data logging applications
RoHS compliant

图1.STEVAL-MKI031V1主板外形图(底视图)

图2.STEVAL-MKI031V1方框图

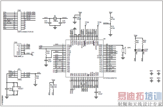
图3.STEVAL-MKI031V1电路图:ST7

图4.STEVAL-MKI031V1电路图:加速度计

图5.STEVAL-MKI031V1电路图:电源

图6.STEVAL-MKI031V1电路图:LCD

图7.STEVAL-MKI031V1电路图: microSD

图8.STEVAL-MKI031V1电路图:DFU
STEVAL-MKI031V1评估板材料清单(BOM):




图9.STEVAL-MKI031V1评估板布局图(顶层)
详情请见:
http://www.st.com/internet/com/TECHNICAL_RESOURCES/TECHNICAL_LITERATURE/USER_MANUAL/CD00275691.pdf
<script type="text/javascript" src=""></script><script type="text/javascript">show_share(1);</script>
上一篇:海洋光学推出高透光率全息凹面光栅光谱仪:Torus系列
下一篇:由OP放大器反馈环跑构成的恒定电压驱动的电桥传感器电路


