- 易迪拓培训,专注于微波、射频、天线设计工程师的培养
Maxim 71M6x01第四代单相电表SoC解决方案
录入:edatop.com 点击:
Maxim公司的71M6x01(71M6541D/71M6541F/71M6541G/71M6542F/71M6542G)系列是集成了5MHz 8051兼容的MPU核,带数字温度补偿的低功率RTC,闪存和LCD驱动器的第四代单相电表SoC,采用单个转换技术,具有22位Delta-Sigma ADC,三个或四个模拟输出,数字温度补偿,精密的基准电压和32位计算引擎(CE),非常少的外接元件,支持各种应用的电表.本文介绍了71M6x01主要特性,多个方框图,以及DB6541 REV2.0演示板主要指标,
DB6541 REV3.0演示板电路图和材料清单与PCB布局图.
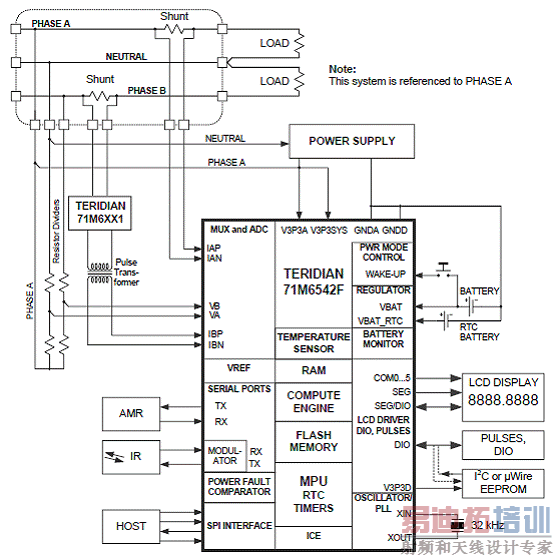
The 71M6541D/71M6541F/71M6541G/71M6542F/71M6542G are Teridian™ 4th-generation single-phase metering SoCs with a 5MHz 8051-compatible MPU core, low-power RTC with digital temperature compensation, flash memory, and LCD driver. Our Single Converter Technology® with a 22-bit delta-sigma ADC, three or four analog inputs, digital temperature compensation, precision voltage reference, and a 32-bit computation engine (CE) supports a wide range of metering applications with very few external components.
The 71M6541/2 devices support optional interfaces to the Teridian 71M6x01 series of isolated sensors, which offer BOM cost reduction, immunity to magnetic tamper, and enhanced reliability. Other features include an SPI interface, advanced power management, ultra-low-power operation in active and battery modes, 3/5KB shared RAM and 32/64/128KB of flash memory that can be programmed in the field with code and/or data during meter operation and the ability to drive up to six LCD segments per SEG driver pin. High processing and sampling rates combined with differential inputs offer a powerful metering platform for residential meters.
A complete array of code development tools, demonstration code, and reference designs enable rapid development and certification of meters that meet all ANSI and IEC electricity metering standards worldwide.
71M6x01主要特性:
• 0.1% Accuracy Over 2000:1 Current Range
• Exceeds IEC 62053/ANSI C12.20 Standards
• Two Current Sensor Inputs with Selectable Differential Mode
• Selectable Gain of 1 or 8 for One Current Input to Support Shunts
• High-Speed Wh/VARh Pulse Outputs with Programmable Width
• 32KB Flash, 3KB RAM (71M6541D)
• 64KB Flash, 5KB RAM (71M6541F/42F)
• 128KB Flash, 5KB RAM (71M6541G/42G)
• Up to Four Pulse Outputs with Pulse Count
• Four-Quadrant Metering
• Digital Temperature Compensation:
- Metrology Compensation
- Accurate RTC for TOU Functions with Automatic Temperature Compensation for Crystal in All Power Modes
• Independent 32-Bit Compute Engine
• 46-64Hz Line Frequency Range with the Same Calibration
• Phase Compensation (10)
• Three Battery-Backup Modes:
- Brownout Mode (BRN)
- LCD Mode (LCD)
- Sleep Mode (SLP)
• Wake-Up on Pin Events and Wake-On Timer
• 1μA in Sleep Mode
• Flash Security
• In-System Program Update
• 8-Bit MPU (80515), Up to 5 MIPS
• Full-Speed MPU Clock in Brownout Mode
• LCD Driver:
- Up to 6 Commons/Up to 56 Pins
• 5V LCD Driver with DAC
• Up to 51 Multifunction DIO Pins
• Hardware Watchdog Timer (WDT)
• I2C/MICROWIRE® EEPROM Interface
• SPI Interface with Flash Program Capability
• Two UARTs for IR and AMR
• IR LED Driver with Modulation
• Industrial Temperature Range
• 64-Pin (71M6541D/F/G) and 100-pin (71M6542F/G) Lead(Pb)-Free LQFP Package

图1. 71M6x01方框图

图2.带本地传感器的71M6541D/F/G框图

图3.带71M6x01绝缘传感器的71M6541D/F/G框图

图4.带本地传感器的71M6542F/G框图

图5.带71M6x01绝缘传感器的71M6542F/G框图
DB6541 REV2.0演示板
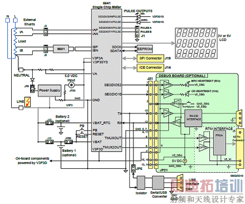
The Teridian Semiconductor Corporation (TSC) DB6541 REV2.0 Demo Board is a demonstration board for evaluating the 71M6541F device for single-phase electronic power metering applications in conjunction with the Remote Sensor Interface. It incorporates a 71M6541F integrated circuit, a 71M6101 Remote Interface IC, peripheral circuitry such as a serial EEPROM, emulator port, and on-board power supply as well as a companion Debug Board that allows a connection to a PC through a RS-232 port. The Demo Board allows the evaluation of the 71M6541F energy meter chip for measurement accuracy and overall system use.
The board is pre-programmed with a Demo Program (Demo Code) in the FLASH memory of the 71M6541F IC. This embedded application is developed to exercise all low-level function calls to directly manage the pe-ripherals, flash programming, and CPU (clock, timing, power savings, etc.).
The 71M6541F IC on the Demo Board is pre-programmed and pre-calibrated for the 50 μΩ or 120 μΩ shunt shipped with the board. The Demo Board may also be used for operation with a CT after hardware modifica-tions that can be easily performed by the user. This configuration will require a different version of the Demo Code.

图6.DB6541 REV2.0演示板框图
DB6541 REV2.0演示板包括:
• Demo Board DB6541 REV 3.0 containing one 71M6601 or 71M6201 Remote Sensor Interface and one 71M6541F IC with pre-loaded demo program
• 5VDC/1,000mA universal wall transformer with 2.5mm plug (Switchcraft 712A compatible)
• USB cable
• CD-ROM containing documentation (data sheet, board schematics, BOM, layout), Demo Code (sources and executable), and utilities.
• ANSI base with 50 μΩ shunt resistor (optional, for ANSI kits only) or two 120 μΩ shunt resistors

图7.DB6541 REV2.0演示板和调试板基本连接图
DB6541 REV2.0演示板硬件指标:


图8.带两个并联传感器的单相三线电表框图

图9.带两个并联传感器的单相两线电表框图

图10.带并联传感器的单相两线电表框图

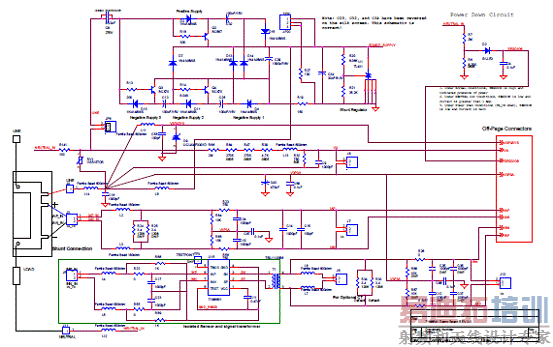
图11.DB6541 REV3.0演示板电路图(1)

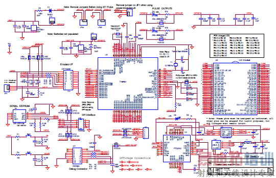
图12.DB6541 REV3.0演示板电路图(2)
DB6541 REV3.0演示板材料清单:



图13.DB6541 REV3.0演示板PCB布局图
详情请见:
71M6541D-71M6542G[1].pdf(2.17 MB, 下载次数: 0)
和
71M6541F-DB[1].pdf(1.98 MB, 下载次数: 0)
DB6541 REV3.0演示板电路图和材料清单与PCB布局图.
The 71M6541D/71M6541F/71M6541G/71M6542F/71M6542G are Teridian™ 4th-generation single-phase metering SoCs with a 5MHz 8051-compatible MPU core, low-power RTC with digital temperature compensation, flash memory, and LCD driver. Our Single Converter Technology® with a 22-bit delta-sigma ADC, three or four analog inputs, digital temperature compensation, precision voltage reference, and a 32-bit computation engine (CE) supports a wide range of metering applications with very few external components.
The 71M6541/2 devices support optional interfaces to the Teridian 71M6x01 series of isolated sensors, which offer BOM cost reduction, immunity to magnetic tamper, and enhanced reliability. Other features include an SPI interface, advanced power management, ultra-low-power operation in active and battery modes, 3/5KB shared RAM and 32/64/128KB of flash memory that can be programmed in the field with code and/or data during meter operation and the ability to drive up to six LCD segments per SEG driver pin. High processing and sampling rates combined with differential inputs offer a powerful metering platform for residential meters.
A complete array of code development tools, demonstration code, and reference designs enable rapid development and certification of meters that meet all ANSI and IEC electricity metering standards worldwide.
71M6x01主要特性:
• 0.1% Accuracy Over 2000:1 Current Range
• Exceeds IEC 62053/ANSI C12.20 Standards
• Two Current Sensor Inputs with Selectable Differential Mode
• Selectable Gain of 1 or 8 for One Current Input to Support Shunts
• High-Speed Wh/VARh Pulse Outputs with Programmable Width
• 32KB Flash, 3KB RAM (71M6541D)
• 64KB Flash, 5KB RAM (71M6541F/42F)
• 128KB Flash, 5KB RAM (71M6541G/42G)
• Up to Four Pulse Outputs with Pulse Count
• Four-Quadrant Metering
• Digital Temperature Compensation:
- Metrology Compensation
- Accurate RTC for TOU Functions with Automatic Temperature Compensation for Crystal in All Power Modes
• Independent 32-Bit Compute Engine
• 46-64Hz Line Frequency Range with the Same Calibration
• Phase Compensation (10)
• Three Battery-Backup Modes:
- Brownout Mode (BRN)
- LCD Mode (LCD)
- Sleep Mode (SLP)
• Wake-Up on Pin Events and Wake-On Timer
• 1μA in Sleep Mode
• Flash Security
• In-System Program Update
• 8-Bit MPU (80515), Up to 5 MIPS
• Full-Speed MPU Clock in Brownout Mode
• LCD Driver:
- Up to 6 Commons/Up to 56 Pins
• 5V LCD Driver with DAC
• Up to 51 Multifunction DIO Pins
• Hardware Watchdog Timer (WDT)
• I2C/MICROWIRE® EEPROM Interface
• SPI Interface with Flash Program Capability
• Two UARTs for IR and AMR
• IR LED Driver with Modulation
• Industrial Temperature Range
• 64-Pin (71M6541D/F/G) and 100-pin (71M6542F/G) Lead(Pb)-Free LQFP Package

图1. 71M6x01方框图

图2.带本地传感器的71M6541D/F/G框图

图3.带71M6x01绝缘传感器的71M6541D/F/G框图

图4.带本地传感器的71M6542F/G框图

图5.带71M6x01绝缘传感器的71M6542F/G框图
DB6541 REV2.0演示板
The Teridian Semiconductor Corporation (TSC) DB6541 REV2.0 Demo Board is a demonstration board for evaluating the 71M6541F device for single-phase electronic power metering applications in conjunction with the Remote Sensor Interface. It incorporates a 71M6541F integrated circuit, a 71M6101 Remote Interface IC, peripheral circuitry such as a serial EEPROM, emulator port, and on-board power supply as well as a companion Debug Board that allows a connection to a PC through a RS-232 port. The Demo Board allows the evaluation of the 71M6541F energy meter chip for measurement accuracy and overall system use.
The board is pre-programmed with a Demo Program (Demo Code) in the FLASH memory of the 71M6541F IC. This embedded application is developed to exercise all low-level function calls to directly manage the pe-ripherals, flash programming, and CPU (clock, timing, power savings, etc.).
The 71M6541F IC on the Demo Board is pre-programmed and pre-calibrated for the 50 μΩ or 120 μΩ shunt shipped with the board. The Demo Board may also be used for operation with a CT after hardware modifica-tions that can be easily performed by the user. This configuration will require a different version of the Demo Code.

图6.DB6541 REV2.0演示板框图
DB6541 REV2.0演示板包括:
• Demo Board DB6541 REV 3.0 containing one 71M6601 or 71M6201 Remote Sensor Interface and one 71M6541F IC with pre-loaded demo program
• 5VDC/1,000mA universal wall transformer with 2.5mm plug (Switchcraft 712A compatible)
• USB cable
• CD-ROM containing documentation (data sheet, board schematics, BOM, layout), Demo Code (sources and executable), and utilities.
• ANSI base with 50 μΩ shunt resistor (optional, for ANSI kits only) or two 120 μΩ shunt resistors

图7.DB6541 REV2.0演示板和调试板基本连接图
DB6541 REV2.0演示板硬件指标:


图8.带两个并联传感器的单相三线电表框图

图9.带两个并联传感器的单相两线电表框图

图10.带并联传感器的单相两线电表框图

图11.DB6541 REV3.0演示板电路图(1)

图12.DB6541 REV3.0演示板电路图(2)
DB6541 REV3.0演示板材料清单:



图13.DB6541 REV3.0演示板PCB布局图
详情请见:
71M6541D-71M6542G[1].pdf(2.17 MB, 下载次数: 0)
和
71M6541F-DB[1].pdf(1.98 MB, 下载次数: 0)
上一篇:Cypress
CY3275可编程低压动力线通信开发方案
下一篇:Maxim
78M6613单相交流电能测量解决方案


