- 易迪拓培训,专注于微波、射频、天线设计工程师的培养
Linear LTC2991八路I2C电压电流和温度监测方案
录入:edatop.com 点击:
Linear公司的LTC2991是八路I2C串口的系统电压,电流和温度监测器,温度测量精度为0.7度C,分辨率为0.06度C,PWM温度输出,采用14位ADC来测量电压/电流,工作电压3V到5.5V,内部有10ppm/℃的基准电压,主要用在温度测量,电源监测,电流测量,遥控数据采集和环境监测.本文介绍了LTC2991主要特性,方框图,以及包括马达保护和调整电路, 计算机电压和温度监测电路与电池监测电路在内的多种应用电路.
LTC2991: Octal I2C Voltage, Current, and Temperature Monitor
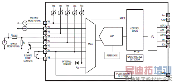
The LTC.2991 is used to monitor system temperatures, voltages and currents. Through the I2C serial interface, the eight monitors can individually measure supply voltages and can be paired for differential measurements of current sense resistors or temperature sensing transistors.
Additional measurements include internal temperature and internal VCC. The internal 10ppm reference minimizes the number of supporting components and area required.Selectable address and configurable functionality give the LTC2991 flexibility to be incorporated in various systems needing temperature, voltage or current data. The LTC2991 fits well in systems needing submillivolt voltage resolution, 1% current measurement and 1℃ temperature accuracy or any combination of the three.
LTC2991主要特性:
Measures Voltage, Current, Temperature
Measures Four Remote Diode Temperatures
0.7℃ (Typ) Accuracy, 0.06℃ Resolution
1℃ (Typ) Internal Temperature Sensor
Series Resistance Cancellation
14-Bit ADC Measures Voltage/Current
PWM Temperature Output
3V to 5.5V Supply Operating Voltage
Eight Selectable Addresses
Internal 10ppm/℃ Voltage Reference
V1 to V8 Inputs ESD Rated to 6kV HBM
16-Lead MSOP Package
LTC2991应用:
Temperature Measurement
Supply Voltage Monitoring
Current Measurement
Remote Data Acquisition
Environmental Monitoring

图1.LTC2991方框图

图2.LTC2991典型应用电路图

图3.LTC2991高电压/电流和温度监测电路图

图4.LTC2991计算机电压和温度监测电路图

图5.LTC2991马达保护和调整电路图

图6.LTC2991大型马达保护和调整电路图

图7.LTC2991风扇/空气过滤器/温度告警电路图

图8.LTC2991电池监测电路图

图9.干湿球湿度计电路

图10.风向标电路

图11.带电源监视的烤箱控制电路

图12.带扩展ESD性能的温度遥测电路

图13.采用LTC2991一路和双线对的四路温度遥测电路
详情请见:
2991f[1].pdf(230.32 KB, 下载次数: 0)
LTC2991: Octal I2C Voltage, Current, and Temperature Monitor
The LTC.2991 is used to monitor system temperatures, voltages and currents. Through the I2C serial interface, the eight monitors can individually measure supply voltages and can be paired for differential measurements of current sense resistors or temperature sensing transistors.
Additional measurements include internal temperature and internal VCC. The internal 10ppm reference minimizes the number of supporting components and area required.Selectable address and configurable functionality give the LTC2991 flexibility to be incorporated in various systems needing temperature, voltage or current data. The LTC2991 fits well in systems needing submillivolt voltage resolution, 1% current measurement and 1℃ temperature accuracy or any combination of the three.
LTC2991主要特性:
Measures Voltage, Current, Temperature
Measures Four Remote Diode Temperatures
0.7℃ (Typ) Accuracy, 0.06℃ Resolution
1℃ (Typ) Internal Temperature Sensor
Series Resistance Cancellation
14-Bit ADC Measures Voltage/Current
PWM Temperature Output
3V to 5.5V Supply Operating Voltage
Eight Selectable Addresses
Internal 10ppm/℃ Voltage Reference
V1 to V8 Inputs ESD Rated to 6kV HBM
16-Lead MSOP Package
LTC2991应用:
Temperature Measurement
Supply Voltage Monitoring
Current Measurement
Remote Data Acquisition
Environmental Monitoring

图1.LTC2991方框图

图2.LTC2991典型应用电路图

图3.LTC2991高电压/电流和温度监测电路图

图4.LTC2991计算机电压和温度监测电路图

图5.LTC2991马达保护和调整电路图

图6.LTC2991大型马达保护和调整电路图

图7.LTC2991风扇/空气过滤器/温度告警电路图

图8.LTC2991电池监测电路图

图9.干湿球湿度计电路

图10.风向标电路

图11.带电源监视的烤箱控制电路

图12.带扩展ESD性能的温度遥测电路

图13.采用LTC2991一路和双线对的四路温度遥测电路
详情请见:
2991f[1].pdf(230.32 KB, 下载次数: 0)


