- 易迪拓培训,专注于微波、射频、天线设计工程师的培养
ZDS2024:一款面向工程师的更全面的示波器

具有250M存储深度
如果存储深度能够做到足够大,就能保持最高的波形采样率,则观察到的波形会更加真实、细腻。反之,如果存储深度只有1Mpts甚至更低,当要观察时长较大的波形时,示波器就只能被迫降低采样率。由于采样点数不足,示波器显示的波形也会严重失真,甚至产生波形混叠,误导用户测量分析。ZDS2024通过全硬件加速和多线程并行处理,存储深度最高可达250M,在观察长时间波形时也不丢失波形细节。

25种协议解码
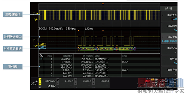
工程师在调试协议信号的时候,不仅需要观测协议波形,还要将波形解码成对应的数据。但一直以来各大品牌示波器的协议解码功能都要付费选配的,而且只有寥寥几种。ZDS2024 Plus示波器免费配备了25种协议解码,CAN、LIN、I2C、SPI、UART、USB、PS/2、DALI、Wiegand、1-Wire、DS18B20、HDQ、 SD_SPI、SD_SD、IrDA、Manchester、DiffManche、Miller、DHT11、 SHT11、 NEC、RC5、RC6、FlexRay,除此之外,ZDS2024 Plus独家配备了CAN FD协议解码,将200M示波器推向巅峰。

33万次/秒波形刷新率
由于波形合成器的实时处理能力和波形显存的吞吐带宽的技术限制,2000系列示波器的波形刷新率一般很低,波形观测存在大量的死区时间,工程师也会因此错过了许多波形细节,大大降低了工作效率。ZDS2024示波器采用大规模FPGA,从刚开始的75K到150K、260K至最终的330K,更高的波形刷新率能够快速发现异常信号,显著提高工作效率。 [p]

模板触发
工程师在调试产品的时候,经常会遇到一些难以捕获的信号。在对信号特性不了解的情况下,能否通过一种简单易用的方法将其捕获呢?ZDS2024在示波器强大的触发功能基础上,创新性地添加了模板触发功能。通过触碰过滤原理,实现了可以隔离任何规律的异常信号的功能。

4Mpts FFT分析
现在,多数2000系列示波器最大只支持8K样本点的FFT分析,在1G采样率的情况下,频率分辨率仅有125KHz,多数情况都无法准确判断信号频谱分布。而ZDS2024示波器内部采用了专业的处理芯片,将FFT分析点数升级至4M样本点,同样在1G采样率的情况下频率分辨率能精确到250Hz,可以准确分析出电路中的干扰噪声来源,大大提高了示波器FFT的实用价值。

支持51种参数自动测量
仅仅通过波形的直观表现来分析波形远远不够,只有将波形各项指标精确量化,才能看透波形异常的本质。然而受限于架构和芯片限制,绝大多数示波器的参数测量都是基于采样结果进行抽点,无论屏幕中有多少个信号周期,都仅仅抽取每屏中的一个周期信号进行统计测量,这也直接导致了结果的严重失真。ZDS2024采用FPGA进行全硬件加速,通过对屏幕上每一个周期信号的测量,计算出每一项指标的最大值,最小值,平均值,标准差,并且多达51种。 [p]

波形搜索功能
在调试信号波形时,需要明确信号是否出现了异常。如果出现了异常,那这些异常信号出现的频率是多少,是不是周期性出现的呢?为了弄清楚这些问题,一般需要长时间记录波形,然后基于这样一个庞大的波形数据库去定位异常波形出现的位置。ZDS2024依托于海量存储和硬件加速的优势,能够从数十万个波形中迅速定位出感兴趣的信号,只要当前屏幕内出现了符合搜索条件的波形信号,系统都将自动地在对应位置做上标记,异常信号一览无余。

七种一键操作
2012年10月第三款示波器研制成功,在试用的过程中,用户发现将波形存储到U盘的操作非常繁琐。ZDS2024示波器把80%的用户、在80%的时间里、用到的80%的功能汇聚成七种一键操作,功能连贯,易于分辨,一键到位,显著提高测试效率。

上一篇:校准示波器的具体步骤
下一篇:示波器基础知识100问(中)


