- 易迪拓培训,专注于微波、射频、天线设计工程师的培养
负载开关的发展概况
负载开关基本电路
功率MOSFET是一种具有良好开关特性的器件:导通时其导通电阻RDS(ON)很小;在关断时其漏电流IDSS很小。另外,它的耐压范围很宽,从几十V到几百V,漏极电源范围宽,从几A到几十A,所以非常适合作负载开关。
N沟道MOSFET可以组成最简单的负载开关,如图1所示。负载接在电源与漏极之间(负载可以是直流电动机、散热风扇、大功率LED、白炽灯泡或螺管线圈等)。在其栅极上加一个逻辑高电平,则N-MOSFET导通,负载得电;在其栅极加一个逻辑低电平,则N-MOSFET关断,负载失电。

图1 用MOSFET组成的负载开关
从图1可以看出,负载开关接是在电源与负载之间,用逻辑电平来控制通、断,使负载得电或失电的功率器件。由于开关在负载的下边,一般称为低端负载开关。
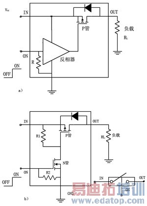
如果负载是一个要求接地的电路(如功率放大电路、发射电路或接收电路等),则低端负载开关不能用,要采用高端负载开关。高端负载开关主要由P沟道MOSFET组成,如图2所示。图2(a)是由一个P-MOSFET与一个反相器组成的,图2(b)是由一个P-MOSFET与一个N-MOSFET组成的。开关在负载的上面,称高端负载开关。

图2 高端负载开关
以图2(a)来说明其工作原理。在反相器输入端输入逻辑高电平时,其输出端为低电平,反相器的输出端与P-MOSFET的栅极连接,则使-VGS≈VIN,P-MOSFET导通,负载得电;若反相器输入端输入逻辑低电平,反相器输出高电平,则使其-VGS≈0V,P-MOSFET关断,负载失电。一般在输入端往往接一下拉电阻,其目的是使负载开关在无控制信号输入时处于可靠的关断状态。
图2(b)的工作原理与图2(a)相同,读者可自行分析。

图3 负载开关接负载电路
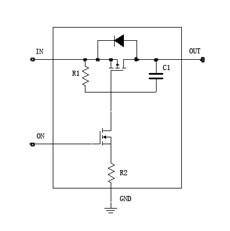
如果在负载开关与负载之间接了一个大容量电容,如图3所示。当这电容的等效串联电阻非常小时,在负载开关导通的瞬间,有较大的瞬态电流(冲击电流,如图3右图所示)流过开关管。为减小冲击电流,在负载开关中增加了C1及R2,如图4所示。当负载开关在导通后的瞬间,输入电压经P管后加在C1及R2上(Q1的导通电阻略而不计),其电压主要降在R2上,减小了-VGS,减小ID电流,即减小冲击电流。C1≤1000pF,R1=10~47kΩ,R2=1~4.7kΩ。

图4 负载开关基本电路
图2、图4是负载开关的基本电路。由于电路十分简单,可以由分立元件组成,但目前有现成的集成电路,使应用更方便,占PCB面积也更小。
负载开关的发展
从负载开关基本电路来看,其特点是结构简单,缺点是缺少过热保护(负载有局部短路或输出有短路)。在有短路时不仅负载、负载开关损坏,并且由于电源过载关断会使整个装置、系统不能正常工作。因此近年来,人们根据负载开关的应用状况作了不少的改进,改善了性能、提高了工作可靠性、增加了功能。
1 在安全保护方面
①在负载开关中增加过热关闭电路。如果有发生负载局部短路或短路情况时,使负载开关的管芯温度超过过热阈值温度(如125℃),则过热关闭电路起作用将负载开关切断。不仅阻止了负载更大的损坏,也使电源不因负载短路而影响向其他电路供电。在过热故障发生时,负载开关还输出故障信号(给微处理器μP)以告知故障的存在。另外还有输入欠压锁存保护功能。
②在负载开关中增加限流电路。负载开关中没电流检测及限流输出电路。它有两种结构:限制电流值是工厂设定的;限制电流可由用户外设一个电阻设定。发生过流状态时,负载开关输出故障信号。
具有限流输出的负载开关,不仅提高了工作的可靠性及安全性,并且这种负载开关还可以用作功率分配开关、热插拔插座、USB端口。有的负载开关在过流时便输出锁存(无输出),则这种负载开关可看作"电子保险丝"在排除过流故障后,重新启动后可正常工作。有的负载开关在过流时,以限制的电流(恒流)继续给负载供电。
2 在开关性能方面
随着半导体工艺技术的进步,单个分立器件MOSFET的导通电阻逐年下降,导通电阻小的可做到几mΩ。集成负载开关中的MOSFET导通电阻稍大,目前可做到几十mΩ左右。为了改善开关的性能,使开关慢启动(慢启动是指开关接通时,其电压上升率是一个斜坡,防止有过大的冲击电流)、快关断。电压上升的斜率有几种:由工厂设定几种斜率(启动时间不同),供用户选择;由用户在器件外设一电容,设定其启动时间。为了快速关断开关,在负载开关中设有关断时输出有放电电路,如图5所示。在负载开关关断时,N-MOSFET导通,电容往N管放电,加速关断时间。

图5 负载开关中的输出有效放电电路
3 其他方面
为了适应便携式电子产品对负载开关的应用需要,在以下几方面作了改进:工作电压适合电池供电电压,一般为 1.8~5.5V或1.2~5.5V;为满足更低的电压,最低输入电压为0.8V;减少静态电流,一般为几μA(静态电流大小与负载开关内部的电路负载程度有关),典型值为1μA。个别较简单的负载开关,其静态电流IQ=25μA;输出电流一般0.2~6A,可满足各种便携式的要求;为满足便携式体积小的要求,负载开关采用小尺寸封装,一般采用SOT-23封装、2mm×2mm的MLP或MLF封装、SC-70封装,最小的采用6焊球BGA封装,其封装尺寸仅为1.5mm×1.0mm;在电源关断时,无反向电流。
应用流域的扩展
负载开关是一种通用功率开关器件,过去主要应用于工业控制及汽车工业等。近年来,随着便携式电子产品的发展,如PDA、手机、数码相机等纤巧产品大量上市,为了节省电能,除了应用高效率的电源管理IC外,还需要多个负载开关,并由微处理器进行控制组成负载管理(在不同的工作状态时,给有用的负载供电,将不用的负载统统关断)。图6就是一种负载管理的结构示意图。在图中,电源管理IC有5路输出(3路DC/DC转换器、2路LDO)。DC/DC1的输出供3个并联的负载1~负载3。为了控制负载1~3的通电或断电,在DC/DC1与3个负载之间加接了3个负载开关(负载开关1~3),其控制端接微处理器I/O口,由微处理器控制其通、断来实现负载管理。
作者:北京航空航天大学 方佩敏 来源:今日电子
上一篇:局域网交换机的内部结构和主要技术
下一篇:软交换
大网
三种
网方式技术探讨


