- 易迪拓培训,专注于微波、射频、天线设计工程师的培养
负载开关的发展概况

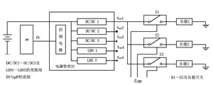
图6 负载管理结构拓扑
负载开关增加电流限制功能后,可用作计算机外设供电端口(USB),并且可做成热插拔电源插座,也可做成功率分配开关。

图7 输出限制电流可调节的USB端口电路
图7是一种输出限制电流可调节的USB端口电路。该电路由MIC2008作功率分配开关,由USB控制器对功率分配开关实现控制。限定的电流由外设电阻R来设定(限制电流范围为0.2~2.0A)。该功率分配开关的输出电压上升率(启动时间)可由外设电容C来设定,内部有过热保护及输入电压过低时输出锁存保护。
典型负载开关简介
近年来,FAIRCHILD公司、ANALOGIC TECH公司、MICREL公司等相继开发出多种新型负载开关。由于这些负载开关功能较全,所以被称为"全接触"或"智能开关"。这里简单地介绍FAIRCHILD公司的FPF2163/4/5及ANALOGIC TECH公司的AAT4297负载开关。
1 FPF2163/4/5系列
FPF2163/4/5系列负载开关是一种输出电流可设定的多功能负载开关。该系列主要特点:输入电压1.8~5.5V;限定电流可设定范围为0.15~1.5A;输入电压低于阈值电压时,输出锁存(UVLO);有过热关闭;静态电流最大值为77μA(典型值),开关关断时耗电小于2μA;发生欠压锁存、过热、过流故障时,有故障信号输出;开关关断时无反向电流;小尺寸FET-6封装(2mm×2mm);工作温度范围-40~+85℃。
FPF2163、FPF2164、FPF2165在功能上有一些差别,如表1所示。用户可根据产品的要求选择。

该系列负载开关主要用于PDA、手机、GPS、MP3播放器、数码相机、外设端口及热插拔电源等。FPF2164可用作"电子保险丝"。

图8 FPF2163/4/5引脚排列
该系列引脚排列如图8所示,其典型应用电路如图9所示。

图9 FPF2163/4/5典型应用电路
在图9中,输入电容CIN为1μF,输出电容COUT为0.1μF,10kΩ为故障信号输出的上拉电阻(内部为开漏输出结构),RSET为限流设定电阻,设定的限流电流ILIM与RSET的关系为:
RSET=275.6/ILIM
式中,RSET的单位为Ω,ILIM的单位为A。设定的限制电流有一定的允差,允差范围为±25%。
在ON端加逻辑高电平(VIN=1.8V时>0.8V,VIN=5.5V时>1.4V)时开关导通;在ON端加逻辑低电平(VIN =1.8V时<0.5V,VIN=5.5V时<1V)时,开关关断。
2 AAT4297
AAT4297是一种用于手机控制LED的负载开关。在手机中有不少LED,它们用作单色或彩色LCD显示屏的背光照明、键盘的照明及相机的LED闪光灯。有一些双显示屏的副屏及键盘的背光可以改变其颜色以满足客户的不同喜爱。这一些LED的不同工作状态可采用一种新型控制LED的负载开关进行管理,这就是AAT4297。它除用于手机外,还可以用于多路小功率负载开关、个人通信装置及其他便携式电子产品的负载管理。
该器件主要特点:输入电压范围为1.8~5.5V;内部有6个低端N沟通MOSFET开关,每个开关都是独立的;可采用单个串行控制线(S2C线)对各个开关实现通、断控制;静态电流少,典型值为3μA;每个开关可驱动208mA;无须其他外围元件;12引脚TSOP封装;工作温度范围-40~+85℃。

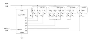
图10 AAT4297的引脚框图
该器件的结构框图如图10所示。EN/SET为使能/开关选择端,与μP的串行口连接,输入6位数字信号(000000~111111)后置高电平,可实现6个开关64种不同的通、断状态。VCC输入 1.8~5.5V电压,S1~S6为各开关的漏极(开漏输出结构),外接LED负载。如果输入6位数字信号都是1后置高,外接6个LED(LED1~LED6)都亮;若输入的数字信号是010011,则LED1、LED3、LED4灭,LED5、LED6亮,当EN/SET端入信号由高电平变成低电平时,则所有亮的LED都灭。

图11 AAT4297典型应用电路
其典型应用电路如图11所示。S1~S3接三基色(RGB)LED,RR、RG、RB、为各色LED的限流电阻。利用红、绿、蓝三种不同发光颜色的组合,可以产生7种不同的颜色。例如,红、绿、蓝三种LED以一定的发光强度亮时,可产生白光;红、绿两LED亮时可产生橙色光。如果有需要也可并接多个RGB LED。S4接D1~D4白光LED,它用作彩色主显示屏背光照明,S6接闪光灯LED,作相机闪光灯用。
根据手机的不同工作状态,由μP向EW/SET输入不同的数字信号,可实现LED的负载管理。数字信号的频率可高达1MHz。利用输入EN/SET信号使LED亮的时间与灭的时间交替进行,改变亮、灭的时间,可以实现LED亮度调节。
从图11看出,仅用μP一条串行控制线就可以对所有LED负载实现管理,并可改变背光颜色及调节亮度,这个LED负载开关器件的功能及性能是很不错的,它是时尚手机中常用的负载管理IC。
上一篇:局域网交换机的内部结构和主要技术
下一篇:软交换
大网
三种
网方式技术探讨


