- 易迪拓培训,专注于微波、射频、天线设计工程师的培养
开关电源的冲击电流控制方法
1. 引言
开关电源的输入一般有滤波器来减小电源反馈到输入的纹波,输入滤波器一般有电容和电感组成∏形滤波器,图1. 和图2. 分别为典型的AC/DC电源输入电路和DC/DC电源输入电路
由于电容器在瞬态时可以看成是短路的,当开关电源上电时,会产生非常大的冲击电流,冲击电流的幅度要比稳态工作电流大很多,如对冲击电流不加以限制,不但会烧坏保险丝,烧毁接插件,还会由于共同输入阻抗而干扰附近的电器设备。

欧洲电信标准协会(the European Telecommunications Standards Institute)对用于通信系统的开关电源的冲击电流大小做了规定,图3为通信系统用AC/DC电源供电时的最大冲击电流限值[4],图4为通信系统在DC/DC电源供电,标称输入电压和最大输出负载时的最大冲击电流限值[5]。图中It为冲击电流的瞬态值,Im为稳态工作电流。

图3. 通信系统的最大冲击电流限值(AC/DC电源)

图4. 通信系统在标称输入电压和最大输出负载时的冲击电流限值(DC/DC电源)
冲击电流的大小由很多因素决定,如输入电压大小,输入电线阻抗,电源内部输入电感及等效阻抗,输入电容等效串连阻抗等。这些参数根据不同的电源系统和布局不同而不同,很难进行估算,最精确的方法是在实际应用中测量冲击电流的大小。在测量冲击电流时,不能因引入传感器而改变冲击电流的大小,推荐用的传感器为霍尔传感器。
2. AC/DC开关电源的冲击电流限制方法
2.1 串连电阻法
对于小功率开关电源,可以用象图5的串连电阻法。如果电阻选得大,冲击电流就小,但在电阻上的功耗就大,所以必须选择折衷的电阻值,使冲击电流和电阻上的功耗都在允许的范围之内。
串连在电路上的电阻必须能承受在开机时的高电压和大电流,大额定电流的电阻在这种应用中比较适合,常用的为线绕电阻,但在高湿度的环境下,则不要用线绕电阻。因线绕电阻在高湿度环境下,瞬态热应力和绕线的膨胀会降低保护层的作用,会因湿气入侵而引起电阻损坏。
图5所示为冲击电流限制电阻的通常位置,对于110V、220V双电压输入电路,应该在R1和R2位置放两个电阻,这样在110V输入连接线连接时和220V输入连接线断开时的冲击电流一样大。对于单输入电压电路,应该在R3位置放电阻。

图5. 串连电阻法冲击电流控制电路(适用于桥式整流和倍压电路,其冲击电流相同)
2.2 热敏电阻法
在小功率开关电源中,负温度系数热敏电阻(NTC)常用在图5中R1,R2,R3位置。在开关电源第一次启动时,NTC的电阻值很大,可限制冲击电流,随着NTC的自身发热,其电阻值变小,使其在工作状态时的功耗减小。
用热敏电阻法也由缺点,当第一次启动后,热敏电阻要过一会儿才到达其工作状态电阻值,如果这时的输入电压在电源可以工作的最小值附近,刚启动时由于热敏电阻阻值还较大,它的压降较大,电源就可能工作在打嗝状态。另外,当开关电源关掉后,热敏电阻需要一段冷却时间来将阻值升高到常温态以备下一次启动,冷却时间根据器件、安装方式、环境温度的不同而不同,一般为1分钟。如果开关电源关掉后马上开启,热敏电阻还没有变冷,这时对冲击电流失去限制作用,这就是在使用这种方法控制冲击电流的电源不允许在关掉后马上开启的原因。
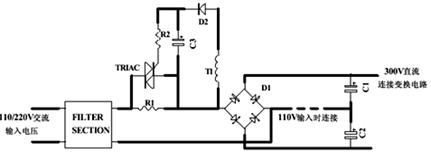
2.3 有源冲击电流限制法
对于大功率开关电源,冲击电流限制器件在正常工作时应该短路,这样可以减小冲击电流限制器件的功耗。
在图6中,选择R1作为启动电阻,在启动后用可控硅将R1旁路,因在这种冲击电流限制电路中的电阻R1可以选得很大,通常不需要改变110V输入倍压和220V输入时的电阻值。在图6中所画为双向可控硅,也可以用晶闸管或继电器将其替代。

图6. 有源冲击电流限制电路 (桥式整流时的冲击电流大)
来源:电子设计技术论坛
上一篇:在电信系统中实现热插拔电源的设计方法
下一篇:详解网络摄像机的带宽占用


