- 易迪拓培训,专注于微波、射频、天线设计工程师的培养
采用UC3846实现交错并联控制
0 引言
变换器若能实现并联模块的交错运行,就可以减小总的电压和电流纹渡以及电磁干扰。因此,随着电子信息技术的发展。交错并联供电方式在通信电源、航空等领域中应用的越来越广泛。为此,本文在采用UC3846为控制芯片时,通过使用晶振、反相器和脉冲计数器来共同产生振荡频率。从而在两路电源并行工作时很好地解决了交错并联时的同步问题。
l UC3846的结构功能
UC3846采用标准双列直插式16引脚(DIP—16)封装。其内部结构框图如图l所示。

UC3846有16个引脚。各引脚的功能如下:
脚l:限流电平设置端;
脚2:基准电压输出端;
脚3:电流检测放大器的反相输入端;
脚4:电流检测放大器的同相输人端;
脚5:误差放大器的同相输入端;
脚6:误差放大器的反相输入端;
脚7:误差放大器反馈补偿;
脚8:振荡器的外接电容端;
脚9:振荡器的外接电阻端;
脚10:同步端;
脚Il:PWM脉冲的A输出端;
脚12:地;
脚13:集电极电源端;
脚14:PwM脉冲的B输出端;
脚15:控制电源输入端;
脚16:关闭端。
UC3846的振荡器频率由外接阻容Rt、CT决定(9脚、8脚)。CT的充电电流由恒流源所提供。振荡器的工作频率可按下式近似计算:

式中,Rt一般在1~500 kΩ之间。为了减小噪声对晶振电容的影响,CT应选择大于100 pF的电容。为了防止两路开关管的互通,还要设定两路输出都关断的"死区时间"。CT上的电压为一个锯齿波.其下降时间即为死区时间,其死区可设置时间为:

式中,CT增大,锯齿波下降时间(即死区时间)随着增大。
2逻辑器件选择与电路设计
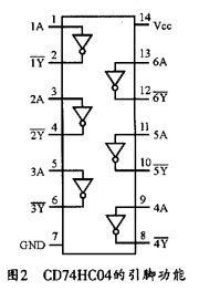
反相器CD74HC04的引脚及功能图如图2所示。脉冲计数器74Hc4024的引脚排列如图3所示。图4所示是其功能逻辑结构图。



来源:电子元器件应用
上一篇:东部华侨城网络建设
下一篇:基于串联模式的24V转75V升压电源的设计


