- 易迪拓培训,专注于微波、射频、天线设计工程师的培养
航空交流供电测试系统信号源的设计
摘要:针对航空交流供电系统设备冷台调试技术的研究,本文对测试系统主要组成部分之一的发电机交流信号源的设计进行了较为详细的论述,主要介绍了其硬件基本构成。本系统采用模块化设计与总线结构,扩展性与可维护性较好。可根据需要调整并应用于其他测试系统。有良好的使用发展空间。
一、引言
随着飞机供电系统的发展,交流供电已经成为目前大多数飞机的主要供电方式。目前各 *仍延续着传统"变频器—发电机—拖动台"方式的热台调试技术。其缺点是投资大,修 理成本高,能源消耗大,操作繁杂。针对以上热台调试技术的缺点,我们进行了对航空交流 供电系统冷台调试技术的研究。本文所介绍的信号源,是为冷台调试系统供电以及提供检测 信号的环节。
二、信号源主要模拟信号 在研究过程中,根据航空交流供电系统和调试工艺的要求,确定系统主要模拟的信号如 下:
发电机输出三相电压信号:频率、电压可调的三相交流信号:360-440Hz/100-300V,功 率<200VA,调节精度:频率步长≤0.1Hz,电压0.1V。
网上电压信号:频率、电压可调的单相交流信号:360-440Hz/0-120V,功率<100VA,调 节精度:频率步长≤0.1Hz,电压0.1V。
副激磁机信号:频率、电压可调的三相交流信号:700-800Hz/0-60V,功率<300VA,调 节精度:频率步长≤0.2Hz,电压0.1V。
无功电流均衡信号:与发电机输出电压信号的某一相相同或反向。0-30V,功率<30VA, 精度:电压调节≥0.1V。
有功电流均衡信号:与发电机输出电压信号的某一相相同或反向。精度:电压调节≥ 0.1V。
发电机及其馈线短路信号:与发电机输出电压信号的某一相相同或反向。功率<30VA。
三、系统硬件构成
1、设计思想
在供电系统测试中系统输出电源与发电机实际输出相比要求波形失真度小,频率改变时 系统能快速稳定。从设计要求的角度出发,本系统使用了512 个样点来构成正弦信号的一个 周期波形;在功放环节采用了甲乙类互补功率放大;在频率合成部分使用锁相技术保证频率的稳定。系统流程图见图1。

单片机是系统的核心组成部分,通过串口与工控机通讯,接受工控机发送的调频、调相 和调幅信息,经过数据处理后控制分频器产生51.2Hz 的频率基准信号,送入频率合成器后 经锁相和锁频,得到频率为F=n×51.2Hz 的稳定的频率信号,此信号输入循环计数器产生 地址信号,在加法器中与相位控制信号合成,使信号相位可调。经波形存储器,取出正弦波 形数据。由D/A 转换电路转化为正弦交流供电信号。通过乘法器使输出信号幅值可调,然 后经功率放大器进行幅值和电流放大,产生频率、相位、幅值可调的三相交流信号。
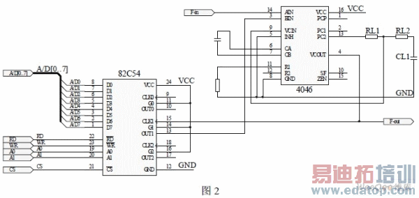
2、频率合成器
频率合成器由 8254 定时/计数器,4046 锁相环组成。电路实现如图2。

4046 有2 个相位比较通道,通道1 是或门结构网络,通道2 是边沿触发数字存储器网 络。通道1 用于占空比为50%的信号比较,通道2 则无此限制。本系统使用了4046 的2 通 道。由RL1、RL2 和电容C 组成的低通滤波器的参数决定了VCO 产生的频率范围,本系统 RL1、RL2、C 分别为150K、16K 和1μ。VCO 所产生的频率范围为180~620Hz。
由 1.8432MHz 的晶振进行36000 分频后产生的51.2Hz 频率信号F-in,与8254 的1 通 道分频后的频率信号进行比较,输出频率相差电压信号从PC2 管脚引出,经低通滤波器至 VCO,产生中心频率为F-out 的振荡信号。F-out 经8254 进行n 分频后产生比较信号。频率 稳定后的F-out 输出至循环地址产生器得到波形地址。
由 4046 的原理可知频率锁定后的F-out=51.2×n。
来源:维库开发网


