- 易迪拓培训,专注于微波、射频、天线设计工程师的培养
航空交流供电测试系统信号源的设计
3、循环地址产生器与波形存储器
循环地址产生器由 4526 二进制计数器实现。F-out 频率的信号接入4526 的CLK 端, F-out 的频率即是计数器的计数频率,计数器产生的12 位计数数据在4008 中与单片机发出 的相位控制信号相加,所得的12 位数据作为波形地址发送给由27256EPROM 构成的波形存储器,读取波形数据,本信号系统使用正弦波形,一个周期的波形数据分为512 个点存储。 因此,输出的交流信号的频率为:
F=F-out/512=n×51.2/512=0.1n
改变n 的值,就可以获得不同频率的信号。改变波形存储器中波形数据可产生不同形状 的波形,也可以通过增加存储波形数据来改善信号的波形。
4、D/A 转换及乘法电路
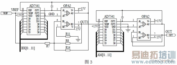
D/A 电路单元由DA 转换和模拟乘法器两部分构成,均由由AD7541 和opa27 运算放大 器实现。具体电路见图3。

电路中,AD7541 与运放OPA27 之间采用了单级二元运算的连接方式。左半部分为D/A 转换电路,右半部分为模拟乘法电路。D/A 电路将波形数据转换为带有直流成分的单级正弦 波模拟信号。根据AD7541 芯片此连接方式的运算公式,得到经D/A 转换后的信号为:
Vout1=-VREF×(1-BX/212)
BX 为波形存储器输出的波形数字量信号。
本系统中,VREF 设定为10V,所以经D/A 转换后的得到的正弦信号为Vout1=10sin(wt)。此信号直接接至乘法器的参考端,与单片机的控制信号AM 相乘,可得到幅值可调节的交流正弦信号。转换公式为:
Vout=VREF× (1-BX/212)×(1-AM/ 212)
因此,可以通过改变AM 的数值来调整输出交流信号的幅值。即Vout=AM×10sin(wt)。
5、功放系统
功放系统分为幅值放大和电流放大两部分,分别由运算放大器和甲乙类互补功率放大器 实现。电路连接如图4。

因为D/A 电路输出信号是具有直流成分的正弦信号,为了得到双极性正弦信号,在放大器的输入端,使用电容C1 滤去直流分量。由运放的原理可得:
Uoutput/Uinput=(R2+R3)/R2
Uinput 是过滤了直流分量的正弦信号幅值,因此,通过调整R3 与R2 的电阻值,可以放大 信号幅值并可根据需要改变放大倍数。
在电流放大部分使用甲乙类互补功率放大器,减小了信号的交越失真,保证了放大后的 信号波形的完整。使用达林顿管作为单体放大单元,提高输入阻抗。在功率不足以满足系统 需求时,可以并联使用以进一步增大功率放大倍数。
四、系统软件简介
本系统与配套工控机配合使用,由工控机通过串行接口对本信号源系统进行控制。工控 机部分的程序由Visual Basic 编写,信号系统程序以WAV6000 为开发平台,由汇编语言编 写。
由工控机发给单片机的命令为 2 进制数,一条命令由3 字节组成,连续发送两次。单片 机正确收到并校验后,返回命令00H,否则返回FFH。如果没有正确收到,0.5 秒后才能重 发。其数据格式如表1。

从数据格式可以看出,单片机依据据命令的首字节决定进行的处理动作。第二和第三字 节为具体控制数据。根据此格式,可以方便地进行系统的功能扩展。
五、结束语
本信号源系统电源电压、频率、相位以及波形形状可以根据实际情况由单片机进行调整。 具备体积小、重量轻、使用方便等优点。在使用过程中系统运行可靠,输出电源信号各参数 达到系统设计要求。且已经通过了技术鉴定并在其它测试领域得到较好的应用。良好的可扩 展性与性价比增加了其使用空间。
来源:维库开发网

