- 易迪拓培训,专注于微波、射频、天线设计工程师的培养
基于PlCl6LF874单片机的电容测试电路设计

4 系统软件功能的实现
基于PS021设计的应用软件包括检测、控制、数据处理、数据库管理和系统界面等程序。在程序运行速度和存储容量许可的条件下,尽量用软件实现传统仪器系统的硬件功能,简化硬件配置。此外,界面是测试系统和虚拟仪器的"窗口",是系统显示功能信息的主要途径。软件设计不仅要实现功能,而且要界面美观。在确定测试系统的硬件平台后,关键是选择合适的软件开发工具编写相应的应用软件。以图形化编程语言开发该测试模块。该开发环境能提供一个集成的开发环境,与仪器硬件连接方便,具有良好的用户界面。根据上位机应用程序设计的原理,得到测试系统的软件,通过在软件的主界面设置一些参数,硬件电路和上位机相连,就能显示测量结果。测量结果在数据显示界面显示,如图4所示。

5 试验与结果
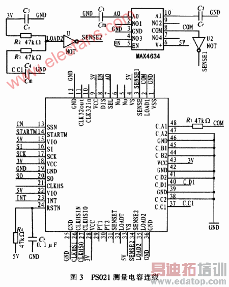
运用上述软件测量。在测量之前,必须对测量系统进行标定,标定时PS02l要求参考电容Cref与被测电容Cmeas在同一电容值范围,即确保 Cmeas/Cref比率不会超过25%(PS02l的极限值)。参考电容是一个非常重要的部分,对于测量的质量以及测量的温度稳定性有直接的影响。推荐的电容材料:CFCAP(太阳诱电Taiyo Yuden公司的多层陶瓷电容)系列,COG或者NPO陶瓷电容。放电电阻Rdis与放电时间密切相关,放电时间τ=0.7R(C+20 pF),时间常数τ范围为2~10μs(推荐5μs)。根据公式计算之放电电阻阻值。
试验中,分别选取1、2、3、5.1、6.8、8.2、9.1、12、13、15、16.5、18 pF的固定电容作为被测电容。根据被测电容的范围确定参考电容的大小,然后根据被测电容和参考电容值,并结合放电时间来确定放电电阻阻值,最后选择适当的测量模式进行测量。在标定好的系统下,在参考端和被测端分别接一只参考电容,此时在数据显示界面显示的值为参考电容值以及寄生电容值的和(图3中 Sensor l显示的数据);然后在被测端参考电容的基础上再并联被测电容,此时测得的数据为被测电容值、参考电容值以及寄生电容值的总和,以上两步所测值相减就是被测的电容值,最后得到的被测电容值统计如表l所示。

表1反映了被测电容测量值和标称值之间的相对误差,同时也得知被测电容电容值越大,测量值和标称值相对误差越小。由于被测电容受到环境温度、焊锡量多少以及被测电容质量等因素的影响,存在一定的误差。通过多次测量进行平均,以获取更稳定的电容值。在标定好的系统下,对固定电容进行测量来验证测量模块的精确度,测量值和标称值非常接近,可认为被测电容标称值误差较小,进一步得知电容测量模块测量精度较高。
6 结束语
PlCl6LF874单片机能够很好的控制电容测量模块,对研究电容式传感器有很好的促进作用,该单片机简化了电路设计,使测量结果达到较高的精度;同时这种测量模块可以减小电路板的体积,从而减小整个装置的体积;大大简化了电路设计过程、降低产品的开发难度、对加速产品的研制、降低生产成本具有非常重要的意义。实验结果证明,此测量模块具有较好的实用性。
上一篇:移动网间号码携带业务受理体系通信机制
下一篇:告别传统语音


