- 易迪拓培训,专注于微波、射频、天线设计工程师的培养
LM324四运放集成电路在各种电路中的应用
交流信号三分配放大器
此电路可将输入交流信号分成三路输出,三路信号可分别用作指示、控制、分析等用途。而对信号源的影响极小。因运放Ai 输入电阻高,运放 A1-A4 均把输出端直接接到负输入端,信号输入至正输入端,相当于同相放大状态时 Rf=0 的情况,故各放大器电 压放大倍数均为 1 ,与分立元件组成的射极跟随器作用相同

R1、R2组成1/2V+偏置,静态时A1输出端电压为1/2V+,故运放A2-A4输出端亦为1/2V+,通过输入输出电容的隔直作用,取出交流信号。
有源带通滤波器
许多音响装置的频谱分析器均使用此电路作为带通滤波器,以选出各个不同频段的信号,在显示上利用发光二极管点亮的多少来指示出信号幅度的大小。这种有源带通滤波器的中心频率 ,在中心频率fo处的电压增益Ao=B3/2B1,品质因数 ,3dB带宽B=1/(п*R3*C)也可根据设计确定的Q、fo、Ao值,去求出带通滤波器的各元件参数值。
R1=Q/(2пfoAoC),R2=Q/((2Q2-Ao)*2пfoC),R3=2Q/(2пfoC)。
上式中,当fo=1KHz时,C取0.01Uf。此电路亦可用于一般的选频放大。

此电路亦可使用单电源,只需将运放正输入端偏置在1/2V+并将电阻R2下端接到运放正输入端既可。
比较器
当去掉运放的反馈电阻时,或者说反馈电阻趋于无穷大时(即开环状态),理论上认为运放的开环放大倍数也为无穷大(实际上是很大,如LM324运放开环放大倍数为100dB,既10万倍)。此时运放便形成一个电压比较器,其输出如不是高电平(V+),就是低电平(V-或接地)。当正输入端电压高于负输入端电压时,运放输出低电平。

附图中使用两个运放组成一个电压上下限比较器,电阻R1、R1ˊ组成分压电路,为运放A1设定比较电平U1;电阻R2、R2ˊ组成分压电路,为运放A2设定比较电平U2。输入电压U1同时加到A1的正输入端和A2的负输入端之间,当Ui >U1时,运放A1输出高电平;当Ui 会点亮。
若选择U1>U2,则当输入电压Ui越出[U2,U1]区间范围时,LED点亮,这便是一个电压双限指示器。
若选择U2 > U1,则当输入电压在[U2,U1]区间范围时,LED点亮,这是一个"窗口"电压指示器。
此电路与各类传感器配合使用,稍加变通,便可用于各种物理量的双限检测、短路、断路报警等。
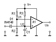
单稳态触发器
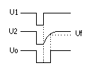
见附图5。此电路可用在一些自动控制系统中。电阻R1、R2组成分压电路,为运放A1负输入端提供偏置电压U1,作为比较电压基准。静态时,电容C1充电完毕,运放A1正输入端电压U2等于电源电压V+,故A1输出高电平。当输入电压Ui变为低电平时,二极管D1导通,电容C1通过D1迅速放电,使U2突然降至地电平,此时因为U1>U2,故运放A1输出低电平。当输入电压变高时,二极管D1截止,电源电压R3给电容C1充电,当C1上充电电压大于U1时,既U2>U1,A1输出又变为高电平,从而结束了一次单稳触发。显然,提高U1或增大R2、C1的数值,都会使单稳延时时间增长,反之则缩短。


图 5 图 6
如果将二极管D1去掉,则此电路具有加电延时功能。刚加电时,U1>U2,运放A1输出低电平,随着电容C1不断充电,U2不断升高,当U2>U1时,A1输出才变为高电平。参考图6。


