- 易迪拓培训,专注于微波、射频、天线设计工程师的培养
基于嵌入式ARM9的USB设计与实现
录入:edatop.com 点击:
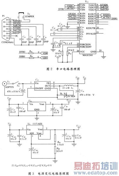
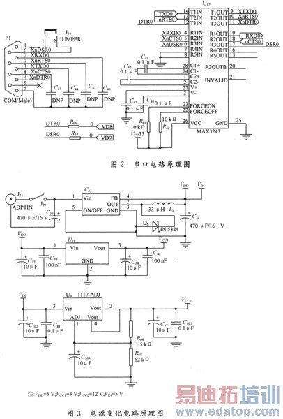
2.3 电源电路
由于S3C2440A芯片的管脚对电压提出了不同要求,所以需要完成电源的变压,其原理如图3所示。
3 驱动程序的研究
按USB接口,其设备结构可分为USB Host(主机)和USB Device(外部设备)。USB主机控制USB设备进行通信,而主机与主机之间,或USB设备与USB设备之间是不能通信的。
3.1 USB主机
USB主机的功能通常包含以下几个部分:验证USB设备是否安插好或拔除;控制USB主机与设备两者中的数据流;返回USB主机的所显状态。
USB系统软件由以下3个部分组成:主机控制器驱动(HCD)、USB驱动(USBD)、主机软件(Host Software)。主机控制器所具备的功能如表2所示。HCD和USBD包含基于不同抽象层次的软件接口,两者以一定的方式协同完成任务,用以实现USB系统的功能。它们的任务差别没有具体定义,然而HCD要具备的一项功能就是必须支持多种不同主机控制器芯片。在一些操作系统中,当系统必须实现某些基本功能时,可由Host Software实现。
3.2 USB传输类型
USB定义了4种传送类型:控制传送、同步传送、中断传送、批传送。其中,控制传送是指可靠的、非周期性的、突发的,并由主机客户软件所发起的通信,主要应用于控制命令和状态信息的传送;同步传送是指在主机和设备之间周期性的、连续的通信,一般用于传送时实信息,这种类型保留了将时间概念包含于数据的能力,但传送并不一定很紧急;中断传送是指少量数据的、低速的、周期的传送;批传送是指非周期的、大量的、可靠的传送,其典型应用在于传送那些可以利用带宽的数据。
3.3 USB设备请求
USB设备应通过缺省控制管道(Default Control Pipe)响应来自主机的请求命令。这些请求是通过使用控制传输来完成的。请求及请求的参数通过Setup包发向设备,由主机负责设置Setup包内的每个域的值。USB设备请求包含的请求类型有三种:标准、厂商和设备类。标准请求用来完成设备的枚举过程;厂商请求用来完成使用者自己定义的请求;设备类请求指的是某些特定的USB设备类所传输出的请求,例如打印机类就属于这一类。设备请求要求有严格的定义,包含的内容有类型、设备请求、值、索引和长度。
3.4 USB驱动程序结构
S3C2440A芯片支持USB1.1协议和USB 2.0协议。该设计是针对USB Host(主机,A型),并基于USB 1.1协议编写的。程序结构和数据传输的流向如图4所示。
驱动程序的编写主要分为以下几个部分考虑:硬件提取层、中断服务程序、标准设备请求和主循环。硬件提取层实现的是S3C2440A对I/O端口直接的读写操作;中断服务程序处理各种中断,包括总线任务上的请求;标准设备请求完成主机送来的各种标准请求,用于完成各种枚举请求;而主循环则负责完成前台的数据采集等工作,所有的任务结束后都要回到主循环上去。
4 结 语
该设计采用三星公司ARM9的S3C2440A芯片作为CPU,比原来基于单片机的模式,外围电路简单,容易可靠地实现嵌入式终端的USB接口功能。在调试中,用到的嵌入式开发板GEC2440A套件还提供了串口工具DNW。用这一工具可以检测驱动程序的正确与否,如:程序编写无误,则DNW串口会提示"USB IS CONNECT"。由于S3C2440A芯片功能丰富,如处理器可提高运算速度,LCD可人机交互,网口可连接因特网,所以开发出的嵌入式终端不但可提升整体性能,还为日后的应用奠定了基础。
由于S3C2440A芯片的管脚对电压提出了不同要求,所以需要完成电源的变压,其原理如图3所示。
3 驱动程序的研究
按USB接口,其设备结构可分为USB Host(主机)和USB Device(外部设备)。USB主机控制USB设备进行通信,而主机与主机之间,或USB设备与USB设备之间是不能通信的。
3.1 USB主机
USB主机的功能通常包含以下几个部分:验证USB设备是否安插好或拔除;控制USB主机与设备两者中的数据流;返回USB主机的所显状态。
USB系统软件由以下3个部分组成:主机控制器驱动(HCD)、USB驱动(USBD)、主机软件(Host Software)。主机控制器所具备的功能如表2所示。HCD和USBD包含基于不同抽象层次的软件接口,两者以一定的方式协同完成任务,用以实现USB系统的功能。它们的任务差别没有具体定义,然而HCD要具备的一项功能就是必须支持多种不同主机控制器芯片。在一些操作系统中,当系统必须实现某些基本功能时,可由Host Software实现。
3.2 USB传输类型
USB定义了4种传送类型:控制传送、同步传送、中断传送、批传送。其中,控制传送是指可靠的、非周期性的、突发的,并由主机客户软件所发起的通信,主要应用于控制命令和状态信息的传送;同步传送是指在主机和设备之间周期性的、连续的通信,一般用于传送时实信息,这种类型保留了将时间概念包含于数据的能力,但传送并不一定很紧急;中断传送是指少量数据的、低速的、周期的传送;批传送是指非周期的、大量的、可靠的传送,其典型应用在于传送那些可以利用带宽的数据。
![]() |
![]() |
3.3 USB设备请求
USB设备应通过缺省控制管道(Default Control Pipe)响应来自主机的请求命令。这些请求是通过使用控制传输来完成的。请求及请求的参数通过Setup包发向设备,由主机负责设置Setup包内的每个域的值。USB设备请求包含的请求类型有三种:标准、厂商和设备类。标准请求用来完成设备的枚举过程;厂商请求用来完成使用者自己定义的请求;设备类请求指的是某些特定的USB设备类所传输出的请求,例如打印机类就属于这一类。设备请求要求有严格的定义,包含的内容有类型、设备请求、值、索引和长度。
![]() |
3.4 USB驱动程序结构
S3C2440A芯片支持USB1.1协议和USB 2.0协议。该设计是针对USB Host(主机,A型),并基于USB 1.1协议编写的。程序结构和数据传输的流向如图4所示。
驱动程序的编写主要分为以下几个部分考虑:硬件提取层、中断服务程序、标准设备请求和主循环。硬件提取层实现的是S3C2440A对I/O端口直接的读写操作;中断服务程序处理各种中断,包括总线任务上的请求;标准设备请求完成主机送来的各种标准请求,用于完成各种枚举请求;而主循环则负责完成前台的数据采集等工作,所有的任务结束后都要回到主循环上去。
4 结 语
该设计采用三星公司ARM9的S3C2440A芯片作为CPU,比原来基于单片机的模式,外围电路简单,容易可靠地实现嵌入式终端的USB接口功能。在调试中,用到的嵌入式开发板GEC2440A套件还提供了串口工具DNW。用这一工具可以检测驱动程序的正确与否,如:程序编写无误,则DNW串口会提示"USB IS CONNECT"。由于S3C2440A芯片功能丰富,如处理器可提高运算速度,LCD可人机交互,网口可连接因特网,所以开发出的嵌入式终端不但可提升整体性能,还为日后的应用奠定了基础。
上一篇:TD为无线城市提供理想运营模式
下一篇:电视、手机、电脑“三屏互动”





