- 易迪拓培训,专注于微波、射频、天线设计工程师的培养
5V 直流电机
录入:edatop.com 点击:
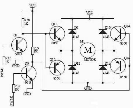
我根据这个图接了电路,可是不知怎么,电路一上电工作D12(4148)就发热得,烫手,什么原因呢

是不是什么原件坏了,搞了一天都没头绪
要用IN4007才行IN4148电流比较小
上一篇:WiMAX与Wi-Fi的区别
下一篇:无线通讯屏蔽测试设备


