- 易迪拓培训,专注于微波、射频、天线设计工程师的培养
低速GPIO尝试--操作文件点亮LED灯
录入:edatop.com 点击:
小编好久没有出现了,因为最近事情比较多,抽空发一篇
本篇介绍在Debian下使用低速GPIO点亮LED灯,以下操作都需要再root权限下,所以需要从root登录,怎样切换到root的上帝模式,隔壁大哥介绍的很清楚啦,我就不多做介绍了。下面就来介绍一下怎样操作。
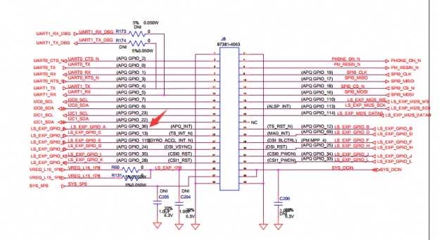
首先,需要看一下开发板的原理图,连接处的IO是处理器的哪一个管脚。
原理图连接:Schematics_DragonBoard.pdf(930.44 KB, 下载次数: 6)
2016-8-30 19:46 上传
点击文件名下载附件在原理图中我选择了GPIOA,看下图

可以看出这是在J8的排针上的,选择了这个IO口在图中的标号是LS_EXP_GPIO_A对应的是APQ_GPIO_36。
接着如图所示,连接硬件电路。

在桌面上点击ctrl+alt+F1,用root登录。
输入命令
- cd /sys/class/gpio

接着输入命令
- echo 36 > export
- su
- ls
- cd gpio36
- ls
首先设置IO为输出,再输出高电平就可以点亮LED灯
- echo out > direction
- echo 1 > value

可以看到LED灯已经被点亮
其他GPIO口对应引脚如图

可以在硬件相关文档中查找到,连接:HardwareManual_DragonBoard.pdf(1.79 MB, 下载次数: 2)
2016-8-30 20:02 上传
点击文件名下载附件 
不错,顶一个!
上一篇:cc3200 UDP同一个socket发送可以,接收失败?
下一篇:无线AP、WiFi、WLAN的区别,你真的懂吗?


