- 易迪拓培训,专注于微波、射频、天线设计工程师的培养
30种“无电源收音机”电路集锦
"无电源收音机"已经有了很悠久的历史。最早叫矿石收音机(使用铅锌矿石检波),虽然它十分简陋,但在无线电的发展历史上占有一席之地,就是现在也仍然是青少年无线电爱好者的入门途径,在培养兴趣,熟悉基本原理,锻炼制作技巧等方面有无可取代的优越性。
无电源收音机不是不消耗电能,而是不需配备电源。它工作消耗的电能也来源于天线,天线的优劣决定了接收效果。良好的室外天线,采用铜或铜绞线,从强度考虑直径应大于4mm,高出屋顶10米,倒L时水平长度20米,二端用瓷绝缘子,引下线和墙窗有良好绝缘,本地台功率强,距离近时天线可以简化,同时也要有良好的地线,导线要粗,接地电阻要小,深埋达到冬天冻土层以下。所有导线的接头最好锡焊。类似的无电源收音机,还有采用地电池的,就是用铁铜或铝铜,锌炭电极,相距10厘米埋入地下,引线也用同种金属,如果做得好,测得的空载电压大于1.8V。无源收音机所用元器件为了尽量减少损耗,应该有所选择。用于绕制线圈的铜线要尽量用粗线(或多股合线);各种支持物骨架使用有机玻璃;电容要用高频瓷片;电解用钽质;耳机用高阻抗式;可变电容用空气式;凡是二极管均用锗2AP3、2AP9;三极管选用PNP高频管3AG14或3AG80E等。制作工艺的要点是使用环氧或有机玻璃安装板,连线争取尽量短和粗,必须锡焊等,下面用具体的电路来展示无电源收音机的发展轨迹。
1、最简单的不调谐检波式,形同矿石收音机,只是用二极管代替了矿石。

2、抽动磁棒来改变线圈电感量以调谐电台。天线对地的分布电容等效为谐振电容。

3、用选择开关改变线圈抽头的办法和天线分布电容组成谐振回路来调谐电台,电容C是高频旁路电容。

4、使用可变电容调谐,更均匀细致,天线和检波的抽头使回路达到匹配。

5、天线和检波同时用选择开关,可达到最佳匹配。

6、双回路调谐电路,使选择性大为提高。

7、单调谐双回路电路,磁性天线耦合。

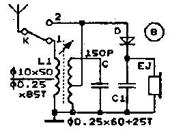
8、短磁棒耦合,两根分别调节,省去可变电容,K接1时互感耦合,接2时直接耦合。

9、双回路,调谐回路在L2。

10、三回路式,选择性最佳,L1、L2绕在同一筒上,L3另筒绕制。



