- 易迪拓培训,专注于微波、射频、天线设计工程师的培养
30种“无电源收音机”电路集锦
录入:edatop.com 点击:
21、高效全波检波,比图20增益高10dB。

22、检波和整流供电回路分离,当断开图中"X"处,使用二副天线时音量增大。

23、独立供电再生式,灵敏度、音量大为提高。

24、又一个检波整流分离独立的电路,由于采用了选择开关,改善了电路匹配。

25、再生式,由于独立电源电路采用倍压式,音量较大,数据同图23.

26、整流电路三倍压,全波检波再生式,性能更有提高,除图中标注数据余同图25.

27、二波段再生式,但要更换线圈,可设计成开关转换,C3为回输再生电容,天线串联谐振支路提供电磁能,中波时L1为Φ0.38mm、149.6T,L2为Φ0.38mm、41.3T;短波时1.5-4MHz则L1为Φ0.55mm、49.2T,L2为Φ0.55mm、11.2T;4-11MHz则L1为Φ0.72mm、18.4T,L2为Φ0.72mm、4.2T。筒径Φ20mm。

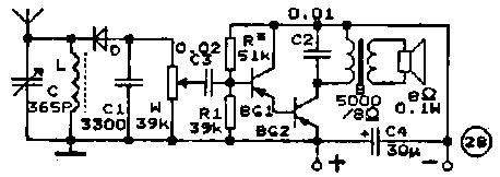
28、地电池中波收音机,可用0.1W喇叭放音,输出较大。

29、该机的特点是供电电压较高,有两个独立的整流回路串联,故输出音量较大。

30、发射机:从图中可知高频振荡是电感耦合调基极集电极电路,电源能量来源于高灵敏压电陶瓷喇叭,通过音频变压器匹配耦合,经D半波整流和高频扼流圈RFC后给出,话音信频在发射极调制,选择C和L参数,使高频载波在中波高频,就可用中波收音机接收。



