- 易迪拓培训,专注于微波、射频、天线设计工程师的培养
TVS在便携电子设备ESD保护方案中的应用
ESD的作用原理分为以下四类:
(1) 人体放电模型(HBM)
人体放电模型(HBM)的ESD是指因人体在地上走动磨擦或其它因素在人体上已累积了静电,当此人去碰触到元器件时,人体上的静电便会经由元器件的引脚(pin)而进入其内部,再经由引脚放电到地去。
(2) 机器放电模型(MM)
机器放电模型的ESD是指机器(例如机械手臂)本身累积了静电,当此机器去碰触到元器件时,该静电便经由引脚放电。图1所示为机器放电模型(MM)的工业标准测试等效电路。

图1: 机器放电模型(MM)的工业标准测试等效电路
(3) 组件放电模型(CDM)
组件放电模型是指元器件先因磨擦或其它因素而在其内部累积了静电,但在静电累积的过程中元器件并未被损伤。此带有静电的元器件在处理过程中,当其管脚去碰触到接地面时, 内部的静电便会经由管脚自内部释放,而造成了放电的现象。图2所示为CDM静电放电可能发生的情形。

图2: CDM静电放电可能发生的情形
(4) 电场感应模型(FIM)
当元器件经过一电场时,其相对极性的电荷可能会自一些引脚排放掉,等元器件通过电场之后,元器件本身便累积了静电荷,此静电荷会以类似组件充电模型的方式释放出来。
ESD可造成的危害主要包括损坏电子产品及设备;降低电子产品可靠性;威胁人身安全。目前ESD的检测标准主要有:
1、国际电工委员会(IEC)标准:IEC61000-4-2(ESD)15KV(空气), 8KV(接触)
2、国家标准(GB):GB/T 17626.2.1998
TVS的工作原理
TVS (瞬态拟制二极管)是一种用来保护敏感半导体器件和集成电路、使其免遭瞬态电压浪涌损坏而特别设计的固态半导体器件。TVS器件的工作原理是,在应用条件下,当TVS承受瞬变电压超过其击穿电压时,其导通电阻很小,允许大电流通过,并将电压箝位到预定水平,从而起到保护作用。图3是双向TVS I-V特性曲线以及单向TVS I-V特性曲线。

图3(a):双向TVS I-V特性曲线 图3(b):单向TVS I-V特性曲线。
TVS器件是目前性能最好的ESD保护器件,其主要优点包括箝位系数小、导通电阻小;体积小、易于集成;响应速度快(10-12S);可靠性高、可重复使用、自动恢复。
TVS器件的种类很多,通常可以分为:单路TVS、阵列TVS、低电容TVS以及带EMI滤波器的阵列TVS。详见表1。

表1:TVS静电保护及滤波器件分类
TVS器件的典型应用
随着集成电路工艺精度的提高,我们已经进入纳米时代(INTEL已经发布了22nm的产品),几何尺寸的缩小,集成度的提高,必然导致电路抗静电水平的降低。
随着电子工业的发展,集成电路的应用遍布了各行各业,为了保证电子产品品质和可靠性,专用ESD保护器件得到了飞速的发展和广泛的应用,TVS便是这类产品代表之作。从而也得到了广泛的应用,不论是:通讯设备(包括有线通讯设备和无线通讯终端)、手持电子终端(GPS、MP4、MP5数码相机和录像机等)、电脑(包括台式电脑、笔记本和平板电脑)及其外设、消费类电子产品,还是汽车电子、航模;都采用TVS作为其接口保护器件,大大提高了电子产品的品质和可靠性。
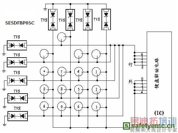
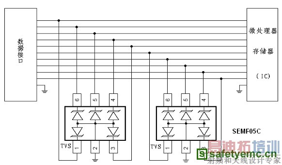
目前光宇睿芯TVS器件已广泛应用于各类便携式电子设备的ESD保护方案,图4~图9是针对手机产品的典型应用案例。其中包括手机键盘保护方案,高速数据线保护方案以及USB接口保护方案等。

图4:光宇睿芯面向手机应用的ESD/EMI保护器件系列

图5:手机键盘保护方案

图6:手机键盘保护方案

图7:高速数据线保护方案

图8:数据线的保护方案

图9:USB接口的保护方案
TVS器件选型注意事项
1、关断电压VRWM的选择。
一般关断电压要最少比电路的最高工作电压高10%。
2、 箝位电压VC的选择。
VC是指在ESD冲击状态时通过TVS的电压,它必须小于被保护电路的能承受的最大瞬态电压。
3、浪涌功率Pppm的选择。
如:600W(10/1000μs);300W(8/20μs)
4、 极间电容的选择。
被保护元器件的工作频率越高,要求TVS的电容要越小。具体选择可参照表2。

表2:器件工作频率和对TVS极间电容的要求
EMC电磁兼容设计培训套装,视频教程,让您系统学习EMC知识...
射频工程师养成培训教程套装,助您快速成为一名优秀射频工程师...
上一篇:雷击浪涌保护应用之以太网
下一篇:手机静电放电(ESD)测试及其整改措施

