- 易迪拓培训,专注于微波、射频、天线设计工程师的培养
交错并联对称半桥全波整流电路设计

如图所示,让对称半桥全波整流电路按照QSW方式工作,在所有负载范围内电感电流都从正到负变化,则可实现原边开关管在开通之前,电感电流反映到原边,流过即将开通的开关管的体二极管,实现ZVS。而且在负载突升时,输出滤波电感的等效占空比可达到100%,整个周期都会有正压加在输出滤波电感上,来提升电流;负载突降时,滤波电感的等效占空比可以为0%,整个周期都会有负压加在电感上,来降低电流。具有与单通道QSW电路相似的动态响应特性。应用交错并联技术,把两个对称半桥全波整流电路并联起来(如图2所示),取稳态占空比为0.5,可实现完全的输出电流纹波互消作用,大大减小输出滤波器 , 在负载突升和负载突降时,具有对称的快速动态响应。
图1 对称半桥全波整流电路及QSW工作波形
图2 交错并联对称半桥全波整流电路
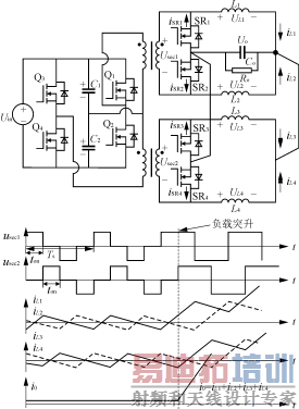
图3为对称半桥倍流整流拓扑,两个输出滤波电感的电流相位相差180°,与双通道交错并联拓扑存在相似的电感电流纹波互消作用,对应D=0.5时,可以实现完全的电流纹波互消作用(输出电流纹波为零)。在应用于负载对动态响应要求不高的场合时,可以把稳态占空比选定为0.5,从而大大减小输出滤波器的体积。但对于数据处理器这类对动态响应有较高要求的负载时,不能把0.5这一满占空比作为稳态占空比。但当D偏离0.5时,其纹波互消作用则会大大削弱,限制了输出滤波器参数的取小,降低了功率级的能量传输速度。在这种情况下利用交错并联技术,把两个对称半桥倍流整流拓扑进行交错并联,如图4所示,则可实现与四通道交错并联QSW电路相似的纹波互消作用(Dmax<0.5)此时,若把稳态占空比定在0.25,则可实现稳态时完全的纹波互消作用,输出滤波电感也可以取得很小,从而在负载突升(D:0.25→0.5)和突降(D:0.25→0)时,具有对称的快动态响应。
[p]
图3 对称半桥倍流整流拓扑
图4 交错并联对称半桥倍流整流拓扑及其原理波形
值得指出的是,这些交错并联结构的拓扑特别适合于应用磁集成技术。可采用多通道电感集成方案及电感和变压器的集成方案[7][8]。从而大大减小磁性元件所占的总体积,简化电路布局、封装设计,与分立磁性元件相比,具有显著的优越性。
EMC电磁兼容设计培训套装,视频教程,让您系统学习EMC知识...
射频工程师养成培训教程套装,助您快速成为一名优秀射频工程师...
上一篇:工控机箱的EMC设计与防护
下一篇:上亿元的LED采购规模
EMC是必然选择

