- 易迪拓培训,专注于微波、射频、天线设计工程师的培养
EMC元件:用于电动汽车的创新滤波器解决方案
随着汽车配备的电子系统越来越多,对EMC的要求也随之增加。对于电动汽车而言(xEV),由于电机逆变器额外增加了电力电子设备,其对EMC的要求更甚。TDK集团的新型滤波器解决方案的面市,为解决相关EMC问题提供外形雅致,重量轻便的解决方案。
无论是混合动力还是纯电动汽车,这些车型(xEV)装载了各种电子设备。而装载在电动车上的电子设备,无论是在质量还是技术的要求方面都远超应用于内燃机车辆的电子设备。为了满足安全性、舒适度和通信要求,电动车上的电子系统的复杂度不断增加,除此之外,电动驱动系统(包括高压电池、逆变器和至少一个电机)同样需要使用电子系统。
因此,开发这种车辆时首先要确保单个系统能够完美安装在狭小空间中,并且不会引起彼此干扰,也不会干扰影响车外系统。这些EMC要求必须严格符合CISPR 25或EU Directive ECE-R10等国际标准。
屏蔽电缆引起的EMC问题
为有效控制电机所需的功率和速度,逆变器采用的是脉宽调制(PWM)的工作模式。而脉冲上升沿或下降沿会在逆变器的输入和输出侧引起显著的EMC问题,如引发辐射发射和传导发射等问题。为了尽可能降低这些EMC问题产生的影响,绝大多数设计采用对整个系统进行完全电磁密封或屏蔽的理念进行开发。
为了节省空间并改善重量分布,各种驱动元件被分开安装在整个车内。比如电池通常放于车尾,逆变器则放置在车头。电机安装在轮轴上,对于轮毂电机则直接安装在车轮上。因此,将逆变器连接至电池,需要一根长的屏蔽电缆。然而,这样带来了极大的潜在风险,主要有三方面原因:1、很容易产生高屏蔽电流,从而引发高频区强辐射性;2、引发大幅度的电压尖峰,甚至可能损坏逆变器或电池;3、可能会通过耦合,从而干扰车辆的低压系统。
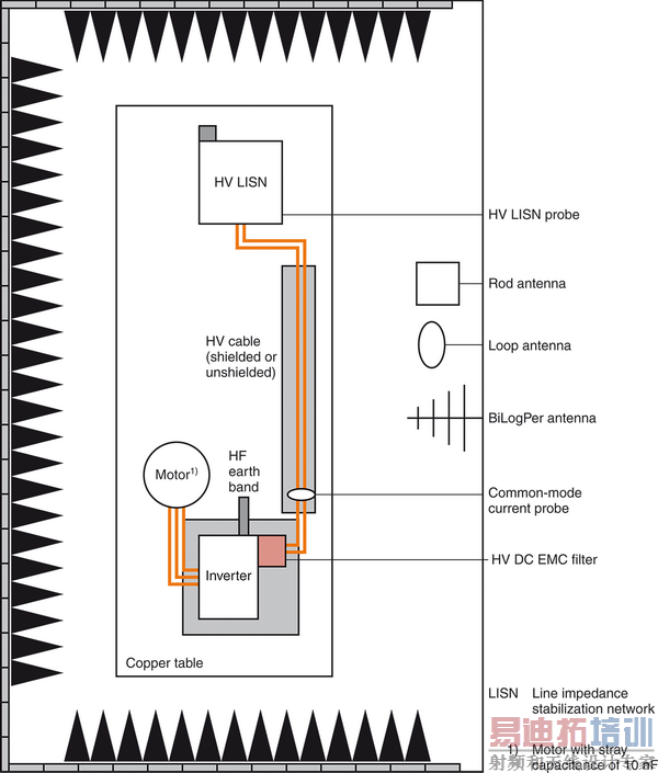
屏蔽电缆、屏蔽电池和逆变器之间的电气和机械连接还可能产生更多的问题。因此,该连接的阻抗必须极低,从而确保屏蔽的有效性。但是车辆内在振动和冲击会逐渐削弱屏蔽连接,从而引起阻抗的长期递增。此外由氧化甚至腐蚀引起的老化过程也不容忽视。图1显示了测量电力电子设备电磁发放射性的设置要求(符合CISPR 25)。
图1:根据CISPR 25设置测量

系统(电池和逆变器之间用屏蔽电缆连接)的辐射发射和传导发射性能如图2所示。
[p]图2:带有屏蔽线的发射性能


尽管在电池和逆变器之间使用屏蔽电缆可降低辐射发射(上),但并不降低传导发射(下)。
使用新型滤波器可明显改善EMC
为了满足市场上日益严格的EMC要求,TDK集团专门针对电动汽车的驱动系统应用,开发了爱普科斯(EPCOS)P100316*系列2线式高压直流滤波器。该系列专为600V DC高压应用而设计,适合高压电池提供的典型电压,其电流能力约为150A DC或350A DC,即便驱动系统的额定功率超过100kW,滤波器依然能有效。该系列滤波器具有多种型号可供选择,且所有型号的直流电阻仅为0.05m,这意味着即便在高电流情况下也不会有显著的损耗。
如图3所示,根据测试设置要求可确认该新型滤波器的卓越滤波性能。
图3:使用爱普科斯(EPCOS)高压直流滤波器后的系统发射特性


很显然:在电池和逆变器之间使用新型爱普科斯(EPCOS)EMC滤波器,即使使用非屏蔽电缆,也能显著降低传导干扰。
[p]可以看出,如果使用新型滤波器,即使使用非屏蔽电缆,传导干扰也可显著降低达70dB(或功率因数为3000),并且还能可观地减少个别系统中传统EMC元件的数量。
除了卓越的电气性能,该滤波器具备外形紧凑,重量轻便等特性,非常适合车辆应用,因而倍受客户青睐。产品的尺寸介于121mm x 52mm x 52mm和186mm x 65mm x 65mm之间,具体是型号而定。
该新型系列包括12种型号,不仅具有2种不同的电流能力(150A DC和350A DC),还具有不同的滤波特性。也就是说,客户可以更有针对性的获得解决自身EMC问题的方案,挑选适合应用要求的滤波器型号。此外,我们除了提供常规性能的型号外,还提供在长波频谱150kHz和300kHz之间具有超强滤波性能的其他型号。
延长电机寿命
高频屏蔽电流只代表了确保电磁兼容这一挑战的一部分。比如,在逆变器的输出端,脉冲上升沿会引起电压尖峰,后者会随着电缆电感值的增加而增加。一旦环境条件不利,这些电压尖峰可能引起电弧,进而损坏电机绕组。与此同时,漏地电流也会随之产生,这些电流流过电机轴承,从而引起尖峰。反过来又会损坏轴承滚珠或滚子,使其过早失效。
一个补救办法是使用铁氧体环形磁芯,使电机电缆穿过这些磁芯。这样可显著降低共模干扰和漏地电流,确保其不超过临界值。在此,TDK集团也提供了多种解决方案,如具有不同几何形状的环形磁芯和不同材料的铁氧体,且这些产品可针对特定频率区域进行优化,根据每个驱动系统量身定制。

EMC电磁兼容设计培训套装,视频教程,让您系统学习EMC知识...
射频工程师养成培训教程套装,助您快速成为一名优秀射频工程师...
上一篇:分享抑制电磁干扰的方法
下一篇:为什么应该阻止静电
放电?

