- 易迪拓培训,专注于微波、射频、天线设计工程师的培养
如何解决LED电源设计中的EMC/EMI问题
电磁兼容(EMC)是在电学中研究意外电磁能量的产生、传播和接收,以及这种能量所引起的有害影响。电磁兼容的目标是在相同环境下,涉及电磁现象的不同设备都能够正常运转,而且不对此环境中的任何设备产生难以忍受的电磁干扰之能力。习惯上说,EMC包含EMI(电磁干扰)和EMS(电磁敏感性)两个方面。
电磁干扰(EMI)是指任何在传导或电磁场伴随着电压、电流的作用而产生会降低某个装置、设备或系统的性能,或产生不良影响的电磁现象。
LED电源电磁干扰,工程师要考虑的主要方面有:电路措施、EMI滤波、元器件选择、屏蔽和印制电路板抗干扰设计等。
对于设计LED电源的工程师来说,电磁干扰问题是一直存在于设计中的一个关键问题。如何能解决这个问题?我们先来看看影响电磁兼容的几个因素。
一 影响EMC的几个因素
(1)驱动电源的电路结构
最初的LED电源就是线性电源,但是线性电源在工作时会以发热的形式损耗大量能量。线性电源的工作方式,使他从高压变低压必须有将压装置,一般的都是变压器,再经过整流输出直流电压。虽然笨重,发热量大,优点是,对外干扰小,电磁干扰小,也容易解决。
而现在使用比较多的LED开关电源,都是以 PWM形式的LED驱动电源是让功率晶体管工作在导通和关断状态。在导通时,电压低,电流大;关断时,电压高,电流小,因此功率半导体器件上所产生的损耗也很小。缺点比较明显的是,电磁干扰(EMI)也更严重。
(2)开关频率
LED电源的电磁兼容出现问题一般是开关电路的电源中。而开关电路是开关电源的主要干扰源之一。
开关电路是LED驱动电源的核心,开关电路主要由开关管和高频变压器组成。它产生的du/dt具有较大幅度的脉冲,频带较宽且谐波丰富。
这种高频脉冲干扰产生的主要原因是:开关管负载为高频变压器初级线圈,是感性负载。

图1:开关脉冲尖峰的产生
导通瞬间,初级线圈产生很大的涌流,并在初级线圈的两端出现较高的浪涌尖峰电压;断开瞬间,由于初级线圈的漏磁通,致使部分能量没有从一次线圈传输到二次线圈,电路中形成带有尖峰的衰减振荡,叠加在关断电压上,形成关断电压尖峰。
高频脉冲产生更多的发射,周期性信号产生更多的发射。在LED电源系统中,开关电路产生电流尖峰信号,而当负载电流变化时也会产生电流尖峰信号。这就电磁干扰根源之一。
(3)接地
在所有EMC题目中,主要题目是不适当的接地引起的。有三种信号接地方法:单点、多点和混合。在开关电路频率低于1MHz时,可采用单点接地方法,但不适宜高频;在高频应用中,最好采用多点接地。混合接地是低频用单点接地,而高频用多点接地的方法。地线布局是关键,高频数字电路和低电平模拟电路的接地电路尽不能混合。
(4)PCB设计
适当的印刷电路板(PCB)布线对防止EMI是至关重要的。
(5)智能LED电源的复位电路设计
在LED电源中,有不少智能LED电源采用单片机控制,并且有的LED电源采用单片机控制开关电路的占空比,单片机的看门狗系统对整个LED电源的运行起着特别重要的作用,由于所有的干扰源不可能全部被隔离或往除,一旦进进CPU干扰程序的正常运行,那么复位系统结合软件处理措施就成了一道有效的纠错防御的屏障了。常用的复位系统有以下两种:
①外部复位系统。外部“看门狗”电路可以自己设计也可以用专门的“看门狗”芯片来搭建。这样,假如程序系统陷进一个死循环,而该循环中恰巧有着“喂狗”信号的话,那么该复位电路就无法实现它的应有的功能了。
②现在越来越多的LED电源都带有自己的片上复位系统,这样用户就可以很方便的使用其内部的复位定时器了,但是,有些智能LED电源的控制电路复位指令太过于简单,这样也会存在象上述死循环那样的“喂狗”指令,使其失往监控作用。
二 对干扰措施的硬件处理方法
要解决LED驱动电源的电磁干扰问题,可从以下几个方面入手:
1.减少开关电源本身的干扰
①软开关技术:在原有的硬开关电路中增加电感和电容元件,利用电感和电容的谐振,降低开关过程中的du/dt和di/dt,使开关器件开通时电压的下降先于电流的上升,或关断时电流的下降先于电压的上升,来消除电压和电流的重叠。
②开关频率调制技术:通过调制开关频率fc,把集中在fc及其谐波2fc、3fc…上的能量分散到它们周围的频带上,以降低各个频点上的EMI幅值。
③元器件的选择:选择不易产生噪声、不易传导和辐射噪声的元器件。通常特别值得注意的是,二极管和变压器等绕组类元器件的选用。反向恢复电流小、恢复时间短的快速恢复二极管是开关电源高频整流部分的理想器件。
④ 合理使用电磁干扰滤波器:EMI滤波器的主要目的之一,电网噪声是电磁干扰的一种,它属于射频干扰(RFI),其传导噪声的频谱大致为10KHz~30MHz,最高可达150MHz。
在一般情况下,差模干扰幅度小,频率低,所造成的干扰较小;共模干扰幅度大,频率高,还可以通过导线产生辐射,所造成的干扰较大。欲削弱传导干扰,最有效的方法就是在开关电源输入和输出电路中加装电磁干扰滤波器。
LED电源一般采用简易式单级EMI滤波器,主要包括共模扼流圈和滤波电容。
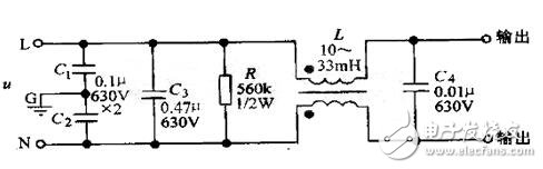
图2为常用的LED电源滤波器,L、C1和C2用来滤除共模干扰,C3和C4滤除串模干扰。当出现共模干扰时,由于L中两个线圈的磁通方向相同,经过耦合后总电感量迅速增大,因此对共模信号呈现很大的感抗,使之不容易通过,故称作共模扼流圈。它的两个线圈分别绕在低损耗、高导磁率的铁氧体磁环上。R为泄放电阻,可将C3上积累的电荷泄放掉,避免因电荷积累而影响滤波特性,断电后还能使电源的进线端L、N不带电,保证使用的安全性。
图2 常用的LED电源滤波器

⑤ EMI滤波器能有效抑制开关电源适配器的电磁干扰
图3中曲线a为不加EMI滤波器时开关电源适配器上0.15MHz~30MHz传导噪声的波形。
曲线 b是加入EMI滤波器后的波形,它能将电磁干扰衰减50分贝(Uv)~70分贝(uV)。显然,插入EMI滤波器的效果更佳。
设置电磁干扰滤波器加入前后传输到负载上的噪声电压分别为U1和U2,计算公式是20lgU1/U2。
插入损耗用分贝dB表示,分贝值愈大,说明抑制噪声干扰的能力愈强。
测量加入损耗的电路如图3所示。e是噪声信号发生器,Zi是信号源的内部阻抗,ZL是负载阻抗,一般取50欧姆。噪声频率范围可选 10KHz~30MHz。首先要在不同频率下分别测出加入EMI滤波器前后负载两端的噪声压降U1、U2,再代入公式20lgU1/U2计算出每个频点的插入损耗值,最后汇出插入损耗曲线。

图3:加入EMI滤波器前后的情况
2.切断干扰信号的传播途径
①电源线干扰可以使用电源线滤波器滤除。一个合理有效的开关电源EMI滤波器应该对电源线上差模和共模干扰都有较强的抑制作用。
②改善PCB板的电磁兼容性设计
PCB是LED电源系统中电路元件和器件的支撑件,它提供电路元件和器件之间的电气连接。随着电子技术的飞速发展,PCB的密度越来越高。PCB设计的好坏对LED电源系统的电磁兼容性影响很大。
实践证实,即使电路原理图设计正确,印刷电路板设计不当,也会对LED电源系统的可靠性产生不利影响。
PCB抗干扰设计主要包括PCB布局、布线及接地,其目的是减小PCB的电磁辐射和PCB上电路之间的串扰。
还有,一般变压器电磁干扰引发的交流声频率一般为50HZ左右,而地线布线不当导致的交流声,由于整流电路的倍频作用频率约为100HZ,仔细区分还是可以察觉的。
正确的布线方法是,选择主滤波电容引脚作为集中接地点,强、弱信号地线严格区分开,在总接地点汇总。
因此,在设计印刷电路板的时候,应留意采用正确的方法,遵守PCB设计的一般原则,并应符合抗干扰的设计要求。
3.增强受干扰体的抗干扰能力
在LED电源系统中输进/输出也是干扰源的传导线,和接收射频干扰信号的拾检源,我们设计时一般要采取有效的措施:
①采用必要的共模/差模抑制电路,同时也要采取一定的滤波和防电磁屏蔽措施以减小干扰的进进。
②在条件许可的情况下尽可能采取各种隔离措施(如光电隔离或者磁电隔离),从而阻断干扰的传播。
③防雷击措施
室外使用的LED电源系统或从室外排挤引进室内的电源线、信号线,要考虑系统的防雷击题目。常用的防雷击器件有:气体放电管、 TVS(Transient Voltage Suppression)等。气体放电管是当电源的电压大于某一数值时,通常为数十V或数百V,气体击穿放电,将电源线上强冲击脉冲导进大地。TVS可以看成两个并联且方向相反的齐纳二极管,当两端电压高于某一值时导通。其特点是可以瞬态通过数百乃上千A的电流。
EMC电磁兼容设计培训套装,视频教程,让您系统学习EMC知识...
射频工程师养成培训教程套装,助您快速成为一名优秀射频工程师...
上一篇:重型汽车抑制干扰源的技术措施
下一篇:去耦合对电磁兼容到底有什么影响

