- 易迪拓培训,专注于微波、射频、天线设计工程师的培养
ESD器件在保护电路中的应用
USB、SD卡、MMC卡、DVI/HDMI、CAN等接口,因为用户使用中经常性热插拔,板上的芯片非常容易受静电影响。这样对于接口就要加上保护器件防止损坏芯片。
USB1.1、USB2.0、SD卡、MMC卡等接口,因为用户使用中经常性热插拔,板上的芯片非常容易受静电影响。这种应用场合不能使用普通的稳压管等信道进行保护,因为稳压管的反应速率太慢、且容性负载较大,会影响信道上的数据通信。NXP特提供以下方案供客户参考。
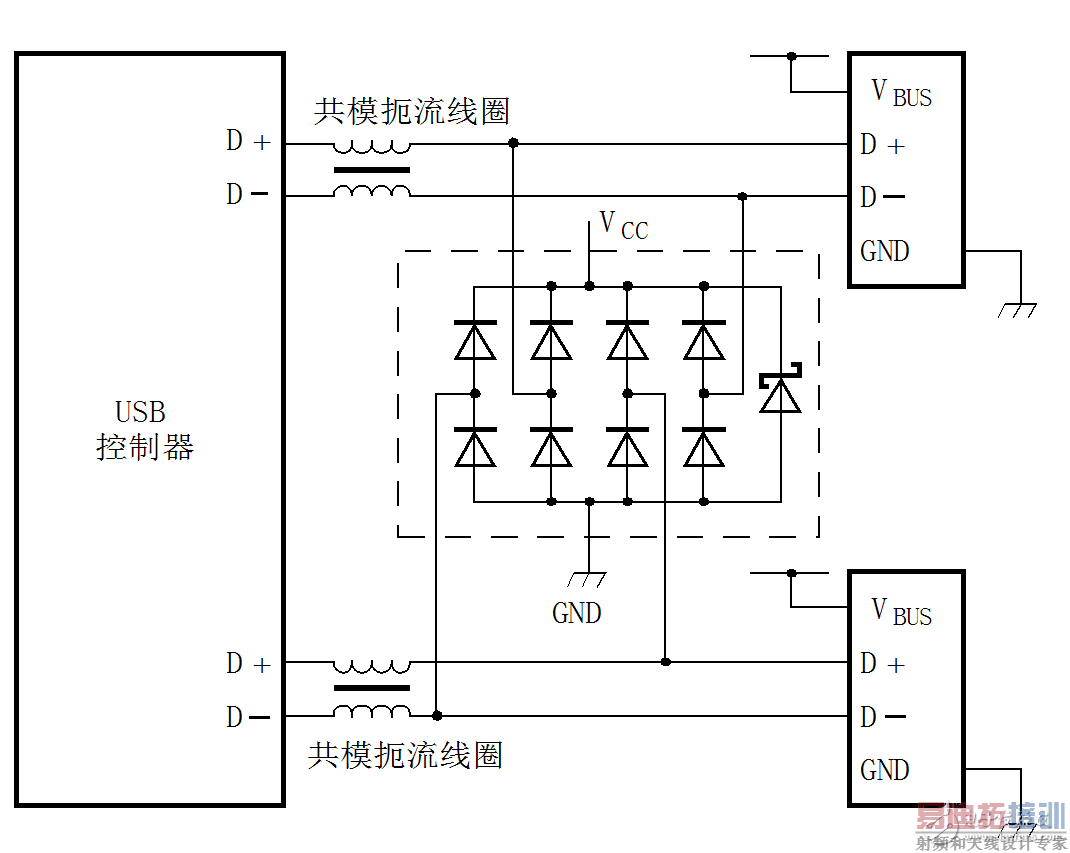
一、USB2.0的保护(PRTR5V0U4D用于双路USB)
下图为PRTR5V0U4D在双路USB应用中的连接示意图。

图13.22 PRTR5V0U4D在双路USB中的应用
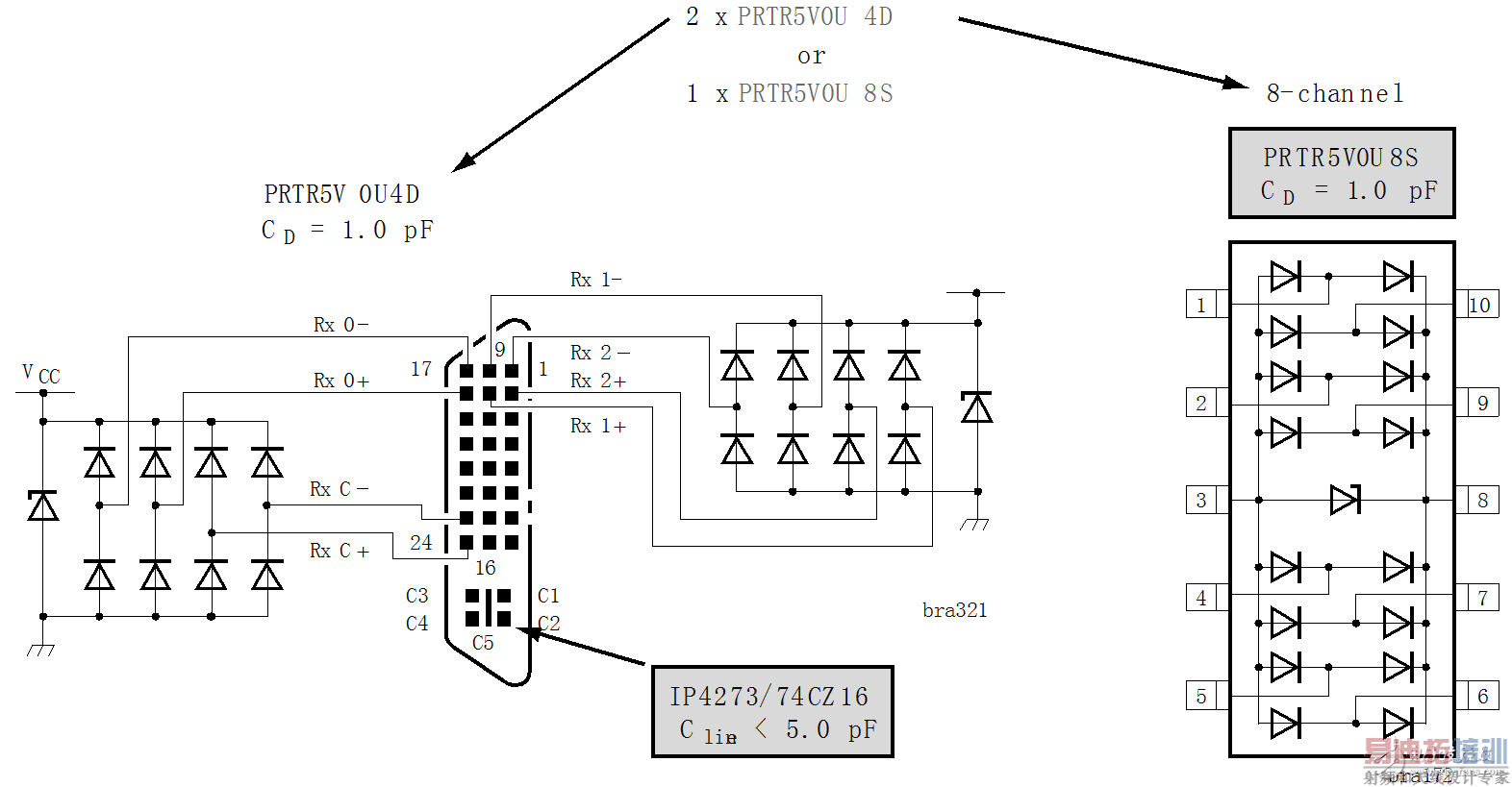
二、SD卡的保护
下图为PESD5V0L6AS / PESD5V0L6US 在SD卡保护电路中的连接示意图。

图13.23 ESD器件在SD卡保护电路中的应用1
下图为PESD3V3L4Ux / PESD5V0V4Ux 在SD卡保护电路中的连接示意图。

图13.24 ESD器件在SD卡保护电路中的应用2
三、MMC多媒体卡的保护
下图为PESD3V3L4Ux / PESD5V0L4Ux / PESD3V3V4Ux / PESD5V0V4Ux 在MMC多媒体卡保护电路中的连接示意图。

图13.25 PESD器件在MMC多媒体卡保护电路中的应用
四、DVI/HDMI的保护
DVI和HDMI接口已常用于数字视频与音频和显示平板的连接。由于高频信号(最高达1.6GHz)的处理要求这些数据线配置极低的线路电容。Philips提供了独特的1pF的线路电容保护器件。性能继续维持8 kV的可接触的IEC61000-4-2标准。下图为NXP ESD器件在DVI / HDMI接口保护电路中的连接示意图。

图13.26 NXP ESD器件在DVI / HDMI接口保护电路中的应用
五、独立Audio/Video的保护
下图为PRTR5V0U4D / PESD5V0L4Ux在独立Audio/Video接口保护电路中的连接示意图。

图13.27 ESD保护器件在独立Audio/Video接口保护电路中的应用
六、S-Video/Audio的保护
下图为PRTR5V0U4D / PESD5V0L5Ux在S-Audio/Video接口保护电路中的连接示意图。

图13.28 ESD保护器件在独立Audio/Video接口保护电路中的应用
七、SCART接头的保护
SCART接口在电视机到录像机,机顶盒,DVD录像机和人造卫星接收器的连接中得到了广泛的应用。由于这些应用中使用了敏感的IC器件,ESD保护显得非常重要。尤其是视频和音频信号线。NXP推荐以下器件供客户参考PESD5V0L5Ux / PESD5V0L7Bx。

图13.29 ESD保护器件在SCART接口保护电路中的应用
八、IP芯片在SIM卡保护中的应用
下图为IP系列ESD保护器件在SIM卡保护电路中的连接示意图。

图13.30 IP 系列器件在SIM卡保护电路中的应用
九、IP芯片在SD /MMC多媒体卡保护中的应用
下图为IP系列ESD保护器件在SD/MMC多媒体卡保护电路中的应用示意图。

图13.31 IP系列器件在SD/MMC多媒体卡保护电路中的应用
十、汽车CAN和LIN总线的保护
CAN总线、LIN总线初期主要应用于汽车电子中,目前两种总线已经广泛应用各种中短距离总线场所,如工控、汽车电子等恶劣环境中。NXP推荐您在此类接口中加入ESD保护器件以增强您的系统的可靠型,推荐连接示意图如下所示。

图13.32 NXP ESD器件在CAN bus / LIN bus中的应用
EMC电磁兼容设计培训套装,视频教程,让您系统学习EMC知识...

