- 易迪拓培训,专注于微波、射频、天线设计工程师的培养
硬件工程师谈EMC分类及电路设计
家电硬件工程师在进行整机调试时,EMC测试整改往往要耗费大量精力,尤其涉及到版图修正时甚至会影响整个项目的完成节点;
1EMC分类

2ESD标准
家用电器ESD标准:
GB4706.1(IEC60335) 第19.11.4.1章节,
GB/T17626.2(IEC 61000-4-2)第5章;


3电快速脉冲群EFT
家用电器Surge标准:
GB4706.1(IEC60335) 第19.11.4.3章节,
GB/T17626.4(IEC 61000-4-4) ;


[p]
4浪涌抗扰度SURGE
家用电器Surge标准:
GB4706.1(IEC60335) 第19.11.4.4章节,
GB/T17626.5(IEC 61000-4-5)第5章;

对策
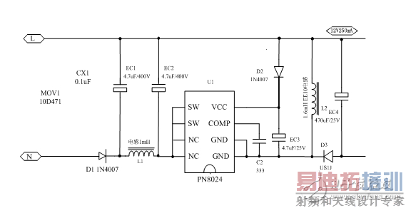
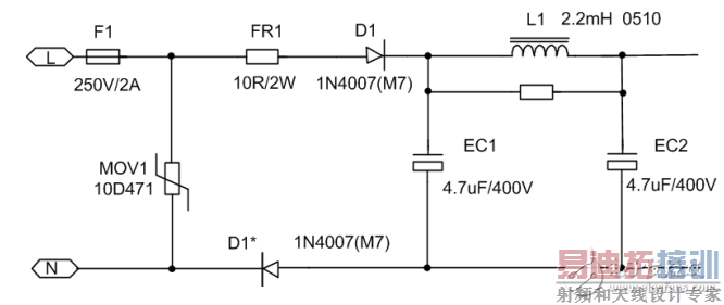
准备:电源回路的正确认识-以Buck-boost系统为例
电路图:

PCB回路:

EMC-Surge处理
Surge 差模2KV 共模4KV可以通过的最小规格电路配置(12V0.3A)

关键点:ZNR1、FR1、EC1+EC2、L1
压敏电阻ZNR1:规格10D471
保险电阻FR1:10-22欧姆 线绕电阻
电容电容容量:大于4.7uF*2或者10uF/400V
差模电感L1:感量小于2.2mH
[p]
EMS设计要点-压敏电阻
压敏电阻的PCB Layout要点

EMS设计要点-π型滤波器
π型滤波器的PCB Layout要点

EMS设计要点-单点接地
家电电源中常见的ESD测试失效为隔离电路中IC低压脚位失效,其设计要点在于PCB中地线的走线处理,版图中Y电容/Vcc电容/变压器/主电流回路的GND分别单点接入400V电解电容GND是关键。
EMC电磁兼容设计培训套装,视频教程,让您系统学习EMC知识...
射频工程师养成培训教程套装,助您快速成为一名优秀射频工程师...
上一篇:几招解决LED的EMC/EMI问题的方法
下一篇:电子仪器仪表如何抑制电磁干扰

