- 易迪拓培训,专注于微波、射频、天线设计工程师的培养
变频器的电磁兼容与电磁干扰抑制
1 引言
随着变频器的小型化、多功能化和高性能化,尤其是控制手段的全数字化,变频器的灵活性和适应性在不断增强。因此CONTROL ENGINEERING China版权所有,在现代工业中,变频器的使用越来越广泛。目前几乎所有变频器都采用pwm(pulse width modulation,pwm脉宽调制技术)控制技术。
采用pwm变频驱动的电机系统通过功率变换器对电能进行变换和控制,电机系统的性能指标得到较大提高。但是由于变频器中的功率开关器件工作在开关状态,器件的高速开关动作使得电压和电流在短时间内发生跳变,这使得电压、电流均含有丰富的高次谐波,这些谐波的电磁噪声能量会通过电路连接或电磁波空间耦合形成电磁干扰(electromagnetic interference emi),对电机系统自身和周围环境产生较大的影响[1-4]。在产生的传导干扰中,噪声信号频率从几khz到数十mhz,干扰强度可能远远超出电磁兼容标准规定的极限值。
于是对变频器等现代电子、电气系统的设计者就面临着一个“如何确保电子、电气系统在所处的电磁环境中既能达到设计目的,同时又不干扰周边其它电气系统正常工作”的新问题,即电子、电气系统的电磁兼容(electrom
agnetic compatibility,emc)问题。
目前,国际社会对电磁兼容问题非常重视,相继成立多个组织来制定电磁兼容标准,如国际无线电特别委员会的cispr标准,iec系列标准,欧盟的en系列标准等。在国内,全国无线电干扰委员会、中国电源学会电磁兼容委员会、ieee北京分部电磁兼容分会等许多组织也在从事有关emc方面的工作。我国的国家emc标准也已经制定并开始实施,如国标(gb)、军标(gjb),所有这些都促进了我国电磁兼容的研究和发展。pwm变频电机驱动系统所产生的电磁干扰也越来越受到人们的重视。为了达到电磁兼容标准的要求,正确的设计、合理的运用抑制手段,使系统emi发射强度减小到emc标准限值以下,使电气设备和系统实现电磁兼容。
2 pwm变频器的传导干扰机理
所谓传导耦合是指电磁噪声的能量在电路中以电压或电流的形式
CONTROL ENGINEERING China版权所有
,通过金属导线或其他元器件(如电容、电感和变压器等)耦合至被骚扰设备(电路)。传导耦合又可以分为直接传导耦合和公共阻抗传导耦合。直接传导耦合是指噪声直接通过导线、金属体、电阻、电容、电感和变压器等实际元器件耦合到被骚扰设备(电路)。公共阻抗传导耦合是指噪声通过印制板电路和机壳接地线、设备的公共安全接地线以及接地网络中的共地阻抗产生公共的地阻抗耦合;噪声通过交流供电电源及直流供电电源的公共电源阻抗时,产生公共电源阻抗耦合。
功率开关器件的开关运行状态引起系统中各组件间复杂的相互耦合作用就会形成传导干扰。传导干扰考虑的最高频率为30mhz,在真空中相应的电磁波波长λ为10m,因而对于尺寸小于λ/2π的电力电子装置来讲,属于近场范围,可用集总参数电路进行电磁干扰分析。为便于分析
CONTROL ENGINEERING China版权所有
,可以根据传导干扰传播耦合通道的不同将系统输入/输出导线上的骚扰区分为共模干扰和差模干扰两部分,一般认为共模干扰主要是由于系统变流器中的功率半导体开关器件开关动作引起的dv/dt经系统对地杂散电容耦合而传播,一个极的电压变化都会通过容性耦合到另一个极产生位移电流。通过寄生电容产生的电流并不需要直接的电气连接,甚至可以没有地[5]。其大小可以表示为:
i=cdu/dt
式中c为电池干扰源和敏感设备之间的等效耦合电容。
差模干扰则主要是由于功率半导体开关器件开关引起的di/dt经输入输出线间的导体传播。当然,这些只是传导干扰产生的最本质原因,而不同的电机系统其传导干扰的具体成因不同,另外,共模干扰和差干骚扰是可以相互转化的[p]
,并不是绝对分开的。比如图1所示为共模电流传输通道的不平衡造成非本质差模噪声的电路图[6]。

图1 非本质差模噪声产生机理
如图2为pwm变频驱动电机系统的电磁干扰电流流通路径图,包括共模干扰和差模干扰。在pwm变频器中,为保证开关管工作时不会因过热而失效,都要对其安装散热器,并且为防止短路,开关管的金属外壳与散热器之间是通过导热绝缘介质相隔离的,同时散热器又是通过机箱接地的,于是,在变频器与散热器之间就形成了一个较大的寄生电容[7,8]。当逆变器正常工作时,随着每相桥臂上、下开关管的轮流开通,桥臂中点电位会随之发生准阶跃变化。如果从emi角度看该现象,那么三个桥臂所输出的电压就是三个emi干扰源,而且每个开关动作时都会对功率开关器件与散热片之间寄生电容进行充、放电,形成共模emi电流。

图2 pwm变频驱动电机系统的电磁干扰电流流通路径图
3 pwm变频器传导干扰的抑制措施
由于电磁干扰产生必须具备三要素:电磁干扰源、电磁干扰传播途径和敏感设备,所以对于抑制pwm变频驱动电机系统的传导干扰也必须从三要素入手,即降低干扰源的强度、切断传播途径和提高敏感设备的抗扰度。
3.1 基于减小干扰源发射强度的emi抑制技术
从降低干扰源的强度来看,归纳起来有三种具有代表性的方法:改变电路拓扑、改进控制策略和优化驱动电路。
(1)改变电路拓扑
改进电路拓扑的思路主要是通过对称结构来消除变换器输出的共模电压,并且由于开关器件上电压变化率减半而使得装置输入侧传导干扰发射水平降低。以a.l.julian为首的学者根据“电路平衡”原理提出了一种用于消除三相功率变换器输出共模电压的三相四桥臂方案[9-11],其实验电路见图3所示。该方法基本思想是采用一个外加“辅助相”使三相系统电路的对地电位对称,并通过调整开关顺序,使四桥臂输出相电压之和尽可能为零,实现共模电压完全为零。与传统三桥臂功率变换器相比,它的共模emi可以减小约50%。
[p]

图3 带二阶滤波器的三相四桥臂功率变换器
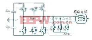
m.d.manjrekar和a.rao等学者提出了一种通过添加辅助零状态开关,以消除因零开关状态而产生共模电压的方案[12,13],电路结构见图4所示。这种辅助零状态合成器方法在经济方面很有
吸引力,并且还可以使消除感应电机侧共模电压。

图4 辅助零状态合成器结构图
与传统的功率变换相比,尽管三相四桥臂和辅助零状态合成器
这两种方法都能够消除或降低系统的共模电压,但它们所采用的调制策略都会使系统电压利用率下降。为此,haoran
zhang等学者提出了一种用于消除电机共模电压和轴电流的双桥功率变换器[14-16],拓扑结构见图5所示。它是通过控制双桥功率变换器产生标准的三相双绕组感应电动机平衡激励,并通过平衡激励(磁系统)实现抵消共模电压,达到消除轴电压、轴电流及充分减小漏电流、emi发射强度的目的。

图5 双功率变换器驱动电路
为了消除pwm电机驱动系统共模电流,a.consoli等学者基于共模电压补偿技术,提出了一种应用于由两个或多个功率变换器组成的多驱动系统公共直流母线共模电流消除技术[17],拓扑结构见图6所示。该方法是在两个功率变换器做适当连接的基础上,通过控制两个变换器状态序列而使共模电压同步变化的新pwm调制策略。

图6 公共直流母线多电动机驱动共模电压抑制系统
(2)改进控制策略
由于两电平pwm调制策略将不可避免的使功率变换器输出含有共模电压,为此一些学者基于改进逆变器控制方式或策略,提出了一些可以消除或减小共模电压的新调制策略。如台北学者yen-shi lai所提出的空间矢量调制技术(space-vector pwm,svpwm),该方法是利用矢量状态的不同组合会对功率变换器输出共模电压产生影响的特点,采用两个相反方向矢量“回扫”的方法取代了零矢量的作用,以降低系统共模电压,实现抑制传导emi的目的[18,19]。而a.m.de broe等学者提出了整流侧与逆变侧开关同步变化的空间矢量调制方法[20],它能够避免产生与直流母线电压大小相同的共模电压脉冲;韩国学者hyeoun-dong lee对全控型三相整流/逆变器的空间矢量调制方式进行了改动[21],它是依据非零矢量位置的移动会减小系统输出共模电压脉冲数量和作用时间这一原理,实现共模电压的减小。另外该学者还提出了通过检测整流器滤波电容钳位中点电位的过零点极性,并选用两个不同零矢量的方法。该方法可以将功率变换器输出的共模电压降低到传统svpwm方式的三分之二[22];再有m.zigliotto等学者提出了以随机开关频率调制(random pulse width modulation,rpwm)方式实现电磁干扰能量在频域范围内分布平均化的抑制技术[23]。[p]
(3)优化驱动电路
由于pwm电机驱动系统产生传导emi的主要原因是功率半导体器件高频开关动作所引起的dv/dt和di/dt过大,并且它们的大小还直接影响着系统emi的发射强度,而且对于常用的开关器件,其开关瞬间dv/dt和di/dt的大小受门极驱动脉冲波形和门极杂散电容的影响[24],因此,如果单纯从减小系统emi发射强度的角度考虑,通过选择适当的电路拓扑结构和控制策略是可以减小dv/dt和di/dt,实现降低系统emi发射强度。日本学者s.takizawa和意大利学者a.consoli基于此观点,通过附加驱动电流源的方法,实现了对门极驱动电流波形的可控,达到了优化emc的目的[25,26]。而vinod john等学者根据igbt的结构特点、开关特性及其所具有的弥勒效应提出了一种三级驱动的思想[27],并设计出了相应的电路。它既能应用于分立器件CONTROL ENGINEERING China版权所有,也能应用于igbt模块,而且还适用于软开关和硬开关技术;另外一种减小dv/dt和di/dt的方法就是增加缓冲吸收
电路。该方法在一定程度上减小了dv/dt和di/dt,对系统emi具有改善作用,但事实上它只是消除了器件开关时的振荡现象(毛刺现象),效果不是很明显。
p.caldeira等学者依据软开关变换器可以减小功率开关管通断时dv/dt和di/dt的观点,提出了采用零电压转换(zvt)的软开关变换器应该比硬开关变换器emi性能好的推测[28]。
3.2 基于切断传导传播途径的emi抑制方法
尽管单纯从emc角度出发,降低干扰源对外发射电磁干扰强度是能够减小系统emi,但会受到开关损耗增大、抑制幅度有限、控制策略繁杂及电压利用率降低等不利因素的限制。为此各国学者相继提出了一些用于阻断emi传播途径的emi滤波器结构,并且实验表明经过正确设计的滤波器,能够使系统emi发射强度减小到emc标准限值以下,这是电气设备和系统实现电磁兼容的重要手段。同谐波滤波器一样,emi滤波器也可以被划分为无源emi滤波器和有源emi滤波器两种。[p]
(1)有源emi滤波器
有源滤波器是通过有源电路来消除emi噪声能量。有源滤波器的具体工作原理是通过检测环节检测到emi电流或电压
控制工程网版权所有
,然后将其反向回馈给系统,以
此来抵消系统所产生的emi电流或电压,达到消除emi的目的。
目前应用于pwm电机驱动系统中的有源滤波器主要是用来消除传导emi中的共模分量[29,30]。比较典型的用于消除共模电流的有源滤波器如图7所示。它由小型共模电流变压器和一对互补的高频晶体管组成,逆变器开关动作时,高频漏电流通过电机绕组和机座间的寄生电容经地线回到电源侧,共模电流变压器将共模电流isl
检测出来,经互补晶体管放大产生补偿电流il′,如果变压器变比与晶体管放大倍数乘积足够大,就可消除漏电流il,完全抑制了流入到电源侧的共模电流isl。

图7 用于消除共模电流的有源滤波器
传统的用于消除共模电压的有源滤波器如图8所示,文献[30]将其称为有源共模噪声消除器(acc),acc连接在逆变器的输出端和三根电缆之间,由共模电压传感器、补偿电路和共模变压器组成,acc在逆变器输出端叠加一个补偿电压,该补偿电压与pwm逆变器产生的共模电压极性相反、幅值相等,从而使施加在负载上的共模电压被完全消除,也就减小了共模电流和传导emi。[p]

图8 用于消除共模电压的有源滤波器
(2)无源emi滤波
无源emi滤波通常是由电阻、电感、电容等元器件组成,目前最为常见的是电源emi滤波器,其结构见图9所示。由于它只能抑制emi噪声,而对pwm电机驱动系统的其它负面效应无抑制作用,为此各国学者又相继提出了一些兼顾其它功能的无源emi滤波器。如a.v.jouanne等学者所提出的共模变压器方案[31],结构如图10所示。该方案是从消除电动机侧共模emi电流的角度进行设计的,它是在共模扼流圈的基础上,再在同一磁芯上缠绕一个终端连接阻尼电阻的第四绕组,以此抑制共模emi电流的振荡,达到消除电机端共模电压带来的其它负面效应。

图9 典型三相emi电源滤波器

图10 共模变压器方案
d.a.rendusara等学者提出了改进型二阶rlc低通功率变换器输出滤波器[32,33],结构见图11所示。它与原型滤波器相比,其重要区别就是通过导线把以星型形式连接的阻容电路中性点“n`”与变换器直流母线钳位中点“m”接在一起。该滤波器的优点是可以同时减小电机侧的传导差模emi电流和传导共模emi电流,并且如果参数设计合理,还可以使rf、lf和cf的值很小,而将其安装在功率变换器机壳内。它可以使电机端的过电压、对地共模emi电流以及轴电压显著减小,并且该滤波器的尺寸、损耗以及成本都较低。
图11 改进型二阶无源低通滤波器
4 结束语
变频器的电磁兼容是近几十年来伴随电力电子技术、电子集成技术的飞速发展以及系统容量的不断增加而日趋严重的问题,随着国际标准的强制执行,再加上科研过程中不断出现新的电磁干扰问题,使得变频器的电磁兼容问题成为亟待解决的问题。本文从分析pwm变频器传导干扰机理入手,总结了目前传导干扰的抑制措施,具有参考意义。总的来说,变频器的电磁兼容设计还处于初期阶段,还需要我们付出长期不懈的努力。
EMC电磁兼容设计培训套装,视频教程,让您系统学习EMC知识...

