- 易迪拓培训,专注于微波、射频、天线设计工程师的培养
电子镇流器的防电磁干扰设计方案
中心议题:
- 电子镇流器的组成
- 电子镇流器中电磁干扰的来源及影响
- 电子镇流器中电磁干扰的抑制措施
解决方案:
- 传导干扰抑制措施
- 辐射干扰抑制措施
- 谐波干扰抑制措施
1 电子镇流器
电子镇流器(Electricalballast),是镇流器的一种,是指采用电子技术驱动电光源,使之产生所需照明的电子设备。与之对应的是电感式镇流器(或镇流器)。现代日光灯越来越多的使用电子镇流器,轻便小巧,甚至可以将电子镇流器与灯管等集成在一起,同时,电子镇流器通常可以兼具起辉器功能,故此又可省去单独的起辉器。电子镇流器还可以具有更多功能,比如可以通过提高电流频率或者电流波形(如变成方波)改善或消除日光灯的闪烁现象;也可通过电源逆变过程使得日光灯可以使用直流电源。
2 电子镇流器的组成
电子镇流器由抗干扰滤波器、整流滤波电路、功率因数调整器、高频变换、谐振电路、异常状态保护电路和荧光灯组成,各部分作用如下:
1) 抗干扰滤波器:防止电子镇流器产生的高频干扰信号进入到电网造成幅射。
2) 整流滤波电路:将220V的工频(50Hz或60Hz)交流电变换成310V的直流电,作为电子镇流器的电源。
3) 功率因数调整器:对本机的功率因数进行调整和补偿。
4) 高频变换电路:电子镇流器的心脏电路,将直流电源变换成20K~50KHz左右高频电源,去驱动荧光灯。本电路通常采用一对功率管(三极管或场效应管)组成的自激振荡器来实现。
5) 谐振电路:用来取代普通荧光灯的启辉器,它在荧光灯起辉前,可以等效为一个串联谐振电路,其振荡频率与高频变换电路的频率一致,谐振时,在电容C上产生一个很高的电压,确保灯管着火点亮。灯管点亮其等效电阻减小,此电阻与电容C并联,大大地降低了谐振电路的Q值,该电路又成为了一个RL串联电路,L变成了一个限流器。
6) 异常状态保护电路:当荧光灯不能正常点亮时,很高的谐振电压会使功率器件烧毁,本电路的作用是保护功率器件在异常状态时不会烧毁。
7) 荧光灯:作用是将20K~50KHz左右高频电能变换成光能。
3 电子镇流器中电磁干扰的来源及其影响
3.1 传导干扰的来源及其影响
电子镇流器工作时所产生的电磁噪声通过输入电源线传导到电网中,引发传导干扰,对周围环境造成污染并影响相关电子设备或系统的正常工作。电子镇流器的传导干扰源主要来自以下几个方面:
(1)元器件的固有噪声。主要有热噪声、散粒噪声、接触噪声等。
(2)半导体二极管在开关过程中产生的电磁噪声。在快速开通和关断的同时,瞬时变化的电压和电流会形成很强的电磁噪声。
(3)功率半导体器件在开关过程中,会产生很高的瞬态电压或电流并引起振荡。开关速度越快,开关电流越大,所引起的瞬态电磁噪声也越大。功率半导体器件在交流电网上产生直接的传导干扰,这种噪声分差模与共模。
(4)在采用高频泵或双泵电路的无源功率因数校正结构中,功率开关管的高频开关信号通过反馈元件加到输入端,经过电源进线送入电网中,形成传导干扰。
3.2辐射干扰的来源及其影响
电子镇流器工作时,形成的磁场、电场通过输入、输出导线及负载或某些元器件以电磁波的形式向外辐射,与周边电子、电器设备之间以电磁波传播而形成的骚扰称为辐射干扰。辐射干扰主要以磁场的形式存在,是通过磁场产生的干扰,由导体间的互感引起的。当电路中电流发生突变时,交链到电路的磁通也随之发生变化,进而感应出干扰电压。
3.3谐波干扰的来源及其影响
由于电子镇流器的负载属非线性负载,工作时会产生谐波。另外,低功率因数电路或功率因数校正电路处置不当的电子镇流器,其输出电流波形将产生严重谐波畸变。谐波的影响和危害主要表现在:增加电路的损耗,提高温升,降低效率和使用寿命;增加绝缘中的介质损耗和局部放电量,加速绝缘老化;增加噪音等。
4 电子镇流器电磁干扰的抑制措施
4.1传导干扰的抑制措施
1)合理接地
传导干扰是通过电子镇流器的公共接地线以及接地网络中的公共阻抗产生的。应该合理安排接地,地线尽量短,而且输入地和输出地分开,使用独立地线并联一点的接地方式,这样可以防止各个地之间的传导耦合,减少控制信号之间的干扰。外壳接地可以实现对电场的屏蔽,用屏蔽削弱对内外电路的干扰。例如电源的相线及中线通过Y电容接外壳及大地,可以减小系统的传导干扰噪声。
2)在直流供电电路中加去耦电路
在开关管供电电路中加RC去耦电路,使开关管开通瞬间所需的电流不再由电源提供,而由去耦电容为器件提供一个电流补偿源,以减少电源及接地系统中所引起的电流波动而形成的噪声。此外,在电子镇流器的半桥逆变电路中,半桥中点到地之间所接的电容,可以减小△U/△t及△I/△t,有助于抑制电磁干扰噪声。
3)采用无源滤波器
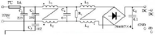
采用无源的EMI滤波器是抑制传导干扰最有效的办法。即在电路中插入一个带通滤波器,让50 Hz交流电畅通,其余频率的信号受阻。但要严格控制滤波器LC元件的寄生参数,它们的制作工艺、安装位置、走线方式,都会影响EMI滤波效果。加接图1所示的滤波电路,可以控制通过传导耦合进入电网的噪声电平。

图1 EMI滤波器电路
滤波器的输出端与噪声源相接,而输入端则与电网相接,目的是防止各种高频及瞬态噪声通过传导方式进入电网。滤波器抑制电磁噪声的效果,可由插入损耗来衡量:插入损耗越大,滤波效果越好,对传导干扰的抑制作用越大。
传导干扰主要表现为差模干扰和共模干扰。
(1)共模干扰抑制

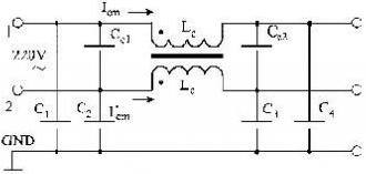
图2 带共模扼流圈的滤波器
共模扼流圈是共模插入损耗中起主导作用的电感元件。根据电磁感应原理,在图2中,由于共模电流(Icm和I‘cm)方向相同,所以在磁环中所形成的磁力线是相互叠加的,即磁通相互叠加。由于磁通Ф=LI,故共模扼流圈的总电感L=(Ф1+Ф2)/Icm。若将共模扼流圈串在电路中,则相当于在电路中串入了一个低通滤波元件,起到了共模抑制作用。
(2)差模干扰抑制
差模扼流圈是差模插入损耗中起主导作用的电感元件。它采用单个绕组结构绕制,其线上的信号电流在磁环中也产生一定量的磁通,故很容易达到饱和。因此差模扼流圈电感值较小,数量级一般在μH。共模扼流圈在一个磁心上采用两个相同绕组的结构,两个绕组电流方向相反,其信号电流在磁环中产生的磁通相互抵消,故不会存在磁饱和现象。因此其电感值可以较大,共模磁环的数量级一般在mH。

图3 带差模扼流圈的滤波器
根据电磁感应原理,在图3中,由于差模电流(Idm和I‘dm)的作用,在磁环中产生磁通,因而产生电感,所以在电路中串入了一个低通滤波元件,从而起到了差模抑制作用。当然,由于Icm同样会产生磁通,进而产生电感,所以差模扼流圈对共模干扰同样有抑制,但抑制共模干扰需要产生较大的电感,而差模扼流圈产生的电感量较小,所以对共模干扰的抑制作用较小。
同样,根据电磁感应原理,由于差模电流(Idm和I‘dm)方向相反,所以在磁环中所形成的磁力线是相互抵消的,即磁通相互抵消,因此共模扼流圈对差模电流五抑制作用。在实际生产中,由于两条线(1和2)不可能做到完全平衡(引线长度和漏感的不完全对称),所以存在不平衡电感Le,Le的值一般小于L/100。因此,共模扼流圈对差模干扰也起作用,但作用很小。
上述无源EMI滤波器是互易的,它既能抑制电子镇流器的电磁干扰送入电网,又能抑制电网内的电磁干扰进入电子镇流器中。
带共模电感的EMI滤波器的元件参数,不能按没有互感的滤波器所得到的公式进行计算。通常要先决定所采用的电路结构,然后利用共模等效电路,用网络分析理论,求出它的共模插入损耗。
4.2辐射干扰的抑制措施
1)屏蔽
电子镇流器虽然自身产生辐射干扰,并且输出导线和灯管也产生辐射电磁干扰,但可以通过将电子镇流器装进带有接地点的金属屏蔽外壳,连同灯具金属壳体可靠接地的方法解决。屏蔽是减少辐射干扰最有效的办法。
2)隔离
电子镇流器内部电路产生的辐射干扰,在电路周围以电 磁场的形式,通过电磁耦合对其它线路形成干扰。防止这种干扰最简单有效的方法是将电子镇流器与其它线路隔离开来,切断或削弱它们之间的电磁耦合。隔离的原则和方法是:
(1)干扰线路和其它线路尽可能不要平行排列;
(2)敏感线路与一般线路如平行排列,其间距应大于50 mm;
(3)电源馈线与信号线应予隔离。
4.3 谐波干扰的抑制措施
抑制电流谐波含量与降低灯电流波峰系数往往是相互矛盾的,这两个参数之间的矛盾可以采用有源功率因数校正技术解决。但是,采用PFC的电子镇流器,当插入EMI滤波器网络后,可能会对输入电流谐波总量(THD)、输入功率因数(PF)和灯电流波峰比(CF)等技术指标有一定影响。
EMC电磁兼容设计培训套装,视频教程,让您系统学习EMC知识...
射频工程师养成培训教程套装,助您快速成为一名优秀射频工程师...
上一篇:第三讲:EMC的PCB设计技术
下一篇:第四讲:EMC/EMI之综合解决方案

