- 易迪拓培训,专注于微波、射频、天线设计工程师的培养
探讨电磁兼容EMC设计及测试技巧
录入:edatop.com 点击:
中心议题:
当前,日益恶化的电磁环境,使我们逐渐关注设备的工作环境,日益关注电磁环境对电子设备的影响,从设计开始,融入电磁兼容设计,使电子设备更可靠的工作。
电磁兼容设计主要包含浪涌(冲击)抗扰度、振铃波浪涌抗扰度、电快速瞬变脉冲群抗扰度、电压暂降、短时中断和电压变化抗扰度、工频电源谐波抗扰度、静电抗扰度、射频电磁场辐射抗扰度、工频磁场抗扰度、脉冲磁场抗扰度、传导骚扰、辐射骚扰、射频场感应的传导抗扰度等相关设计。
电磁干扰的主要形式
电磁干扰主要是通过传导和辐射方式进入系统,影响系统工作,其他的方式还有共阻抗耦合和感应耦合。
传导:传导耦合即通过导电媒质将一个电网络上的骚扰耦合到另一个电网络上,属频率较低的部分(低于30MHz)。在我们的产品中传导耦合的途径通常包括电源线、信号线、互连线、接地导体等。
辐射:通过空间将一个电网络上的骚扰耦合到另一个电网络上,属频率较高的部分(高于30MHz)。辐射的途径通过空间传递,在我们电路中引入和产生的辐射干扰主要是各种导线形成的天线效应。
共阻抗耦合:当两个以上不同电路的电流流过公共阻抗时出现的相互干扰。在电源线和接地导体上传导的骚扰电流,多以这种方式引入到敏感电路。
感应耦合:通过互感原理,将在一条回路里传输的电信号,感应到另一条回路对其造成干扰。分为电感应和磁感应两种。
对这几种途径产生的干扰我们应采用的相应对策:传导采取滤波(如我们设计中每个IC的片头电容就是起滤波作用),辐射干扰采用减少天线效应(如信号贴近地线走)、屏蔽和接地等措施,就能够大大提高产品的抵抗电磁干扰的能力,也可以有效的降低对外界的电磁干扰。
电磁兼容设计
对于一个新项目的研发设计过程,电磁兼容设计需要贯穿整个过程,在设计中考虑到电磁兼容方面的设计,才不致于返工,避免重复研发,可以缩短整个产品的上市时间,提高企业的效益。
一个项目从研发到投向市场需要经过需求分析、项目立项、项目概要设计、项目详细设计、样品试制、功能测试、电磁兼容测试、项目投产、投向市场等几个阶段。
在需求分析阶段,要进行产品市场分析、现场调研,挖掘对项目有用信息,整合项目发展前景,详细整理项目产品工作环境,实地考察安装位置,是否对安装有所限制空间,工作环境是否特殊,是否有腐蚀、潮湿、高温等,周围设备的工作情况,是否有恶劣的电磁环境,是否受限与其他设备,产品的研制成功能否大大提高生产效率,或者能否给人们的生活或工作环境带来很大的方便,操作使用方式能否容易被人们所接受,这就要求项目产品要满足现场功能需要、易于操作等,最后要整理详细的需求分析报告,以供需求评审。
[p]
经过企业内部相关负责人的评审之后,完善需求分析报告,然后是项目立项,项目立项需要组建项目组,把软件、硬件、结构、测试等人员安排到项目组中,分配各自的职责。项目开发的下一阶段是项目概要设计,将项目分解成多个功能模块,运用WBS分解结构对项目进行功能分解细化,根据工作量安排时间,安排具体人员。整理项目概要设计报告,总体对项目进行评估,确定使用电源类型,电源分布情况,电源隔离滤波方式,系统接地方式,产品屏蔽,产品结构采用屏蔽设计,采用屏蔽机箱机壳,分析信号类型,对雷电、静电、群脉冲等干扰采取防护措施。
产品概要设计报告出来后要经过相关人员评审,分析实现方式是否合理,实施方案是否可行,由评审人员给出评审报告,项目组结合评审报告对概要设计进行修改后,进入产品详细设计阶段,这阶段的内容包括原理图设计、PCB设计、PCB采购及焊接、软件编写、功能调试等过程,原理图设计应考虑到电磁兼容方面的影响,对板级电源增加滤波电容,对信号的接口部分增加滤波电路,根据信号类型,选择合适的滤波电路,若信号为低频型号,应选择低通滤波电路,计算合适的截至频率,选择对应的电阻、电容等。另对接口部分设计大电流泄放回路,设置防雷器件,做到第三级的防雷。
一、元器件选型
我们常用的电子器件主要包括有源器件和无源器件两种类型,有源器件主要指IC和模块电路等器件,无源器件主要是指电阻、电容、电感等元件。下面分别对这两种类型元件的选型、在电磁兼容方面要考虑的问题做一些介绍。
有源器件EMC选型
工作电压宽的EMC特性好,工作电压低的EMC特性好,在设计允许的范围内延时大(通常所说的速度慢)特性好一些,静态电流小、功耗小的比大的特性好,贴片封装的器件的EMC性能好于插装器件。
无源器件选型
无源器件在我们的应用中通常包括电阻、电容、电感等,对于无源器件的选型我们要注意这些元件的频率特性和分布参数。
无源器件在某些频率下,会表现出不同特性,一些电阻在高频时拥有电感的特性,如线绕电阻,电解电容的低频特性好,高频特性差,而薄膜电容和瓷片电容高频特性较好,但通常容量较小。考虑温度对元器件的影响,根据设计原理,选用各种温度特性的器件。
二、印制板设计
印制板设计时,要考虑到干扰对系统的影响,将电路的模拟部分和数字部分的电路严格分开,对核心电路重点防护,将系统地线环绕,并布线尽可能粗,电源增加滤波电路,采用DC-DC隔离,信号采用光电隔离,设计隔离电源,分析容易产生干扰的部分(如时钟电路、通讯电路等)和容易被干扰的部分(如模拟采样电路等),对这两种类型的电路分别采取措施。对于干扰元件采取抑制措施,对敏感元件采取隔离和保护措施,并且将它们在空间和电气上拉开距离。在板级设计时,还要注意元器件放置要远离印制板边沿,这对防护空气放电是有利的。
[p]
采样电路的原理图设计参见图1:
电路的合理布局可以降低干扰,提高电磁兼容性能。按照电路的功能划分若干个功能模块,分析每个模块的干扰源与敏感信号,以便进行特殊处理。
印制板布线时,需要注意以下几个方面:
1、保持环路面积最小,例如电源与地之间形成的环路,减小环路面积,将减小电磁干扰在此回路上的感应电流,电源线尽可能靠近地线,以减小差模辐射的环面积,降低干扰对系统的影响,提高系统的抗干扰性能。并联的导线紧紧放在一起,使用一条粗导线进行连接,信号线紧挨地平面布线可以降低干扰。电源与地之间增加高频滤波电容。
2、使导线长度尽可能的缩短,减小了印制板的面积,降低导线上的干扰。
3、采用完整的地平面设计,采用多层板设计,铺设地层,便于干扰信号泄放。
4、使电子元件远离可能会发生放电的平面如机箱面板、把手、螺钉等,保持机壳与地良好接触,为干扰提供良好的泄放通道。对敏感信号包地处理,降低干扰。
5、尽量采用贴片元器件,贴片器件比直插器件的电磁兼容性能要好得多。
6、模拟地与数字地在PCB与外界连接处进行一点接地。
7、高速逻辑电路应靠近连接器边缘,低速逻辑电路和存储器则应布置在远离连接器处,中速逻辑电路则布置在高速逻辑电路和低速逻辑电路之间。
8、电路板上的印制线宽度不要突变,拐角应采用圆弧形,不要直角或尖角。
9、时钟线、信号线也尽可能靠近地线,并且走线不要过长,以减小回路的环面积。
三、系统布线设计
印制板设计出来后,进行试制,焊接调试,系统装机,考虑电磁兼容设计因素,机柜结构、线缆设计需要注意以下几个方面:
1、机柜选用电磁屏蔽柜,具有良好的屏蔽性能,很好地对系统进行屏蔽,降低外界电磁干扰对系统的影响。
2、总电源进线选用屏蔽电源线,并加磁环,屏蔽层在进入机柜处360度接地。
3、对系统外部信号线选用屏蔽线,屏蔽层机柜入口处良好接地。
4、设备外壳就近接机柜,避免交叉。
5、系统设置隔离变压器和ups,保证系统供应纯净电源。
6、严格将电源线和信号线分开,设备外壳的各个面之间和各个板子面板之间要良好接触,接触电阻要小于0.4欧,越小越好,保证设备外壳良好接大地,这样在有静电释放时,不会影响到系统的正常工作。
四、系统接地设计
接地是最有效的抑制骚扰源的方法,可解决50%的EMC问题。系统基准地与大地相连,可抑制电磁骚扰。外壳金属件直接接大地,还可以提供静电电荷的泄漏通路,防止静电积累。
1、地线的概念
安全接地 包括保护接地和防雷接地。
保护接地 为产品的故障电流进入大地提供一个低阻抗通道;
防雷接地 提供泄放大电流的通路;
参考接地 为产品稳定可靠工作提供参考电平,为电源和信号提供基准电位。
安全接地是为了当出现一些电气异常时,为大电流和高电压提供一个泄放的回路,主要是对电路的一种保护措施。参考地主要是信号地和电源地,是保证电路实现功能的基础。
[p]
2、接地方式
悬浮接地 对一个独立的与外部没有接口的系统来说一般也没有什么问题,但是如果该系统与其他的系统之间存着接口如通讯口和采样线,那么悬浮接地很容易受到静电和雷击的影响,所以一般电子产品大多不采用悬浮接地。
单点接地 当f<1MHz时可以选择单点接地,可分为并联单点接地和多级电路串联单点接地两种。
并联单点接地:每个电路模块都接到一个单点地上,每个单元在同一点与参考点相连。
多级电路的串联单点接地:将具有类似特性的电路的地连接在一起,形成一个公共点,然后将每一个公共点连接到单点地。
多点接地 当f>10MHz时会采用多点接地。 设备中的电路都就近以接地母线为参考点。
单点接地各电路接在同一点,提供公共电位参考点,没有共阻抗耦合和低频地环路,但对高频信号存在较大的地阻抗。多点接地为就近接地,每条地线可以很短,提供较低接地阻抗。1MHz~10MHz可根据实际需要选用哪种接地方法。
混合接地 是综合单点接地与多点接地的优点,对系统中的低频部分采用单点接地,对系统中高频部分采用多点接地。
信号线屏蔽接地 有高频和低频之分,高频采用多点接地,低频电缆采用单点接地。低频电场屏蔽要求在接收端单点接地,低频磁场屏蔽要求在两端接地。多点接地,除在两端接地外,并以3/20或1/10工作波长的间隔接地。
系统做到良好接地,才能有效的抑制电磁干扰,一个大的系统机柜首先要保证每个面接触良好,接触紧凑,其次是机柜内部设备要就近接地,避免二次干扰,就近泄放电磁干扰。接口屏蔽线要进行环接,再就近接机架。机柜下方设置接地铜排,系统总地线选用铜带比较好,对电磁干扰进行很好的泄放,保证了系统的正常运行。
电磁兼容测试
系统功能测试,满足现场功能需要后,进行电磁兼容测试,电磁兼容测试容易出问题是静电、群脉冲、浪涌、射频场传导等
1、静电抗扰度检测
参与了几个项目的静电抗扰度检测,对静电有一定认识。静电分为接触放电和空气放电,静电是积累的高压,当接触到设备的金属外壳时会瞬间放电,会影响到电子设备的正常工作,可能引起设备故障或重启,在安全性要求较好的场合这是不允许的。
静电会影响显示效果,可能出现显示闪烁或黑屏,影响正常显示和操作。静电还可能引起CPU工作异常,程序死机或重启。
如果在产品详细设计阶段采用电磁兼容的相关设计,做静电试验不必过分担心,通过设计,对静电积累的电荷进行良好的泄放,不会影响系统的正常工作。
2、电快速瞬变脉冲群抗扰度检测
电快速瞬变脉冲群是一系列的高频高压瞬变脉冲施加在设备上,观察设备是否受到其影响。防护群脉冲主要的方法是“疏导”“堵”,“疏导”就是提供泄放回路,是干扰在进入系统之前,泄放至大地,良好的屏蔽层接地,可以泄放大部分动干扰,“堵”是使群脉冲滤除在设备之外,增加磁环,效果明显,封闭磁环的效果好于对扣磁环,也可以将磁环加入到板级中,固定在印制板中,这样使设备更可靠。
对电源线、信号线、通讯线两端增加磁环,可以对群脉冲干扰进行防护。
[p]
3、雷击浪涌检测
雷击浪涌主要包含两个方面,一个是电源防雷,一个是信号防雷。
电源防雷主要是针对系统级而言的,系统级设计要按照三级防雷设计,总电源进入端设置电源防雷(如OBO公司的V20-C/3-PH 385),可以对系统的电源进行一级防护,电源经过电源防雷后,进入隔离变压器,隔离变压器可以对电磁干扰信号进行较好的防护,抑制其对系统的影响。后进入UPS,UPS可以滤除一部分干扰信号,这样电源再进入系统设备,电源是一种纯净的电源,可以使系统更好、更可靠的工作。
信号防雷是对系统的信号通路进行防护,主要涉及的是板级设计,在板级设计中增加防雷器件,如气体放电管,增加TVS泄放回路,当有大电流时通过配套电阻和TVS、气体放电管泄放,对后级电路起到保护作用。而后信号进行光电隔离,再进入系统,系统可以采集到一个稳定的信号,使系统正常分析判断,正常发出指令,正常工作。另一方面就是设计较宽的信号范围,信号正常波动时,系统正常工作。
4、射频场感应传导的抗扰度检测
射感试验可能会对显示信号、采集驱动等造成影响,可能使显示闪烁或黑屏,影响设备操作,可能使采集驱动工作异常,采集不到需要的信号,无法驱动现场设备。
射频试验是0.15k~80M频率范围内对信号线、电源进行干扰,3级强度是10V/m。
射感防护的原则是将电源、信号线的屏蔽做好,屏蔽层良好接地,选择合适频率进行滤波,将干扰滤除。
5、辐射发射检测、射频场辐射抗扰度检测
该测试主要是测试系统的抗射频信号及整体屏蔽性能,只要系统做好良好的屏蔽,系统地线接地良好,系统就可以通过检测。
通过相关电磁兼容测试,产品就可以推向市场,进行试运行了,对试运行中出现的问题,进行汇总,以备产品的改进。
电子产品满足相关的电磁兼容测试标准,通过测试,才可以推向市场,用户才能放心使用,极大地减小因电磁干扰发生的事故,对企业的效益、产品的推广起到积极的作用。
6、总结
本文是针对当前严峻的电磁环境,分析了电磁干扰的来源,通过产品开发流程的分解,融入电磁兼容设计,从原理图设计、PCB设计、元器件选型、系统布线、系统接地等方面逐步分析,总结概括电磁兼容设计要点,最后,介绍了电磁兼容测试的相关内容。相信读者能从中获取有用的信息。
- 探讨电磁兼容EMC设计
- 分析电磁兼容EMC测试技巧
- 设计从元器件选型、印制板设计等的角度考虑
- 测试采用静电抗扰度检测等的方法
当前,日益恶化的电磁环境,使我们逐渐关注设备的工作环境,日益关注电磁环境对电子设备的影响,从设计开始,融入电磁兼容设计,使电子设备更可靠的工作。
电磁兼容设计主要包含浪涌(冲击)抗扰度、振铃波浪涌抗扰度、电快速瞬变脉冲群抗扰度、电压暂降、短时中断和电压变化抗扰度、工频电源谐波抗扰度、静电抗扰度、射频电磁场辐射抗扰度、工频磁场抗扰度、脉冲磁场抗扰度、传导骚扰、辐射骚扰、射频场感应的传导抗扰度等相关设计。
电磁干扰的主要形式
电磁干扰主要是通过传导和辐射方式进入系统,影响系统工作,其他的方式还有共阻抗耦合和感应耦合。
传导:传导耦合即通过导电媒质将一个电网络上的骚扰耦合到另一个电网络上,属频率较低的部分(低于30MHz)。在我们的产品中传导耦合的途径通常包括电源线、信号线、互连线、接地导体等。
辐射:通过空间将一个电网络上的骚扰耦合到另一个电网络上,属频率较高的部分(高于30MHz)。辐射的途径通过空间传递,在我们电路中引入和产生的辐射干扰主要是各种导线形成的天线效应。
共阻抗耦合:当两个以上不同电路的电流流过公共阻抗时出现的相互干扰。在电源线和接地导体上传导的骚扰电流,多以这种方式引入到敏感电路。
感应耦合:通过互感原理,将在一条回路里传输的电信号,感应到另一条回路对其造成干扰。分为电感应和磁感应两种。
对这几种途径产生的干扰我们应采用的相应对策:传导采取滤波(如我们设计中每个IC的片头电容就是起滤波作用),辐射干扰采用减少天线效应(如信号贴近地线走)、屏蔽和接地等措施,就能够大大提高产品的抵抗电磁干扰的能力,也可以有效的降低对外界的电磁干扰。
电磁兼容设计
对于一个新项目的研发设计过程,电磁兼容设计需要贯穿整个过程,在设计中考虑到电磁兼容方面的设计,才不致于返工,避免重复研发,可以缩短整个产品的上市时间,提高企业的效益。
一个项目从研发到投向市场需要经过需求分析、项目立项、项目概要设计、项目详细设计、样品试制、功能测试、电磁兼容测试、项目投产、投向市场等几个阶段。
在需求分析阶段,要进行产品市场分析、现场调研,挖掘对项目有用信息,整合项目发展前景,详细整理项目产品工作环境,实地考察安装位置,是否对安装有所限制空间,工作环境是否特殊,是否有腐蚀、潮湿、高温等,周围设备的工作情况,是否有恶劣的电磁环境,是否受限与其他设备,产品的研制成功能否大大提高生产效率,或者能否给人们的生活或工作环境带来很大的方便,操作使用方式能否容易被人们所接受,这就要求项目产品要满足现场功能需要、易于操作等,最后要整理详细的需求分析报告,以供需求评审。
[p]
经过企业内部相关负责人的评审之后,完善需求分析报告,然后是项目立项,项目立项需要组建项目组,把软件、硬件、结构、测试等人员安排到项目组中,分配各自的职责。项目开发的下一阶段是项目概要设计,将项目分解成多个功能模块,运用WBS分解结构对项目进行功能分解细化,根据工作量安排时间,安排具体人员。整理项目概要设计报告,总体对项目进行评估,确定使用电源类型,电源分布情况,电源隔离滤波方式,系统接地方式,产品屏蔽,产品结构采用屏蔽设计,采用屏蔽机箱机壳,分析信号类型,对雷电、静电、群脉冲等干扰采取防护措施。
产品概要设计报告出来后要经过相关人员评审,分析实现方式是否合理,实施方案是否可行,由评审人员给出评审报告,项目组结合评审报告对概要设计进行修改后,进入产品详细设计阶段,这阶段的内容包括原理图设计、PCB设计、PCB采购及焊接、软件编写、功能调试等过程,原理图设计应考虑到电磁兼容方面的影响,对板级电源增加滤波电容,对信号的接口部分增加滤波电路,根据信号类型,选择合适的滤波电路,若信号为低频型号,应选择低通滤波电路,计算合适的截至频率,选择对应的电阻、电容等。另对接口部分设计大电流泄放回路,设置防雷器件,做到第三级的防雷。
一、元器件选型
我们常用的电子器件主要包括有源器件和无源器件两种类型,有源器件主要指IC和模块电路等器件,无源器件主要是指电阻、电容、电感等元件。下面分别对这两种类型元件的选型、在电磁兼容方面要考虑的问题做一些介绍。
有源器件EMC选型
工作电压宽的EMC特性好,工作电压低的EMC特性好,在设计允许的范围内延时大(通常所说的速度慢)特性好一些,静态电流小、功耗小的比大的特性好,贴片封装的器件的EMC性能好于插装器件。
无源器件选型
无源器件在我们的应用中通常包括电阻、电容、电感等,对于无源器件的选型我们要注意这些元件的频率特性和分布参数。
无源器件在某些频率下,会表现出不同特性,一些电阻在高频时拥有电感的特性,如线绕电阻,电解电容的低频特性好,高频特性差,而薄膜电容和瓷片电容高频特性较好,但通常容量较小。考虑温度对元器件的影响,根据设计原理,选用各种温度特性的器件。
二、印制板设计
印制板设计时,要考虑到干扰对系统的影响,将电路的模拟部分和数字部分的电路严格分开,对核心电路重点防护,将系统地线环绕,并布线尽可能粗,电源增加滤波电路,采用DC-DC隔离,信号采用光电隔离,设计隔离电源,分析容易产生干扰的部分(如时钟电路、通讯电路等)和容易被干扰的部分(如模拟采样电路等),对这两种类型的电路分别采取措施。对于干扰元件采取抑制措施,对敏感元件采取隔离和保护措施,并且将它们在空间和电气上拉开距离。在板级设计时,还要注意元器件放置要远离印制板边沿,这对防护空气放电是有利的。
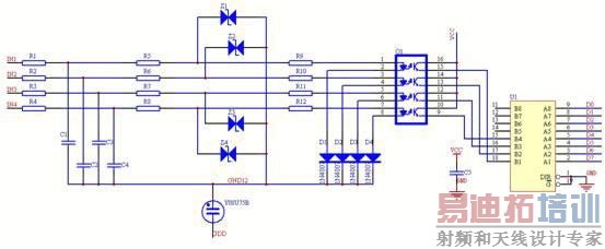
[p]
采样电路的原理图设计参见图1:

图1:采样电路设计
电路的合理布局可以降低干扰,提高电磁兼容性能。按照电路的功能划分若干个功能模块,分析每个模块的干扰源与敏感信号,以便进行特殊处理。
印制板布线时,需要注意以下几个方面:
1、保持环路面积最小,例如电源与地之间形成的环路,减小环路面积,将减小电磁干扰在此回路上的感应电流,电源线尽可能靠近地线,以减小差模辐射的环面积,降低干扰对系统的影响,提高系统的抗干扰性能。并联的导线紧紧放在一起,使用一条粗导线进行连接,信号线紧挨地平面布线可以降低干扰。电源与地之间增加高频滤波电容。
2、使导线长度尽可能的缩短,减小了印制板的面积,降低导线上的干扰。
3、采用完整的地平面设计,采用多层板设计,铺设地层,便于干扰信号泄放。
4、使电子元件远离可能会发生放电的平面如机箱面板、把手、螺钉等,保持机壳与地良好接触,为干扰提供良好的泄放通道。对敏感信号包地处理,降低干扰。
5、尽量采用贴片元器件,贴片器件比直插器件的电磁兼容性能要好得多。
6、模拟地与数字地在PCB与外界连接处进行一点接地。
7、高速逻辑电路应靠近连接器边缘,低速逻辑电路和存储器则应布置在远离连接器处,中速逻辑电路则布置在高速逻辑电路和低速逻辑电路之间。
8、电路板上的印制线宽度不要突变,拐角应采用圆弧形,不要直角或尖角。
9、时钟线、信号线也尽可能靠近地线,并且走线不要过长,以减小回路的环面积。
三、系统布线设计
印制板设计出来后,进行试制,焊接调试,系统装机,考虑电磁兼容设计因素,机柜结构、线缆设计需要注意以下几个方面:
1、机柜选用电磁屏蔽柜,具有良好的屏蔽性能,很好地对系统进行屏蔽,降低外界电磁干扰对系统的影响。
2、总电源进线选用屏蔽电源线,并加磁环,屏蔽层在进入机柜处360度接地。
3、对系统外部信号线选用屏蔽线,屏蔽层机柜入口处良好接地。
4、设备外壳就近接机柜,避免交叉。
5、系统设置隔离变压器和ups,保证系统供应纯净电源。
6、严格将电源线和信号线分开,设备外壳的各个面之间和各个板子面板之间要良好接触,接触电阻要小于0.4欧,越小越好,保证设备外壳良好接大地,这样在有静电释放时,不会影响到系统的正常工作。
四、系统接地设计
接地是最有效的抑制骚扰源的方法,可解决50%的EMC问题。系统基准地与大地相连,可抑制电磁骚扰。外壳金属件直接接大地,还可以提供静电电荷的泄漏通路,防止静电积累。
1、地线的概念
安全接地 包括保护接地和防雷接地。
保护接地 为产品的故障电流进入大地提供一个低阻抗通道;
防雷接地 提供泄放大电流的通路;
参考接地 为产品稳定可靠工作提供参考电平,为电源和信号提供基准电位。
安全接地是为了当出现一些电气异常时,为大电流和高电压提供一个泄放的回路,主要是对电路的一种保护措施。参考地主要是信号地和电源地,是保证电路实现功能的基础。
[p]
2、接地方式
悬浮接地 对一个独立的与外部没有接口的系统来说一般也没有什么问题,但是如果该系统与其他的系统之间存着接口如通讯口和采样线,那么悬浮接地很容易受到静电和雷击的影响,所以一般电子产品大多不采用悬浮接地。
单点接地 当f<1MHz时可以选择单点接地,可分为并联单点接地和多级电路串联单点接地两种。
并联单点接地:每个电路模块都接到一个单点地上,每个单元在同一点与参考点相连。
多级电路的串联单点接地:将具有类似特性的电路的地连接在一起,形成一个公共点,然后将每一个公共点连接到单点地。
多点接地 当f>10MHz时会采用多点接地。 设备中的电路都就近以接地母线为参考点。
单点接地各电路接在同一点,提供公共电位参考点,没有共阻抗耦合和低频地环路,但对高频信号存在较大的地阻抗。多点接地为就近接地,每条地线可以很短,提供较低接地阻抗。1MHz~10MHz可根据实际需要选用哪种接地方法。
混合接地 是综合单点接地与多点接地的优点,对系统中的低频部分采用单点接地,对系统中高频部分采用多点接地。
信号线屏蔽接地 有高频和低频之分,高频采用多点接地,低频电缆采用单点接地。低频电场屏蔽要求在接收端单点接地,低频磁场屏蔽要求在两端接地。多点接地,除在两端接地外,并以3/20或1/10工作波长的间隔接地。
系统做到良好接地,才能有效的抑制电磁干扰,一个大的系统机柜首先要保证每个面接触良好,接触紧凑,其次是机柜内部设备要就近接地,避免二次干扰,就近泄放电磁干扰。接口屏蔽线要进行环接,再就近接机架。机柜下方设置接地铜排,系统总地线选用铜带比较好,对电磁干扰进行很好的泄放,保证了系统的正常运行。
电磁兼容测试
系统功能测试,满足现场功能需要后,进行电磁兼容测试,电磁兼容测试容易出问题是静电、群脉冲、浪涌、射频场传导等
1、静电抗扰度检测
参与了几个项目的静电抗扰度检测,对静电有一定认识。静电分为接触放电和空气放电,静电是积累的高压,当接触到设备的金属外壳时会瞬间放电,会影响到电子设备的正常工作,可能引起设备故障或重启,在安全性要求较好的场合这是不允许的。
静电会影响显示效果,可能出现显示闪烁或黑屏,影响正常显示和操作。静电还可能引起CPU工作异常,程序死机或重启。
如果在产品详细设计阶段采用电磁兼容的相关设计,做静电试验不必过分担心,通过设计,对静电积累的电荷进行良好的泄放,不会影响系统的正常工作。
2、电快速瞬变脉冲群抗扰度检测
电快速瞬变脉冲群是一系列的高频高压瞬变脉冲施加在设备上,观察设备是否受到其影响。防护群脉冲主要的方法是“疏导”“堵”,“疏导”就是提供泄放回路,是干扰在进入系统之前,泄放至大地,良好的屏蔽层接地,可以泄放大部分动干扰,“堵”是使群脉冲滤除在设备之外,增加磁环,效果明显,封闭磁环的效果好于对扣磁环,也可以将磁环加入到板级中,固定在印制板中,这样使设备更可靠。
对电源线、信号线、通讯线两端增加磁环,可以对群脉冲干扰进行防护。
[p]
3、雷击浪涌检测
雷击浪涌主要包含两个方面,一个是电源防雷,一个是信号防雷。
电源防雷主要是针对系统级而言的,系统级设计要按照三级防雷设计,总电源进入端设置电源防雷(如OBO公司的V20-C/3-PH 385),可以对系统的电源进行一级防护,电源经过电源防雷后,进入隔离变压器,隔离变压器可以对电磁干扰信号进行较好的防护,抑制其对系统的影响。后进入UPS,UPS可以滤除一部分干扰信号,这样电源再进入系统设备,电源是一种纯净的电源,可以使系统更好、更可靠的工作。

图2:系统电源部分设计示例。
信号防雷是对系统的信号通路进行防护,主要涉及的是板级设计,在板级设计中增加防雷器件,如气体放电管,增加TVS泄放回路,当有大电流时通过配套电阻和TVS、气体放电管泄放,对后级电路起到保护作用。而后信号进行光电隔离,再进入系统,系统可以采集到一个稳定的信号,使系统正常分析判断,正常发出指令,正常工作。另一方面就是设计较宽的信号范围,信号正常波动时,系统正常工作。
4、射频场感应传导的抗扰度检测
射感试验可能会对显示信号、采集驱动等造成影响,可能使显示闪烁或黑屏,影响设备操作,可能使采集驱动工作异常,采集不到需要的信号,无法驱动现场设备。
射频试验是0.15k~80M频率范围内对信号线、电源进行干扰,3级强度是10V/m。
射感防护的原则是将电源、信号线的屏蔽做好,屏蔽层良好接地,选择合适频率进行滤波,将干扰滤除。
5、辐射发射检测、射频场辐射抗扰度检测
该测试主要是测试系统的抗射频信号及整体屏蔽性能,只要系统做好良好的屏蔽,系统地线接地良好,系统就可以通过检测。
通过相关电磁兼容测试,产品就可以推向市场,进行试运行了,对试运行中出现的问题,进行汇总,以备产品的改进。
电子产品满足相关的电磁兼容测试标准,通过测试,才可以推向市场,用户才能放心使用,极大地减小因电磁干扰发生的事故,对企业的效益、产品的推广起到积极的作用。
6、总结
本文是针对当前严峻的电磁环境,分析了电磁干扰的来源,通过产品开发流程的分解,融入电磁兼容设计,从原理图设计、PCB设计、元器件选型、系统布线、系统接地等方面逐步分析,总结概括电磁兼容设计要点,最后,介绍了电磁兼容测试的相关内容。相信读者能从中获取有用的信息。
EMC电磁兼容设计培训套装,视频教程,让您系统学习EMC知识...
射频工程师养成培训教程套装,助您快速成为一名优秀射频工程师...
上一篇:第二讲:EMC
四大设计技巧
下一篇:第一讲:EMC元器件的选择和应用技巧

