- 易迪拓培训,专注于微波、射频、天线设计工程师的培养
【静噪控制的基础 第12章】LC复合型EMI静噪滤波器的使用方法
录入:edatop.com 点击:
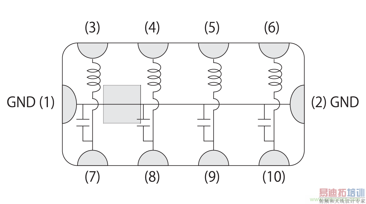
因此,LC复合型EMI静噪滤波器多为4条线路集成在1个芯片中的数组型


图1 4组数组型LC复合滤波器的示例:NFA18SL系列
π型或T型LC 复合型滤波器有C-L-C结构的π型 L-C-L结构的T型 C-L或L-C结构的L型等多种结构 选择哪一种结构,取决于滤波器前后电路的阻抗 LC滤 波器中的电容器(虽有例外)具有用低阻抗的电容器将高频成分旁路掉 导入大地,从而除去噪声的作用,因此,与此电容器相接部分的阻抗越高效果越好
另 一方面,电感器具有所谓的用高阻抗使高频噪声反弹的作用,因此电感器与高阻抗部分相接则效果差,反之与低阻抗的电路相接则效果好 此原理归纳于图2中 图 中显示了输入端阻抗和输出端阻抗的高低和该条件下噪声除去效果好的滤波器结构 从图中可以看出,对于L型滤波器这类不具有对称结构的滤波器,若输入输出端 接反,则效果发生变化 使用时应加以注意


图2 输入输出端阻抗和效果好的滤波器结构的组合
[p] 具有多个谐振频率的滤波器
在 本章开头提到,近来,LC复合型的滤波器多用于手机的噪声抑制,但是手机的噪声抑制的特点是,不仅要除去泄漏到手机外的噪声,还有必要进行手机内的噪声干 扰抑制 手机执行大量的数字处理,若此过程中产生的噪声干扰到移动电话的接收电波,则会导致接受灵敏度降低的问题 对于泄露到外部的噪声的抑制,由于受到 噪声影响的机器离得较远,因而相对容易;而对于手机内部的噪声干扰,由于相互之间的距离近,必须采取确实有效的噪声抑制措施
通 常,此噪声干扰中,有必要采取抑制措施的频率为手机的载波频率700MHz-2GHz附近,但若搭载了电视调谐器 ,则对于500MHz左右的频率也需要采取抑制措施 常规的LC型滤波器明确表现的自谐振频率为1个,但这类滤波器的令噪声衰减的带宽窄,在需要应对上述 大范围的情况下,则性能不足
因此,还设置了具有多个自谐振频率LC复合型滤波器 如图3的设计例子,除了在2GHz附近,在500MHz附近也有自谐振频率,对电视频带和手机的载波频率都有效 根据噪声抑制所需的频带,对照插入损耗特性数据来选择滤波器,有可能有效地降低噪声,请尝试一下这种方法

图3 具有2种自谐振频率的LC复合型滤波器的例子
EMC电磁兼容设计培训套装,视频教程,让您系统学习EMC知识...
射频工程师养成培训教程套装,助您快速成为一名优秀射频工程师...
上一篇:教你如何减少连接器辐射问题
下一篇:经验分享:EMC工程师必备的八大技能

