- 易迪拓培训,专注于微波、射频、天线设计工程师的培养
设备电源线上传导骚扰电压的测量方法
电气和电子设备在工作时所产生的电磁骚扰主要是由于其内部的各种电子线路、开关电源、电动机、机械开关和保护器的动作所形成的。骚扰按其传播途径,主要有沿电源线、信号线传播的传导骚扰,和向周围空间发射的辐射骚扰。前者用骚扰电压(端子电压)度量;后者则用骚扰功率和辐射场强度量。
我国的GB4343、GB4824、GB9254和GB17743(分别对应于家用电器和电动工具、工科医射频设备、信息技术设备、电气照明设备)等产品族标准都提到了要做电磁骚扰的发射测量。尽管这些标准所属产品相差很远,但里面讲到的传导骚扰和辐射骚扰的测试项目和测试方法还是共通的。
本文主要介绍设备电源线上对导骚扰电压的测量方法,以及相应测量仪器的主要技术指标。 文末附录中还列出了目前上海三基电子工业有限公司力推的一套测量电源线传导骚扰电压的测试系统,由于系统具有比较合理的性能价格比,所以这种系统尤其适合企业一级的用户开展这方面试验的需要。
1. 电源线上传导骚扰电压的测量方法
本文介绍电气和电子设备在电源线上传导骚扰电压的测量方法(测量的频率范围为0.15至30MHz)。
1.1 试验布局
试验在屏蔽室内进行。试验布局见图1所示。
图1 设备电源线上的传导骚扰电压测量
试验布置的要求如下:
接地平板用厚度0.5mm以上,面积2000×2000mm2的金属板。接地平板要接大地,或用长宽比小于5︰1,厚度为0.5mm的薄铜条通过屏蔽室与大地接通。
试品与屏蔽室墙壁至少相距800mm。
测试样品与人工电源网络之间距离为800mm。人工电源网络与参考接地平板之间要有良好的高频连接。
对不接地试品,应置于离接地平板上高度为400mm的非金属支架上。试品的电源线与人工电源网络的连接用一根长度不超过1000mm的导线连接。当电源线的长度超过800mm时,应将超长部分折叠成300~400mm的线束,而试品与人工电源网络之间的距离仍保持800mm不变。
对接地试品,接地线应采用长度不超过1000mm的导线与人工电源网络的接地点相连。试品的电源线与人工电源网络的连接采用一根长度不超过1000mm的导线,电源线与接地线平行敷设,间距不超过100mm。当电源线长度超过800mm时,超长部分折叠成300~400mm的线束,而试品与人工电源网络之间的距离仍保持800mm不变。另外,参考接地平板至少比试品的边缘大出0.5m。
下面将试验中用到的测量接收机和人工电源网络作重点介绍,以满足读者理解试验布局时的需要。
1.2 测量接收机
测量接收机实际上是一台专用测量接收机。由于测量对象是微弱的连续波信号,及幅值很强的脉冲信号,这就要求测量接收机本身的噪声极小,灵敏度很高,检波器的动态范围大,输入阻抗低(50Ω),前级电路的过载能力强。检波器要有多种检波功能(为适应不同测量需求,有峰值、准峰值、平均值和有效值等检波功能)。整机在整个测量频段内的测量精度能满足±2dB要求。最后,测量接收机的频率范围要与测试的频率相匹配。
对于有自动测试功能的测量接收机,采用微处理机进行控制,有宽频带自动校准、频率设置和自动扫描的功能。可以通过接口与计算机配合,由计算机实行管理,还可经由打印机和绘图仪输出测试结果。
Ⅰ. 测量接收机与普通场强仪的区别
用于广播、电视信号场强或工科医高频设备辐射场强测量的普通场强仪,主要测量对象是正弦波电磁场。而用在电气设备的电磁骚扰及自然界骚扰测量的接收机则是频谱很宽的连续波及脉冲骚扰。因此两种测量仪器的要求不同,主要反映在带宽、检波方式及脉冲响应等指标上。
⑴带宽
普通场强仪测量的是正弦波信号,为降低噪声,故带宽较窄。而测量接收机正相反。带宽的不同会直接影响测量结果。按国标GB/T6113.1(对应于国际标准CISPR 16-1)规定,测量接收机在9~150kHz范围内的带宽为200Hz;0.15~30MHz范围内的带宽为9kHz;30~1000MHz范围内的带宽为120kHz。
⑵检波方式
普通场强仪的检波常采用平均值或有效值检波,因为这两种检波都能正确反映正弦波信号的变化。作为测量接收机,必须要对脉冲骚扰作出正确反应,准峰值检测器则是正确选择,而平均值检波器则不能反映脉冲幅度及频度的变化。
⑶脉冲响应特性
场强仪对脉冲响应没有专门要求,而测量接收机的准峰值检波则有严格规定。
Ⅱ. 测量接收机与频谱仪的区别
频谱仪也是目前使用较多的一种测量仪器,与测量接收机的硬件结构有很多共同点:例如两者都为超外差接收机,都可以用选择频率的方式来测量信号电压。但两种仪器毕竟不同,频谱仪由于下列原因不能独自满足电磁骚扰的测量:
①由于没有预选器,当在测量低电平信号时,如果有喀呖声或电源开关瞬变的宽带脉冲信号或来自广播发射机和移动无线电设备的固定或间断的窄带信号,就可能导致过载现象发生。
②仪器的分辨率带宽和IF滤波的波形可能因CISPR规定的指标(即200Hz,9kHz,120kHz)的不同而不同。因此,宽带信号的峰值不能和民用电磁骚扰发射标准的限值相比较。
③准峰值检波和相应的机械响应特性不适用于频谱仪,所以经过加权也不能正确评价宽带信号。
④频谱仪的灵敏度尚不足以完成限值的精确测量。
⑤正弦波测量的幅度误差可能大于规定的±2dB。
Ⅲ. 准峰值检波
采用准峰值检波是民用电磁骚扰发射测试特点。由于民用的电磁兼容产品族标准都是从国际无线电干扰标准化特别委员会所颁发的标准转化过来的,这些标准都是为了保证通信和广播的畅通而编制的,因此骚扰对通信和广播的影响最终都要由人的主观听觉效果来判断,平均值检波和峰值检波都不足以描述脉冲的幅度、宽度和频度对听觉造成的影响,而必须用准峰值检波,只有准峰值检波才比较符合人耳对声音的反应规律。
几种检波方式的各自特点是:
①平均值检波:其最大特点是检波器的充放电时间常数相同,特别适用于对连续波的测量。
②峰值检波:它的充电时间常数很小,即使是很窄的脉冲也能很快充电到稳定值。当中频信号消失后,由于电路的放电时间常数很大,检波的输出电压可在很长一段时间内保持在峰值上。
峰值检波的特点首先在军用设备的骚扰发射试验中被优先采用,因为好多军用装备只要单次脉冲的激励就可以造成爆炸或数字设备的误动作,而无需像音响设备那样讲究时间的积累。
③准峰值检波:这种检波器的充放电时间常数介于平均值与峰值之间,在测量周期内的检波器输出既与脉冲幅度有关,又与脉冲重复频率有关,其输出与干扰对听觉造成的效果相一致。
图2是三种检波方式的比较。
图2 三种常用检波方式的比较
④准峰值测试的主要问题与改进措施
用准峰值检波方式进行测试的主要问题是测量时间长。表1是准峰值检波和峰值检波的测试时间比较。
由于准峰值测量占用的时间比较长,测试的效率比较低,作为改进,实用中常用峰值检波作第一轮测试,因为三种检波当中,用峰值检波得到的测值应当最高,如果首轮测值比标准给定的准峰值和平均值都要来得低的话,则以后的试验不用进行,便能判定试验已经通过。如果峰值测试中有部分测值高于标准规定准峰值和平均值,则就取超过部分的频段补做准峰值和平均值的测试,即使这样,整个测试时间也短于全部用准峰值和平均值检波的测试。图3是实际的传导骚扰测试方法。
图3 几种不同检波方法在传导骚扰测试中的综合应用
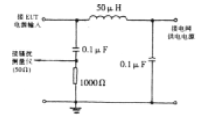
1.3 人工电源网络
人工电源网络又称线路阻抗稳定网络,是重要的电磁兼容测试设备,主要用于测量试品沿电源线向电网发射的连续骚扰电压。
人工电源网络的原理图见图4。插在电网与试品之间。其功能有以下四项:①为50Hz市电提供通路。由于靠电网这一侧的电感甚小(50μH),不足以在市电频率下形成大的阻抗,因此市电可畅行无阻地为试品提供电能,同时电网侧的电容(1μF)还能进一步衰减来自电网的干扰信号。②隔离试品产生的射频电磁骚扰(测量频率为0.15~30MHz)。利用网络电感在射频下的高阻抗,阻止由试品产生的射频骚扰信号进入电网。③通过靠近试品一侧的耦合电容(0.1μF)转接由试品产生的射频骚扰信号至测量接收机。④稳定阻抗:由于各个电网的阻抗不同,使得试品骚扰电压的值也各不相同。为此,标准规定了一个统一的阻抗(50Ω),以便于测试结果的相互比较。图4中,在试品的受试端子(通过耦合电容)与参考地之间提供了一个稳定阻抗(图中可见,在耦合电容下方接了一个1kΩ的电阻,它与测量接收机的输入端相并联。由于接收机的输入阻抗是50Ω的,故试品的负载阻抗近似于50Ω)。
图4 用人工电源网络进行传导骚扰测量的原理
图5是适合于做骚扰电压不对称测试的V型人工电源网络的电路图。图中,被选中为测试这一侧的50Ω负载阻抗是由测量接收机的输入阻抗来保证的,而未被选中测试一侧的负载阻抗由波段开关连接的50Ω电阻来保证。
图5 单相V型人工电源网络线路图
图6给出了这种人工电源网络在相关频率范围上的网络阻抗特性,实用中允许有20%的偏差。
图6 V型人工电源网络的阻抗特性
1.4 人工模拟手
在图1的交流电源线的传导骚扰电压的测量线路中没有提到人工模拟手,但为了模拟试验人员在触摸手持式电器产品(如电动工具)时对该产品的骚扰发射情况的影响,必须用到人工模拟手。这是由一个200pF(±20%)的电容与一个50Ω(±10%)的电阻串联组成。RC元件的一端与试品上包裹的金属箔联接,另一端接测量系统的地。人工模拟手的RC元件可以装在人工电源网络的箱子内。
1.5 试验方法
以上试验的骚扰电压都用测量接收机在人工电源网络的相应端子上测得,测量时应分别读取相线和中线各自对地的骚扰电压值。要求在每个测量频点上至少观测15秒钟,剔除个别孤立的打火干扰外,记录其最高读数。如果干扰电平不稳定,在15秒钟内升降2dB以上时,则要加长观测时间,以保证读数的稳定性。
2. 几个常用产品族标准对电源线传导骚扰电压的限值要求
本节介绍工业、科学和医疗射频设备,家用电器、电动工具和类似用途电器,以及信息技术设备的电源端子的传导骚扰的限值。应该说这几个大类产品的电源端子传导骚扰电压的限值可适用于我国强制性产品认证中的许多产品(如家用和类似用途设备,采用GB4343标准;电动工具,采用GB4343标准;信息技术设备,采用GB9254标准;金融贸易结算设备,采用GB9254标准;电信终端设备,采用GB9254标准;低压电器开关和控制设备,采用GB4824标准,等等)进行传导骚扰测试的需要,因此本节所列举的这些限值参数有较好的代表性。
2.1 工业、科学和医疗射频设备对电源线传导骚扰电压测试的限值要求(GB4824)
工科医设备根据骚扰源的类型可以分成两组:1组专指为发挥其自身功能而包含专门产生和/或使用传导耦合射频能量的所有工科医设备。2组专指为材料处理、电火花腐蚀等功能需要而包含专门和/或使用辐射能量的所有工科医设备。
工科医设备根据使用供电网络的不同可以分成两类:A类是非家用的,不直接连到住宅低压供电网络的所有设施中使用的工科医设备。B类是在家用设施中和直接连到住宅低压供电网络上的设施中使用的所有工科医设备。A、B两类各有自己的限值要求。
下面是工科医设备的分组实例:
1组设备
总目:实验室设备 医疗设备 科研设备
细目:信号发生器 测量接收机 频率计 流量计 频谱分析仪 称量计
化学分析仪 电子显微镜 开关电源
2组设备
总目:工业感应加热设备 家用感应厨具 介质加热设备 工业微波加热设备
家用微波炉 医用设备 射频弧焊设备 火花腐蚀仪器 可控硅控制器 点焊机
细目:金属融化设备 木材机热设备 部件加热设备 钎焊和铜焊设备
管子焊接设备 木材胶粘设备 塑料焊接设备 塑料予热设备
食品加工设备 饼干烘焙设备 食品解冻设备 纸张干燥设备
纺织品处理设备 粘胶固化设备 材料预热设备 短波治疗设备
微波治疗设备
表2和表3是上述设备的电源端传导骚扰电压的限值
2.2 家用电器、电动工具和类似用途电器的电源端传导骚扰电压的限值(GB4343)
家用电器、电动工具和类似电器的骚扰主要是表4为家用电器电源端连续干扰的限值。表5为电动工具电源端连续干扰的限值。
2.3 信息技术设备的电源端子的传导骚扰的限值(GB9254)
根据产品的使用环境,信息技术设备分成A、B两个级别。通常在以下场合下使用的信息技术设备属于B级:
a) 住宅区,一般民居,如高层和小高层等。
b) 商业区,如商店和超市等。
c) 商务区,如写字楼和银行等。
d) 公共娱乐场所,如电影院、餐馆和舞厅等。
e) 户外场所,如加油站、停车场和体育中心等。
f) 轻工业区,如车间和实验室等。
不属于B级的设备便属于A级。
表6和表7分别给出了不同频率范围中的A级和B级设备电源端子的传导骚扰限值。
作者简介:钱振宇 上海三基电子工业有限公司
EMC电磁兼容设计培训套装,视频教程,让您系统学习EMC知识...
射频工程师养成培训教程套装,助您快速成为一名优秀射频工程师...
上一篇:加拿大IC认证中无线产品测试要求解析
下一篇:LED照明产品电磁兼容测试项目要求

