- 易迪拓培训,专注于微波、射频、天线设计工程师的培养
新旧版本EFT脉冲群抗扰度试验的差异
1、试验等级
打开 IEC61000-4-4 的 1995年版标准,从及新的标准草案,首先看到的一个不同点便是试验等级,分别见表 1 和表 2所示:
表 1. 1995 年版标准的试验等级

表 2. 新标准草案的试验等级
从这两张表格对比可以看出,新标准草案的严酷度要高于原先的标准,主要是试验频率有了变化,将原先的2.5kHz 取消了,一律取 5kHz和100kHz两种。因此,标准草案所规定的单位时间内的脉冲密集程度有了增加,这对设备试验的严酷程度是一种增加。
2、试验设备
2.1 脉冲群发生器
在脉冲群发生器中,原标准与新的标准草案在发生器组成的主要元件上有一个明显区别:原标准讲的是火花气隙(spark gap);新的标准草案讲的是高电压开关( high voltageswitch)。事实上,当代的脉冲群发生器里的脉冲形成器件,无一例外,都是采用高压电子开关。
这一改变,对提高脉冲群发生器工作的稳定性,从及提高试验脉冲的频率起到了关键的作用。
在 IEC61000-4-4 : 1995 标准的附录A中,曾经有一段文字提到了采用火花气隙充当脉冲形成器件的弊病:
“由于火花气隙在低于 1kV 时的机械和电气上的不稳定,所以对低于2kV的试验电压要通过分压器来得到”。
“脉冲群冲单个脉冲的重复频率的实际值为 10kHz 到1MHz,然而广泛调查的结果表明,采用固定调节火花气隙的发生器难以再现这种相对较高的重复频率,因此标准规定了频率较低的、有代表性的专用脉冲”。
所以在脉冲群试验标准制定过程中,把脉冲频率定为 2.5kHz 和5kHz实在是有一点不得以而为之的味道。随着脉冲形成器件的更新,特别是高速高压电子开关的选用,把脉冲频率提高到 5kHz 和100kHz是理所当然的事情,使得脉冲群抗扰度试验更加切合实际的干扰情况。
2.2 脉冲群发生器的特性参数
与原标准相比,在标准草案中对发生器特性参数规定的最大不同表现为两点:其一,标准草案给出了两种不同负载条件下的输出电压范围,1000Ω负载的输出电压为 0.24kV ~ 3.8kV ; 50 Ω负载的输出电压为 0.125V ~ 2kV 。其二,标准草案将在50Ω负载上的每个 2kV脉冲提供的能量为 4mJ 取消了,代之以脉冲发生器性能的可比性由下列要求(见表 3 )加以保证:
表 3. 新标准草案对脉冲群发生器特性参数的要求

在表 3 中还可以看到一点:脉冲的重复频率提高并不会造成对受试设备注入能量的增加,这是因为重复频率自 5kHz提高到100kHz (频率提高了 20 倍),但脉冲群的持续时间却从 15ms 缩减到0.75ms(持续时间缩减到原来的二十分之一),因此注入受试设备的脉冲总量没变(仍为75个),注入受试设备的干扰能量也就没变,只是单位时间内的脉冲密集程度有了增加。考虑到国外专家对脉冲群试验的故障机理
解释为是干扰脉冲对线路结电容的充电,脉冲频率越高,单位时间内的脉冲个数越多,对结电容的电荷积累也越快,越容易达到线路出错的阈限。因此,新的标准草案把测试频率提高,其本质上也是将试验的严酷程度有所提高。
2.3 发生器性能校验
对发生器的性能必须进行校验,以便对所有参与做试验的试验发生器的性能建立一个共同依据。校验可采用下列步骤:
在试验发生器的输出端依次分别接入 50 Ω和1kΩ的同轴衰减器,并用示波器加以监测。监测用示波器的- 3dB 带宽,以及体现试验发生器负载的 50 Ω和1kΩ的同轴衰减器的频率响应要求达到 400MHz 以上。其中 50 Ω是试验发生器的匹配负载;1kΩ试验负载则体现了发生器的一个复合负载。不同的试验发生器只有在两种极端的负载条件下拥有相同特性,才能保证在实际的抗扰度试验中有相互可比的试验结果。
校验中要测量单个脉冲的上升时间、持续时间和重复频率;以及脉冲群的持续时间和重复周期,详细记录在案。
在表 4 中,对每一个设定电压分别给出了在 50 Ω负载上测得的输出电压 V p ( 50Ω)以及 1k Ω负载上测得的输出电压 V p ( 1kΩ) 。其中 V p ( 50 Ω) 的幅值容差为 0.5V p(开路输出电压)± 10% ; V p ( 1k Ω) 的幅值容差为 V p ( 1k Ω)±20%。测量中要保证分布电容为最小。 
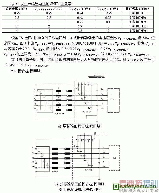
用于电源线抗扰度试验的耦合/去耦网络,在原标准与新的标准草案中有一个最大的不同点,前者是对逐根电源线做共模抗干扰试验;后者是对所有电源线路同时做共模抗干扰试验。分别见图1a和图 1b 所示。
对于耦合 / 去耦网络的性能,新标准草案只从试验的角度,提出了对特性参数的要求:
为了保证在交流 / 直流电源端口试验中使用的耦合/去耦网络性能合格,光有上述基本要求是不够的,还必须对耦合 / 去耦网络的共模输出波形进行校验。校验时发生器的输出电压设置为4kV。发生器的输出接耦合 / 去耦网络的输入,耦合 / 去耦网络的输出接 50 Ω负载,记录峰值电压和波形。校验要在每一条耦合/去耦通路上进行。测量结果应该是:脉冲的上升时间为 5ns ± 30% ;脉冲持续时间对 50 Ω为50ns ± 30%,峰值电压在表4 要求上± 10 % 。
此外,当被试设备以及电源与网络脱开时,在耦合 /去耦网络输入端的残余试验脉冲不超过所施试验电压的10 % 。
标准草案对波形校验结果一致性的规定是有重要意义的:实质上,只有大体一致的试验波形才代表试验波形中的谐波成分及其含量的一致性,只有这样,才能保证采用不同试验发生器时的试验结果大体一致。
2.5 电容耦合夹
脉冲群对于 I/O 线、信号线、数据线和控制线抗扰度试验是通过电容耦合夹进行的(如果前述耦合/去耦网络不适合使用在 ac/dc 电源端口时,也可采用电容耦合夹的耦合方式来对ac/dc电源端口进行试验)。耦合夹的耦合电容取决于电缆的直径、材料及电缆的屏蔽情况。
耦合电容典型值为 100pF ~ 1000pF (原标准是 50pF ~ 200pF )。
3- 试验配置
3.1 实验室型式试验的配置
关于实验式型式试验的配置,在原标准与新的标准草案里有两张非常相似的图(分别见本文的图 2a和图2b )。但当你在仔细观察这两张图时,还是能发现这两张图的差别,最大的不同出现在这两张图的左侧,是关于台式设备的试验配置。
按照新标准草案的配置,无论是地面安装设备、台式设备、以及其他结构形式的设备,都将放置在一块参考接地板的上方。被试设备与参考接地板之间用0.1m±0.01m厚的绝缘支撑物隔开。新标准草案规定,凡是安装在天花板上或是墙壁上的设备都按台式设备来做试验。新标准草案还规定,试验发生器和耦合/去耦网络也直接放在参考接地板上,并与参考接地板保持低阻抗连接。
新标准草案的这些变化显得尤其重要:首先将试验发生器和耦合/去耦网络直接放置在参考接地板上,并且和参考接地板相连,是因为脉冲群试验对被试线路进行共模试验,是将干扰加在被试线路与大地之间的试验,而试验中的参考接地板就代表了大地。所以将试验发生器和耦合/去耦网络放在参考接地板上是由试验的性质决定的,为了不使脉冲群干扰产生过多衰减,试验发生器、耦合/去耦网络与参考接地板的连接应当是低阻抗的。
新标准草案指出与被试设备连接的所有电缆要放在离地高度为0.1m的绝缘支架上。明确这一点也很重要,因为被试设备的连接电缆与参考接地板之间构成了一个分布电容,不一样的离地高度,构成的分布电容也是不同的。不同的分布电容,对脉冲群高频谐波从连接电缆上的逸出情况也将是不一样的,会直接影响试验结果。
新标准草案对台式设备试验配置方式的改变,则对台式设备的试验严酷度以及试验结果的一致性有了极大提高。按照原标准的试验配置,台式设备放在木头桌子上,试验发生器放在参考接地板上(试验发生器的接地端子以低阻抗与参考接地板连接),迭加了干扰电压的电源线则从地面处再伸展到台式设备的电源输入端。因此电源线的实际离地高度要在80cm以上,使得电源线相对参考平面的阻抗不能固定(不同的摆放位置有不同的阻抗),而且电源线过大的高频阻抗(相对于电源线离开参考地平面为10cm的布局来说),使得电源线上的脉冲群干扰的高频成分大量逸出,导致实际进入被试设备的干扰变弱。因此利用原标准和新标准草案提供的试验配置对同一台设备做试验时,可以得出截然不同的结果。

此外,新标准草案特别指出,在耦合装置与被试设备之间的电源线和信号线的长度为 0.5m±0.05m ,而不是原标准规定的≤ 1m 。很显然,原标准所给出的长度不明确,从 0 ~1m都属适合范围,但是不同的线长,脉冲群高频谐波的逸出情况是不同的,被试设备受到的干扰实际上是遗留在线上的传导干扰和逸出到空间的辐射干扰的综合结果。不同的线长,被试设备受到的传导干扰和辐射干扰的比例是不同的,没法保证试验结果的可比性。因此,明确被试线路的长度,对试验结果的可比性、一致性特别重要。
新标准草案还规定,如果制造商提供的不可拆卸的电源电缆的长度超过 0.5m ±0.05m,超长的电缆应折叠起来,避免成为一个扁平线圈,同时摆放在离参考接地板 0.1m 高的地方。而不是原标准规定的电源电缆超过1m时,超长部分挽成一个直径为 0.4m 的扁平线圈,平放在离参考接地板0.1m高的地方。显然新标准草案的提法比较合理,对超长线的处理也比较容易。
在新标准草案中首次提出了机架安装设备的试验配置(见图3所示),这在原标准中是没有过的。新试验配置方案的提出,避免了由于试验人员对标准的理解不一所导致的试验结果不一。

3.2 设备安装后的现场试验配置
设备在安装现场的试验配置,包括电源端子和I/O以及通信端口上的试验,在新标准草案与原标准中都保持基本不变。只是经软线和插头连接到电源的非固定被试设备在脉冲注入的方法及耦合/去耦网络与被试设备的距离作了与在实验室配置相类似变更。
4- 试验方法
关于试验计划中的试验时间,在原标准中只写不低于 1 分钟。而在新标准草案写道,
为了加速试验,选择试验时间为 1 分钟。试验时间可以分割成 6 个 10秒的脉冲群,每次间隔暂停10秒钟。在实际的环境中,脉冲群是随机发生的独立事件,故不倾向于将脉冲群与被试设备的信号同步。产品标准的制定委员会可以选择其他的试验持续时间。
EMC电磁兼容设计培训套装,视频教程,让您系统学习EMC知识...
射频工程师养成培训教程套装,助您快速成为一名优秀射频工程师...
上一篇:屏蔽门电磁兼容检测方法分析
下一篇:选择合适的频谱仪
改善EMI测试吞吐率

