- 易迪拓培训,专注于微波、射频、天线设计工程师的培养
电磁兼容在集成电路中的设计应用
摘要:本文就实际工程中普遍存在的电磁干扰问题,结合电磁兼容思想,从电磁干扰的产生、种类以及耦合途径出发,对集成电路的电磁兼容性设计方法进行了总结和归纳。
关键词:电磁兼容;干扰源;耦合;滤波
1 引言
随着工业控制自动化、智能化程度的提高,大规模集成电路应用越来越广泛,与此同时电磁干扰现象也越来越突出。电磁干扰不仅影响电子设备本身正常运行,还影响周边设备的正常工作,严重时甚至造成电子设备的损坏,引发重大事故。电磁兼容性设计已成为现代工程设计中的重要组成部分。
2 电磁兼容技术的发展
电磁兼容( 简写为EMC);)是指“设备在共同的电磁环境中能一起执行各自功能的共存状态,即该设备不会由于受到处于同一电磁环境中的其他设备的电磁发射导致或遭受不允许的降级,它也不会使同一电磁环境中其它设备因受其电磁发射而导致或遭受不允许的降级[1]。”
1981年英国科学家希维赛德发表了“论干扰” 的文章,标志着电磁兼容性研究的开端,1989年英国邮电部门研究了通信中的干扰问题,使电磁兼容性研究开始走向工程化,1944 年德国电气工程师协会制订了世界上第一个电磁兼容性规范VDE0875,1945年美国颁布了第一个电磁兼容性军用规范JAN-I-225。世界多数发达国家早已开始以法令(如欧盟指令)、法规(如:美国FCC 规程)形式进行管理控制,在我国电磁兼容理论和技术的研究起步较晚,从1983年开始陆续颁布了一系列有关电磁兼容性标准和规范。自此以后,电磁兼容技术迅速发展成为非常活跃的学科领域之一。
3 电磁兼容的地位及意义
经验证明,如果记在产品开发阶段解决电磁干扰问题的费用为1个单位,那么等到产品设计定型后再解决其问题, 费用将增加10倍; 而到产品批量生产后再解决时,费用将增加100倍;到用户发现问题后才解决时,费用可能高达1000倍。而在产品开发阶段同时进行电磁兼容性设计, 就可望把80&-90%的电磁兼容性问题解决在产品定型之前。只按常规进行产品功能设计,不仅在技术上带来一系列的难题,而且还会造成人力、财力的极大浪费。
就产品本身功能和市场占有而言,电磁兼容性设计的意义也是不可估量的。其一,电子设备工作的可靠性依赖于其电磁抗干扰性。电磁兼容性表征电子设备在电磁环境中正常工作的能力。其二,电子设备国内外市场的开拓需要其具有良好的电磁兼容性。电磁兼容性达标认证已由一个国家范围向全球地区发展,成为一个国际标准。其三,安全因素,存在电磁辐射的电子产品可能会引起如设备误操作、通讯设施电磁泄密、电爆装置误爆、误燃等危险。
4 电磁干扰源种类
在介绍电磁干扰之前先解释几个相关名词:电磁干扰指影响或者限制电子设备、信息技术设备有效性能正常使用的电磁能量[1]; 电磁干扰源, 是指产生电磁干扰的电气、电子设备或雷电等自然现象, 如: 电网的波动、雷电、继电器的起停、电机起停、高频时钟,电路中du/dt,di/dt 较大的部位等[2]。耦合表征电路与电路之间电的联系,即一个电路的电压或电流通过耦合,使得另一个电路产生相应的电压或电流,耦合起着电磁能量从一个电路传输到另一个电路的作用。
在电磁兼容性理论中把被干扰对象统称为敏感设备(或敏感器),它是对干扰对象总称,可以是一个很小的元件或一个电路板组件,也可以是一个单独的用电设备甚至可以是一个大型系统。电磁干扰通过电路中的耦合途径(或称耦合通道)把能量从干扰源耦合(或传输) 到敏感设备上。
一般来说电磁干扰源分为两大类:自然干扰源和人为干扰源。自然干扰源主要来源于大气层的电子噪音、天电噪声、地球外噪声、沉积静电噪音和雷电干扰等。人为干扰源只要指机械电子设备或其他人工装置产生电磁能量干扰,如广播、电视、通信、雷达和导航等无线电设备以及架空输电线、照明器具、电动机械、家用电器以及工业、医用射频等。
研究表明,不管复杂系统还是简单装置,任何一个电磁干扰的形成必须具备三个基本要素:电磁干扰源、对电磁干扰源敏感的接收装置以及电磁耦合途径[1]。
5 电磁干扰传播途径
电磁干扰根据其耦合途径分为传导干扰和辐射干扰。干扰信号通过电源线、地线传导到接收设备形成传导干扰;当干扰源发射的干扰信号并被接收设备接收时所产生的干扰叫辐射干扰。因此从被干扰的敏感器来看,干扰偶合可分为传导偶合方式和辐射偶合方式两大类。传导干扰方式必须在干扰源和敏感器之间有完整的电路连接,干扰信号沿着这个连接电路传递到敏感器件,发生干扰现象。
这个传输电路可包括导线,设备的导电构件、供电电源、公共阻抗、接地平板、电阻、电感、电容和互感元件等。
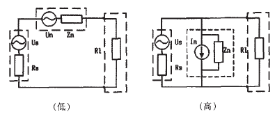
传导干扰中需引起重视的有差模干扰和共模干扰。差模干扰又称为串联干扰、横向干扰、平衡干扰等,它是由两个相互交链的电路’包括互相靠近平行的导线( 通过回路电流所产生的磁通,使两电路间形成相互感应的电动势而产生的干扰,它表现为接受电路的一个输入端电位相对于另一个输入端电位发生了变化,其等效电路图如图1。

图1 低、高噪音阻抗差模干扰等效电路图
图1(低)对应噪声源阻抗低而将其看作一个电压源和信号源串联的形式,图1(高)对应噪声源阻抗较高而将其看作一个电流源和信号源并联的形式。图中Us、Rs表示信号源电压和内阻,Un、Zn, 表示噪音电压源和阻抗,R1 表示负载阻抗。
EMC电磁兼容设计培训套装,视频教程,让您系统学习EMC知识...

