- 易迪拓培训,专注于微波、射频、天线设计工程师的培养
TOPSwitchⅡ系列开关电源的电磁兼容性设计
摘 要: 系统地分析了TOPSwitchⅡ系列开关电源产生噪声的主要原因及产生噪声的回路和部件,给出了相应的抗干扰措施,从而提高了开关电源的电磁兼容性。
关键词: 开关电源 噪声 电磁兼容性
TOPSwitchⅡ开关电源具有单片集成化、外围电路简单、效率高的优点,在大多数的电子设备中得到了广泛的应用。然而,开关电源自身产生的各种噪声却形成了一个很强的电磁干扰源。这些干扰随着开关频率的提高、输出功率的增大而明显地增强,对电子设备的正常运行构成了潜在的威胁;同时,一些国家对此也有严格的指标,不能满足者将被拒之门外。本文以美国PI公司TOPSwitchⅡ系列为例,介绍开关电源的电磁干扰及其抑制。
1 开关电源产生噪声的原因
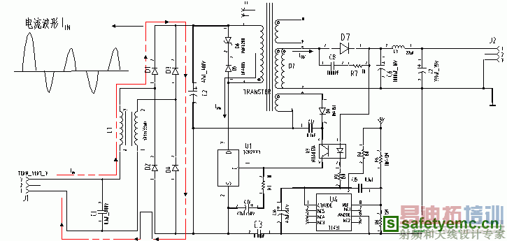
开关电源工作在高频、高压、大电流开关状态,并以开和关的时间比来控制输出电压的高低。TOPSwitchⅡ系列器件工作频率为100kHz,电源线路内的dv/dt很大,产生的各种噪声通 过电源线以共模或差模方式向外传导,同时还向周围空间辐射噪声。图1给出了一种典型TOPSwitchⅡ系列的开关电源电路图,下面以此为例分析其产生噪声的主要原因。

1.1电源一次侧回路的噪声
DC7安规与电磁兼容网
在一次整流回路中,整流二极管D1~D4只有在脉动电压超过C2的充电电压的瞬间,电流才从电源输入侧流入。所以,一次整流回路产生高次畸变波,如图1,形成噪声,这是影响传导辐射的一个重要指标。此外, 电源在工作时,TOPSwitchⅡ处于高频率通断状态,在由脉冲变压器初级线圈L1、TOPSwitchⅡ和滤波器C2构成的高频电流环路中,如果布局、布线不合适,造成环路面积过大,可能会产生较大的空间辐射噪声。如图2(A),为初级电流Ipri的波形,其基波为开关频率,谐波即为干扰波形。
DC7安规与电磁兼容网


1.2 电源二次侧回路的噪声
电源在工作时,整流二极管D7也处于高频通断状态,由脉冲变压器次级线圈L2、整流二极管D7和滤波电容C6构成了高频开关电流环路,如果布局、布线不合适,造成环路面积过大,可能向空间辐射噪声。同时,硅二极管在正向导通时PN结内的电荷被积累,二极管加反向电压时积累的电荷将消失并产生反向电流。由于二次整流回路中D7在开关转换时频率很高,即由导通转变为截止的时间很短,在短时间内要让存储电荷消失就产生反电流的浪涌。由于直流输出线路中的分布电容、分布电感的存在,使因浪涌引起的干扰成为高频衰减振荡。如图2(C)所示,Vd波形具有电压变化率高、上升沿和下降沿陡峭的特点。其峰值电压由变压器和输出整流管的分布电容所决定。振铃干扰波形的频率变化是20-30MHZ。
EMC电磁兼容设计培训套装,视频教程,让您系统学习EMC知识...

