- 易迪拓培训,专注于微波、射频、天线设计工程师的培养
EMI/EMC原理与应对详解(六)
1-2. 电磁感应产生传导干扰
我们知道,在开关电源里面,开关电源变压器是最大的磁感应器件。反激式开关电源变压器,就是通过把流过变压器初级线圈的电流转换成磁能,并把磁能存储在变压器铁心之中,然后,等电源开关管关断的时候,流过变压器初级线圈的电流为0的时候,开关电源变压器才把存储在变压器铁心之中磁能转换成电能,通过变压器次级线圈输出。开关电源变压器在电磁转换过程中,工作效率不可能100%,因此,也会有一部分能量损失,其中的一部分能量损失就是因为产生漏磁,或漏磁通。这些漏磁通穿过其它电路的时候,也会产生感应电动势。感应电动势的大小可由(13)、(14)或(16)式求得。
图8是磁感应产生传导干扰的原理图
图8表示开关电源变压器产生的漏磁通穿过其它电路时,在其它电路中也产生感应电动势,其中漏磁通M1、M2、M3产生的感应电动势e1、e2、e3属于是差模干扰信号;M5、M6、M7、M8产生的感应电动势e5、e6、e7、e8属于是共模干扰信号。
图9是开关电源变压器产生的漏磁通的原理图
开关电源变压器的漏磁通大约在5%~20%之间,反激式开关电源变压器为了防止磁饱和,在磁回路中一般都留有气隙,因此漏磁通比较大,即:漏感比较大。因此,产生漏感干扰也特别严重,在实际应用中,一定要用铜箔片在变压器外围进行磁屏蔽。从原理上来说,铜箔片不是导磁材料,对漏磁通是起不到直接屏蔽作用的,但铜箔片是良导体,交变漏磁通穿过铜箔片的时候会产生涡流,涡流产生的磁场方向正好与漏磁通的方向相反,是部分漏磁通被抵消,因此,铜箔片也可以起到磁屏蔽的作用。
检测漏磁通干扰的简便方法是,用示波器探头接成一个小短路环进行测量,最简便的方法就是把探头与地线端短路连在一起,相当于一个磁感应检测线圈。把磁感应检测线圈靠近变压器或干扰电路,很容易看到干扰信号的存在。
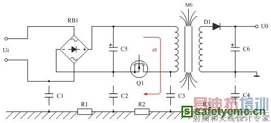
图10
值得一提的是,开关电源变压器初级线圈的漏感产生的反电动势et,在所有干扰信号之中是最不容忽视的,如图10所示。当电源开关管关断的时候,开关电源变压器初级线圈的漏感产生的反电动势et几乎没有回路可释放,一方面,它只能通过初级线圈的分布电容进行充电,并让初级线圈的分布电容与漏感产生并联谐振;另一方面,它只能通过辐射向外进行释放,其中通过对地电容C3与大地相连,也是反电动势et释放能量的一个回路,因此,它对输入端也会产生共模信号干扰。
2.辐射干扰
辐射干扰一般是通过电磁感应的形式在空间进行传播的,图11是测试电子设备产生辐射干扰的基本方法,或表示电子设备产生的干扰信号通过电磁感应向空中辐射的原理。图11中,电子设备表示干扰信号源,V1表示测量仪表,C1表示电子设备对大地的电容,C2表示电子设备与天线偶合的电容,即:电子设备通过电场对天线产生感应,这里的天线也可以看成是被干扰的设备。图11的测试方法就是测试电子设备周围规定距离某处的电磁场强度,由于干扰信号一般都是一个频率成份非常丰富的非正弦波,因此,无法对它进行直接测量,只能对它其中某一个频率信号单独进行测量。
图11
电子设备与天线感应产生的电流是位移电流,一般频率很高的位移电流在电路中每处的电流方向以及电流大小和电压幅度都是不一样的,我们无法对它直接进行测量,因此,在进行信号测量的时候一般都使用谐振天线,使天线谐振回路对某个频率的干扰交流信号产生谐振,然后再检测谐振信号的电压幅度。在测试过程中,天线需要经常进行调谐,调谐就是调节天线振子的长度,或磁感应天线谐振回路中的电容,更多的是调谐选频放大器输入回路中的谐振电路参数。
图12是极化天线的工作原理图
图12-a)和图12-b)表示天线在电场中被感应产生极化的两种不同情形。所谓极化就是导体或物体在电场力的作用下产生带电,这种带电是极化带电,即:导体或物体的一端带正电,而另一端带负电。一般地说,导体或物体被极化带电,只是两端带电,而中心点是不带电的。由于,极化天线的电场是一个交变电场,所以,天线总是在图12-a)和图12-b)之间来回变化。12-a)和图12-b)最左边的图形是表示电场方向和天线的电荷分布曲线,中间图形表示载流子在极化天线中流动,右边图形表示天线的等效电路。
天线来回极化的工作原理可以等效成一个串联谐振电路,当天线在电场力的作用下被极化带电时,它又相当于一个电容在充电;当天线中的载流子在电场力的作用下来回移动时,它又相当于一个电感,并且在天线的周围会产生磁场。
EMC电磁兼容设计培训套装,视频教程,让您系统学习EMC知识...
射频工程师养成培训教程套装,助您快速成为一名优秀射频工程师...
上一篇:地线对电磁兼容的影响
下一篇:EMI、EMS
&
EMC三者之间的关系

