- 易迪拓培训,专注于微波、射频、天线设计工程师的培养
探讨高频开关电源设计中的电磁兼容问题
引言
开关电源与线性稳压电源相比,具有功耗小、效率高、体积小、重量轻、稳压范围宽等许多优点,己被广泛应用于计算机及其外围设备、通信、自动控制、家用电器等领域。但开关电源的突出缺点是能产生较强的电磁干扰(EMI)。EMI信号既具有很宽的频率范围,又有一定的幅度,经传导和辐射后会污染电磁环境,对通信设备和电子产品造成干扰。如果处理不当,开关电源本身就会变成一个骚扰源。目前,电子产品的电磁兼容性(EMC)日益受到重视,抑制开关电源的EMI,提高电子产品的质量,使之符合EMC标准,已成为电子产品设计者越来越关注的问题。本文就高频开关电源设计中的电磁兼容性问题进行了探讨。
1、开关电源的组成及工作原理
1.1、组成
开关电源的组成框图如图1所示,它由以下几个部分组成:
1)主电路包括输入滤波器、整流与滤波、逆变、输出整流与滤波;
2)控制与保护电路;
3)检测与显示电路除了提供保护电路所需的各种参数外,还提供各种显示数据;
4)辅助电源。

图1、开关电源的组成框图
1.2、开关稳压电源原理
开关稳压电源电路如图2所示。图2中的开关K以一定的时间间隔重复地接通和断开,在K接通时,输入电源Vin通过K和滤波电路供电给负载RL,当K断开时,输入电源Vin便中断了能量的提供。可见,输入电源向负载提供能量是断续的,为使负载能得到连续的能量提供,开关稳压电源必须要有一套储能装置,在开关接通时将一部份能量储存起来,在开关断开时,向负载释放。图2中,由储能电感L、滤波电容C2和续流二极管D组成的电路,就具有这种功能。在AB间的电压平均值VAB可用式(1)表示。
VAB=Vinton/T=DVin(1)
式中:ton为K导通时间;
T为K工作周期;
D为占空比,D=ton/T。

图2、开关稳压电源电路原理图
由式(1)可知,改变D,即可改变VAB。因此,随着负载及输入电源电压的变化调整D便能使输出电压Vo维持不变。这种控制方法称为时间比率控制(Time Ratio Control,缩写为TRC)。按TRC原理,它有3种方式:
1)脉冲宽度调制(Pulse Width Modulation,缩写为PWM)其开关周期恒定,通过改变脉冲宽度来改变占空比的方式;
2)脉冲频率调制(Pulse Frequency Modulation,缩写为PFM)导通脉冲宽度恒定,通过改变开关工作频率来改变占空比的方式;
3)混合调制导通脉冲宽度和开关工作频率均不固定,彼此都能改变的方式,它是以上二种方式的结合。
2、开关电源产生电磁干扰的机理
开关电源之所以是一个很强的电磁骚扰源,来源于高频通断的开关器件和输出整流二极管,以及脉冲变压器及滤波电感等。
2.1、开关管与整流管
开关管、整流管高频通断时所产生的dv/dt、di/dt是具有较大辐度的脉冲,频带较宽且谐波丰富,是一个很强的骚扰源。
2.2、高频变压器
开关管负载为高频变压器初级线圈,在开关管导通瞬间,初级线圈产生很大的涌流,并出现较高的浪涌尖峰电压;在开关管断开瞬间,由于初级线圈的漏磁通,致使一部分能量没有传输到次级线圈,而是通过集电极电路中的电容、电阻形成带有尖峰的衰减振荡,叠加在关断电压上,形成关断电压尖峰,产生与初级线圈接通时一样的磁化冲击电流瞬变,这个噪声会传导到输入、输出端,形成传导骚扰,重者有可能击穿开关管。
另外,高频变压器初级线圈、开关管和滤波电容构成的高频开关电流环路可能会产生较大的空间辐射,形成辐射骚扰。如果电容滤波容量不足或高频特性不好,电容上的高频阻抗会使高频电流以差模方式传导到交流电源中形成传导骚扰。需要注意的是,二极管整流电路产生的电磁骚扰中,整流二极管反向恢复电流的|di/dt|远比续流二极管反向恢复电流的|di/dt|大得多。作为电磁骚扰源来研究,整流二极管反向恢复电流形成的骚扰强度大,频带宽。但是,整流二极管产生的电压跳变远小于功率开关管导通和关断时产生的电压跳变。因此,不计整流二极管产生的|dv/dt|和|di/dt|的影响,而把整流电路当成电磁骚扰耦合通道的一部分来研究也是可以的。
2.3、杂散参数影响耦合通道的特性
在传导骚扰频段(<30MHz),多数开关电源骚扰的耦合通道是可以用电路网络来描述的。但是,在开关电源中的任何一个实际元器件,如电阻器、电容器、电感器乃至开关管、二极管都包含有杂散参数,且研究的频带愈宽,等值电路的阶次愈高,因此,包括各元器件杂散参数和元器件间的耦合在内的开关电源的等效电路将复杂得多。在高频时,杂散参数对耦合通道的特性影响很大,分布电容的存在成为电磁骚扰的通道。另外,在开关管功率较大时,集电极一般都需加上散热片,散热片与开关管之间的分布电容在高频时不能忽略,它能形成面向空间的辐射骚扰和电源线传导的共模骚扰。
3、电磁兼容设计
3.1、输入端滤波器的设计
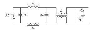
开关电源产生的噪声包含共模噪音和差模噪音。共模干扰是由于载流导体与大地之间的电位差产生的,其特点是两条线上的杂讯电压是同电位同向的;而差模干扰则是由于载流导体之间的电位差产生的,其特点是两条线上的杂讯电压是同电位反向的。通常,线路上干扰电压的这两种分量是同时存在的。为此应在电源输入端加滤波器,滤波器阻抗应与电源阻抗失配,失配越厉害,实现的衰减越理想,得到的插入损耗特性就越好。也就是说,如果噪音源内阻是低阻抗的,则与之对接的EMI滤波器的输入阻抗应该是高阻抗(如电感量很大的串联电感);如果噪音源内阻是高阻抗的,则EMI滤波器的输入阻抗应该是低阻抗(如容量很大的并联电容)。由于线路阻抗的不平衡,两种分量在传输中会互相转变,情况十分复杂。典型的EMI滤波器包含了共模杂讯和差模杂讯两部分的抑制电路,如图3所示。

图3、电源滤波器
图中:差模抑制电容Cx1,Cx20.1~0.47μF;
差模抑制电感L1,L2100~130μH;
共模抑制电容Cy1,Cy2<10000pF;
共模抑制电感L15~25mH。
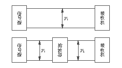
插入损耗的定义如图4所示,当没接滤波器时,信号源输出电压为V1,当滤波器接入后,在滤波器输出端测得信号源的电压为V2。若信号源输出阻抗与接收机输入阻抗相等,都是50Ω,则滤波器的插入损耗为
IL=20log
(2)
设计时,必须使共模滤波电路和差模滤波电路的谐振频率明显低于开关电源的工作频率,一般要低于10kHz,即f=
<10kHz。

图4、插入损耗的定义
图5是差模与共模干扰的示意图。

(a)差模干扰 (b)共模干扰
图5、差模与共模干扰示意图
在实际使用中,由于设备所产生的共模和差模的成分不一样,所以,滤波电路可适当增加或减少滤波元件。具体电路的调整一般要经过EMI试验后才能有满意的结果,安装滤波电路时一定要保证接地良好,并且输入端和输出端要良好隔离,否则,起不到滤波的效果。
图6是两种滤波电路,它们的滤波效果如图7实验曲线所示。

(a)滤波电路1

(b)滤波电路2
图6、两种滤波电路

①为加滤波器电路1②为加滤波电路2
图7、两种滤波电路效果实验曲线
3.2、辐射EMI的抑制措施
要降低辐射干扰,可应用电压缓冲电路,如在开关管两端并联RCD缓冲电路,或电流缓冲电路,如在开关管的集电极上串联20~80μH的电感。
功率开关管的集电极是一个强骚扰源,开关管的散热片应接到集电极上,以确保集电极与散热片之间由于分布电容而产生的电流流入主电路中。为减少散热片和机壳之间的分布电容,散热片应尽量远离机壳,如有条件的话,可采用有屏蔽措施的散热片。整流二极管应采用恢复电荷小,且反向恢复时间短的,如肖特基管,最好是选用反向恢复呈软特性的。另外,在肖特基管两端套磁珠和并联RC吸收网络均可减少干扰,电阻、电容的取值可为几Ω和数千pF,电容引线应尽可能短,以减少引线电感。
负载电流越大,二极管反向恢复的时间也越长,则尖峰电流的影响也越大。采用多个二极管并联来分担,可以降低短路尖峰电流的影响。
开关电源必须屏蔽,采用模块式全密封结构,一般用1mm以上厚度的镀锌钢板,屏蔽层必须良好接地。在高频脉冲变压器初、次级之间加一屏蔽层并接地,可以抑制干扰的电场耦合。将高频脉冲变压器、输出滤波电感等磁性元件加上屏蔽罩,可以将磁力线限制在磁阻小的屏蔽体内。
例如,对辐射干扰超过标准限值20dB的某开关电源,采用了如下一些在实验室容易实现的措施进行了改进:
1)在所有整流二极管两端并联470pF电容;
2)在开关管G极的输入端并联50pF电容,与原有的39Ω电阻形成一RC低通滤波器;
3)在各输出滤波电容(电解电容)上并联0.01μF电容;
4)在整流二极管管脚上套一小磁珠;
5)改善屏蔽体的接地。
经过上述改进后,该电源就可以通过辐射干扰测试的限值要求。
3.3、传导骚扰的解决方法
开关电源的传导骚扰通过输入电源线向外传播,既有差模骚扰、又有共模骚扰。传导骚扰的测试频率范围为0.15~30MHz,限值要求如表1所列。
表1传导骚扰限值表
| 电源端口 | 频率范围/MHz | 准峰值dB/μV | 平均值dB/μV |
| A级 | 0.15~0.5 | 79 | 66 |
| 0.5~30 | 73 | 60 | |
| B级 | 0.15~0.5 | 66 | 56 |
| 0.5~5 | 56 | 46 | |
| 5~30 | 60 | 50 |
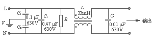
在0.15~1MHz的频率范围内,骚扰主要以共模的形式存在,在1~10MHz的频率范围内,骚扰的形式是差模和共模共存,在10MHz以上,骚扰的形式主要以共膜为主。差模骚扰的产生主要是由于开关管工作在开关状态,当开关管开通时,流过电源线的电流线性上升,开关管关断时电流突变为零,因此,流过电源线的电流为高频的三角脉动电流,含有丰富的高频谐波分量,随着频率的升高,该谐波分量的幅度越来越小,因此差模骚扰随频率的升高而降低,输出回路的滤波电路如图8所示,电容C5与电感L3组成低通滤波器,差模传导骚扰主要存在低频率段。

图8输出回路的滤波电路
产生共模骚扰的主要原因是电源与大地(保护地)之间存在分布电容,电路中方波电压的高频谐波分量通过分布电容传入大地,与电源线构成回路,产生共模骚扰。如图8所示,L、N为电源输入,C1、C2、C3、C4、C5、L1、L2组成输入EMI滤波器,DB1为整流桥,VT2为开关管,开关管安装在散热器上时,开关管的D极与散热器相连,与散热器之间形成一个耦合电容,如图8中的C7所示,VT2工作在开关状态,其D极的电压为高频方波,方波的频率为开关管的开关频率,方波中的各次谐波就会通过耦合电容、L、N电源线构成回路,产生共模骚扰。电源与大地的分布电容比较分散,难以估算,但从图8来看,VT2的D极与散热器之间耦合电容的作用最大,从DB1到电感L3之间的电压为100Hz,而从L3到VD1和VT2的D极之间的连线的电压均为方波电压,含有大量的高次谐波。其次L3的影响也比较大,但L3与机壳的距离比较远,分布电容比开关管和散热器之间的耦合电容小得多,因此,我们主要考虑开关管与散热器之间的耦合电容。
3.4、接地技术的应用
"接地"有设备内部的信号接地和设备接大地,两者概念不同,目的也不同。"地"的经典定义是"作为电路或系统基准的等电位点或平面"。
3.4.1、设备的信号接地
设备的信号接地,可能是以设备中的一点或一块金属来作为信号的接地参考点,它为设备中的所有信号提供了一个公共参考电位。在这里介绍浮地和混合接地,另外,还有单点接地和多点接地。
1)浮地采用浮地的目的是将电路或设备与公共接地系统,或可能引起环流的公共导线隔离开来。浮地还可以使不同电位间的电路配合变得容易。实现电路或设备浮地的方法有变压器隔离和光电隔离。浮地的最大优点是抗干扰性能好。浮地的缺点是由于不与公共地相连,容易在两者间造成静电积累,当电荷积累到一定程度后,可能引起剧烈的静电放电,而成为破环性很强的骚扰源。一个折衷方案是在浮地与公共地之间跨接一个阻值很大的泄放电阻,用以释放所积累的电荷。注意控制释放电阻的阻抗,太低的阻抗会影响设备泄漏电流的合格性。
2)混合接地混合接地使接地系统在低频和高频时呈现不同的特性,这在宽带敏感电路中是必要的。电容对低频和直流有较高的阻抗,因此能够避免两模块之间的地环路形成。当将直流地和射频地分开时,将每个子系统的直流地通过10~100nF的电容器接到射频地上,这两种地应在一点有低阻抗连接起来,连接点应选在最高翻转速度di/dt信号存在的点。
3.4.2、设备接大地
在工程实践中,除认真考虑设备内部的信号接地外,通常还将设备的信号地,机壳与大地连在一起,以大地作为设备的接地参考点。设备接大地的目的是:
1)保证设备操作人员人身的安全;
2)泄放机箱上所积累的电荷,避免电荷积累使机箱电位升高,造成电路工作的不稳定;
3)避免设备在外界电磁环境的作用下使设备对大地的电位发生变化,造成设备工作的不稳定。
由此可见,设备接大地除了是对人员安全、设备安全的考虑外,也是抑制骚扰发生的重要手段。
3.5、屏蔽技术
抑制开关电源产生骚扰辐射的又一种方法是屏蔽,目的是切断电磁波的传播途径,用电磁屏蔽的方法解决电磁干扰问题不会影响电路的正常工作。它用电导率良好的材料对电场进行屏蔽,用磁导率高的材料对磁场进行屏蔽。为了防止脉冲变压器的磁场泄露,可利用闭合环形成磁屏蔽,另外,还要对整个开关电源进行电场屏蔽。屏蔽应考虑散热和通风问题,屏蔽外壳上的通风孔最好为圆形多孔,在满足通风的条件下,孔的数量可以多,每个孔的尺寸要尽可能小。接缝处要焊接,以保证电磁通路的连续性,如果采用螺钉固定,注意螺钉间距要短。屏蔽外壳的引入、引出线处要采取滤波措施,否则,这些会成为骚扰发射天线,严重降低屏蔽效果。若对电场屏蔽,屏蔽外壳一定要接地,否则,将起不到屏蔽效果;若对磁场屏蔽,屏蔽外壳则不需接地。对非嵌入的外置式开关电源的外壳一定要进行电场屏蔽,否则,很难通过辐射骚扰测试。对于开关电源来说,主要是做好机壳屏蔽,高频变压器屏蔽,开关管和整流二极管的屏蔽,采用光电隔离技术。功率开关管和输出二极管通常有较大的功率损耗,为了散热往往需要安装散热器或直接安装在电源底板上。器件安装时需要用导热性能好的绝缘片进行绝缘,这就使器件与底板和散热器之间产生了分布电容,开关电源的底板是交流电源的地线,因而通过器件与底板之间的分布电容将电磁干扰耦合到交流输入端产生共模干扰,解决这个问题的办法是采用两层绝缘片之间夹一层屏蔽片,并把屏蔽片接到直流地上,割断射频干扰向输入电网传播的途径。为了抑制开关电源产生的辐射电磁干扰对其他电子设备的影响,可完全按照对磁场屏蔽的方法来加工屏蔽罩,然后将整个屏蔽罩与系统的机壳和地连接为一体,就能对电磁场进行有效的屏蔽。电源某些部分与大地相连可以起到抑制干扰的作用。例如,静电屏蔽层接地可以抑制变化电场的干扰;电磁屏蔽用的导体原则上可以不接地,但不接地的屏蔽导体时常增强静电耦合而产生所谓"负静电屏蔽"效应,所以仍以接地为好,这样使电磁屏蔽能同时发挥静电屏蔽的作用。电路的公共参考点与大地相连,可为信号回路提供稳定的参考电位。因此,系统中的安全保护地线、屏蔽接地线和公共参考地线各自形成接地母线后,最终都与大地相连。
3.6、元器件布局及印制电路板布线技术
开关电源的辐射骚扰与电流通路中的电流大小、通路的环路面积、以及电流频率的平方的乘积成正比,即辐射骚扰E∝IAf2。运用这一关系的前提是通路尺寸远小于频率的波长。
上述关系式表明减小通路面积是减小辐射骚扰的关键,即是说开关电源的元器件彼此要紧密排列。在初级电路中,要求输入端电容、晶体管和变压器彼此靠近,且布线紧凑;在次级电路中,要求二极管、变压器和输出端电容彼此贴近。
在设计印制电路板时,应尽量将相互关联的元器件摆放在一起,以避免因元器件离的太远而造成印制线过长所带来的干扰;再者将输入信号和输出信号尽量放置在引线端口附近,以避免因耦合路径而产生的干扰。在印制板上,将正负载流导线分别紧靠布在印制板的两面,并设法使之保持平行,因为平行紧靠的正负载流导体所产生的外部磁场是趋向于相互抵消的。实践证明,印制板的元器件布置和布线设计对开关电源EMC性能有极大的影响,在高频开关电源中,由于印制板上既有电平为±5V~±15V的小信号控制线,又有高压电源母线,同时还有一些高频功率开关、磁性元件,如何在印制板有限的空间内合理地安排元器件位置,将直接影响到电路中各元器件自身的抗干扰性和电路工作的可靠性。另外,切忌两条印制信号线平行走线。如果平行走线无法避免,可通过以下方法来补救:
1)在两条信号线之间加一条地线,以起屏蔽作用;
2)尽量拉开两条平行信号线之间的距离,以降低两线之间电磁场的影响;
3)使两条平行的信号线流过的电流方向相反。布线间的电磁耦合是通过电场和磁场进行的,因此在布线时,应注意对电场与磁场耦合的抑制。对电场的抑制方法有:
1)尽量增大线间距离,使电容耦合为最小;
2)采用静电屏蔽,屏蔽层要接地;
3)降低敏感线路的输入阻抗。
对磁场的抑制方法有:
1)减小骚扰源和敏感电路的环路面积;
2)增大线间距离,使耦合骚扰源与敏感电路间的互感尽可能地小;
3)最好使骚扰源与敏感电路呈直角布线,以便大大降低线路间耦合。
另外,通过分析印制导线的特性阻抗,来选取印制导线的放置方式、长度、宽度以及布局方式。单根导线的特性阻抗由直流电阻R和自感L组成,印制线l越短,直流电阻R就越小;同时增加印制线的宽度和厚度也可降低直流电阻R。印制线长度l越短,自感L就越小,而且增加印制线的宽度b也可降低自感L。而多根印制线的特性阻抗除由直流电阻R和自感L组成外,还有互感M的影响,互感M除受印制线的长度和宽度影响外,印制线之间距离也起着重要的作用,增大两线的间距可减少互感。针对以上现象,在设计印制电路板时,应尽量降低电源线和地线的阻抗,因为电源线、地线和其它印制线都有电感,当电源电流变化较大时,将会产生较大的压降,而地线压降是形成公共阻抗干扰的重要因素,所以应尽量缩短地线,也可尽量加粗电源线和地线线条。在双面印制板设计中,除尽可能地加粗电源线和地线线条之外,还应在地线和电源线之间安装高频特性好的去耦电容。
4、结束语
要提高开关频率,提高开关电源产品的质量,电磁兼容性问题必须重点考虑。本文是在分析了干扰产生机理以及经过大量实践的基础上,提出的行之有效的抑制措施。产生开关电源电磁干扰的因素还很多,抑制电磁干扰还有大量的工作要做。在设计时,还要从消除骚扰源和受扰设备之间的耦合和辐射,切断电磁干扰的传播途径出发,使开关电源的电磁干扰降到最低点。
EMC电磁兼容设计培训套装,视频教程,让您系统学习EMC知识...
射频工程师养成培训教程套装,助您快速成为一名优秀射频工程师...
上一篇:运用凌力尔特Silent
Switcher?设计降低EMI并改善效率
下一篇:基于FFT时域扫描的EMI预认证测试接收机技术

