- 易迪拓培训,专注于微波、射频、天线设计工程师的培养
一种两相ZVT—PWMDC/DC变换器的分析与设计
1引言
近几年来,随着软开关技术在DC/DC变换器中的应用日趋成熟,变换器的工作频率提高了,磁性元件以及电容的体积减小了,变换器的功率密度也随之提高了。自80年代初美国VPEC(VirginiaPowerElectronicCenter)的李泽元教授提出了软开关技术的概念后,软开关技术在DC/DC变换器中的应用已分别经历了谐振开关阶段、准谐振阶段以及软开关PWM阶段。其中前两个阶段共有的两大缺陷是:
(1)谐振元件处于功率传输的主电路中,使得开关器件的电压、电流应力增大;
(2)输出电压与开关频率有关,必须采用调频控制,因此不利于输入、输出滤波器的设计。
零过渡PWM技术出现后,受到人们广泛的重视。零过渡PWM变换器的主要优点是:
(1)保留了PWM技术的优点,实现了恒频控制;
(2)谐振元件与主开关并联,不参与功率传输,因此使主开关的电压、电流应力大大减小了;
(3)与以往的软开关变换器相比,能实现零开关条件的电源电压、负载变化范围更宽。
文献1提出的两相ZVT(Zero睼oltage睺ransition)PWMDC/DC变换器是多相技术与零电压过渡PWM技术相结合的产物。由于使用了多相技术,减少了输出电流的纹波,相对地增大了输出功率。该电路的主开关是零电压开通的,主续流二极管是零电流关断的。
本文针对两相ZVT睵WMBuck变换器拓扑结构的特点和工作原理,推导了电压变换比、主开关零电压开通条件等公式,并给出了辅助谐振电路元件参数选取的依据。仿真和实验结果验证了推导的正确性和参数设计的可行性。
2新型两相ZVT睵WM变换器的拓扑结构及
工作原理
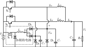
图1所示为此变换器的拓扑结构。对这种Buck型两相ZVT睵WM变换器而言,当一个主续流二极管导通时,辅助电路开始工作,为相应相的开关器件提供零电压开通条件。为了使辅助电路有高的工作效率,当辅助电路开始工作时,某一相的有源开关应该处于导通状态。换句话说,占空比D应大于05。否则,如图1中所示的辅助电路处理的功率约为D>05时的两倍,因而增大了辅助电路的损耗。因此,这种两相ZVT睵WM变换器适用于需要电压变换比高于05的场合。图2所示为该电路在D>05时的主要波形。鉴于以上原因,以下主要对D>05时的工作原理以及电路特性做详细的分析。
图1两相ZVT睵WMBuck变换器
D>05时,两相ZVT睵WMBuck变换器的工作原理如下:t0时刻,主开关S1关断,谐振电容C1以I01大小的电流放电,使谐振电容C1上的电压线性下降。t1时刻,主续流二极管D1两端电压vD1降到0,D1开始续流。t2~t3阶段,谐振电流线性上升阶段。t2时刻,辅助开关Sr开通,谐振电流iLr流经Dr1,并以Vs/Lr的斜率增大。t3时刻,iLr开始大于I01,主续流二极管D1断开,谐振电感Lr与谐振电容C1开始谐振。谐振电容C1两端的电压以正弦规律上升,直到上升到Vs,被主开关S1的反并联二极管钳位在Vs,为主开关S1创造零电压开通的条件。t4~t5恒流阶段,由于谐振电感Lr两端的电压被主开关S1的反并联二极管钳位为零,因此谐振电感Lr中的电流保持恒定。在此阶段中的任意时刻开通主开关即为零电压开通。但在辅助开关关断且谐振电感电流下降到I01之前,主开关中并没有电流流过。t5时刻,辅助开关关断,辅助回路续流二极管Dr导通,谐振电感电流开始下降,直到下降到负载电流I01时,主开关S1中才开始有电流流过。t6时刻,主开关S1的电流由零开始线性上升,谐振电感Lr中的电流继续线性下降,直到t7时刻下降到零。在t7~t8阶段,由主开关S1和S2同时为负载提供能量。
3电路主要特性
假设电路元件均为理想元件,且输出滤波电感LO1、LO2足够大,可近似看为恒流源。但在实际的电路中输出电流难免有纹波,这样IO就会有一部分电流被CO分流,因此设流过负载电阻RO的电流IRO=IO×p(0<p<1)。
31电压变换比
根据电感在稳态时的伏—秒平衡特性(VLdt=0),可推导出D>05时该变换器的电压变换比M为:
M=(1)
式中:F=fr/fs;
RO为负载电阻;
Zr=,为谐振特征阻抗;
ta*=ta·fr=ta/Tr。
其中:fr=1/Tr=1/2π;
fs=1/Ts为开关频率;
ta的含义如图2中所示。
当D≤05时,电压变换比可近似地用下式表示:(推导从略)
(2)
式中:Taux为辅助开关的导通时间。
32主开关零电压开通的条件
为了能使主开关在零电压条件下开通,谐振电容的电压需在主开关开通信号到来时上升到Vs,即辅助开关需提前主开关一定的时间导通,为主开关创造零电压开通条件。
TL≥Δt3+Δt4=(3)
图2D>05时的主要波形 [p]
式中:TL为辅助开关超前于主开关S1开通的时间,Δt3=t3-Δt2,Δt4=t4-t3(如图2所示)。
将其归一化,得
(4)
式中:为辅助开关提前于主开关开通时间的归一化临界值。
当D≤05时,使主开关零电压开通的条件是
TL≥(5)
将其归一化,得
(6)
4控制电路的实现
图3为该变换器控制电路的原理图。两相ZVT睵WMBuck变换器两个主开关的驱动信号相位相差180°,用两路幅值相等、相位相反的三角波正好可以实现这种关系。图3中的三角波发生器输出两路幅值相等相位相反的三角波1、2,它们分别与控制电压U*比较产生两个主开关的控制信号,再将1、2路三角波与U*+ΔU(ΔU用来产生辅助开关控制信号中超前主开关的部分TL)比较,经单稳电路和与门产生辅助开关的控制信号。
5参数设计![]()
由于;,所以对于该变换器而言,一旦选定了Zr、F,也就确定了谐振参数Lr、Cr(C1)。
对于该变换器的设计应以使M的可调范围尽可能地大;M的线性度尽可能地好;辅助开关的电流应力尽可能地小;开关器件的损耗尽可能地小为优化目标。
图3控制电路原理图
图4F、Zr对D睲曲线的影响(a)随F变化的D睲曲线(b)随Zr变化的D睲曲线
图5随F变化的D—TLmin曲线 [p]
图6根据仿真结果拟合成的Zr睩沧芩鸷那面
图7主开关C睧电压(上)与谐振电感电流(下)波形
图4所示为F、Zr对该变换器D睲曲线的影响(fs=35kHz)。其中图4(a)所示的一族曲线是一族自上而下F由小变大的D睲曲线。可见,F越大,M的可调范围越大。从这个角度考虑,F应适当地大。图4(b)是一族自上而下Zr由小变大的D睲曲线。可见,Zr越大,M的可调范围越大,同时Zr大于某个值后对M的线性度以及M的可调范围的影响就不是很明显了。同时从减小谐振电感电流峰值的角度出发,Zr也应适当地大。
图5为自上而下F由小变大时的一族D睺Lmin曲线。可以看出,F越大,为主开关提供零电压开关条件所需辅助开关超前主开关S1开通的时间也就越短,这样就允许占空比的可调范围更大。
根据实验样机的设计指标,做一系列仿真。所得的数据用Matlab拟合成的总损耗曲面如图6所示。
最后综合考虑上述优化指标,选择Zr=100,F=10(即Lr=455μH,Cr=455nF)为实验样机的谐振参数,将其工程化,得到实际的谐振参数为Lr=47μH,Cr=C1=C2=4.7nF。
6实验结果
根据前面的设计,完成了硬件电路的制作和调试。实验电路输入电压Vin=200V,工作频率fs=35kHz,将按照式(3)计算出的TL最小值留有一定裕量后作为实验样机的TL,TL=18μs,实际输出电压Vout=159V,负载电流IRo=616A,输出功率Pout≈980W,电路工作稳定。实验电路的主要波形如图7所示。
由图7中可以看出,谐振电感电流约1μs左右上升到最大值,并保持了一段时间,这说明主开关是零电压开通的,同时也说明根据推导出的主开关零电压开通条件选取的TL是正确的。
7结语
本文介绍了一种更适合于大功率场合的新型两相零过渡PWM变换器,推导了电压变换比的解析表达式,推导了实现零电压开关的条件,并设计了该变换器的控制电路,利用仿真合理地选择电路参数后,通过实验结果证明了推导的正确性和参数选择的可行性。
射频工程师养成培训教程套装,助您快速成为一名优秀射频工程师...

