- 易迪拓培训,专注于微波、射频、天线设计工程师的培养
工程师常用产品工作原理详解
逆变器原理
逆变器,必须是一种逆变装置组成的东西才能那么叫,他和变压器有直接区别,也就是说,他可以实现直流输入,然后输出交流,工作原理和开关电源一样,但震荡频率在一定范围内,比如如果这个频率为50HZ,输出则为交流50HZ。逆变器是可以改变其频率的设备。
逆变器,必须是一种逆变装置组成的东西才能那么叫,他和变压器有直接区别,也就是说,他可以实现直流输入,然后输出交流,工作原理和开关电源一样,但震荡频率在一定范围内,比如如果这个频率为50HZ,输出则为交流50HZ。逆变器是可以改变其频率的设备。
变压器一般是指特定频率段的设备,比如工频变压器,就是我们一般见到的那些变压器,他们输入和输出都必须在一定范围内,比如40-60HZ范围内才可以工作。
下面回答你的问题
1.他是一种逆变设备,他工作原理类似开关电源,当然你也可以想象是一个变压设备,按照科学的说他的工作原理是通过一个震荡芯片,或者特定的电路,控制着震荡信号输出,比如输出50HZ信号,然后这个信号通过放大,推动MOS管[场效应管或晶体闸管]不断开关,这样直流电输入之后,经过这个MOS管的开关动作,就形成一定的交流特性,经过修正电路修正,就可以得到类似电网上的那种正弦波交流,然后送入一个变压器,这个变压器就是工频变压器,他是220V to 24V的变压器,即输入220V的话输出就是24V,输入24V输出则为220V,其实就是一般的24V变压器。
然后变压器输出,输出后再送到稳压电路,保护电路,送给负载使用另外说明一点,我们就当这个逆变器是一个变压器看,,变压器不是说谁电流大怎样,变压器看的是容量,即伏特安培[伏特和安培的乘积,电压和电流的乘积],比如220V 5A输入的变压器,如果我们不考虑损耗,则可以输出24V xA:
220*5=24*x,所以,左边和右边的乘积是一样的,但实际应用中应当算进损耗,所以输入需要略大于输出。
所以,变压器两侧的功率[瓦]或说容量[伏安]值应当是接近一样的。不是你说的那样。
2.通常车上的逆变器所获得的220V电,是220V 50HZ,高档点的是正弦波的,便宜的一般是方波的。
正弦波的那种和接插座上用的电,是一样的,而方波的其实也可以用,只不过如果用风扇等有电机的设备,会有一些噪音,之所以用方波,就是因为这种调制方式成本比较低。
一般,车载的这个逆变器,功率最大不过500瓦,空调一般都700多瓦,而且了,你真的那么想把家用空调装车上???汽车里的空调,包括那些大客车,都是让引擎直接驱动压缩机的,不是用电的,如果中间多一个电的转换过程,损耗就更大了。而且也不好装,还不如用汽车空调。
接笔记本,,电视,碟机之类的东西,只要在他的额定功率下使用,都没问题但是需要注意他是接在汽车蓄电池上的,虽然他一般都是11V就自动保护断电,避免电压过低导致车无法启动,但是还是不适宜在引擎不运转的情况下用,,所以如果用负载比较大,还是建议启动引擎。如果是给手机充电道没什么问题。
3.电动车上,有一个叫DC-DC的模块,他也叫直流转换器,这个模块输入48V,输出12V,那么你只要购买一个12V输入的车载逆变器就可以使用当然若你能买到48V输入的逆变器更好,但估计很难买到而且,这个模块一般只能提供5A电流,最多不过10A,而且车灯什么的也要用,所以很容易过载,建议,如果可以,多买一个直流转换器,这个转换器专门给你那逆变器供电,然后如果直流转换器只能提供5A,那么逆变器输入就应当小于5A,否则可能会损坏那模块,当然有一些直流转换器电流是很大的,如果修车的地方没有,可以到一些电器店或叫他们修理的给你进一个大电流的,或者多个直流转换器并联也可以总之,不要让他过载就可以如果你能买到48V输入的逆变器,那么直接并联到电池上如果你不想用直流转换器,又不是48V的,那么,你可以考虑比如你的是24V的,那么选2个临近的蓄电池,接在上边就是24V了,,你可以装一个开关控制。
但这样装有一个缺点,这两个电池电压会低于其他两个,这样可能导致放电不平衡,导致车走不远,而且可能损坏电池。
正弦波逆变器原理图

这里我们将详细介绍这个逆变器的工作原理。
方波信号发生器(见图3)

图3
这里采用六反相器CD4069构成方波信号发生器。电路中R1是补偿电阻,用于改善由于电源电压的变化而引起的振荡频率不稳。电路的振荡是通过电容C1充放电完成的。其振荡频率为f=1/2.2RC。图示电路的最大频率为:fmax=1/2.2×3.3×103×2.2×10-6=62.6Hz;最小频率fmin=1/2.2×4.3×103×2.2×10-6=48.0Hz。由于元件的误差,实际值会略有差异。其它多余的反相器,输入端接地避免影响其它电路。
场效应管驱动电路。

图4
由于方波信号发生器输出的振荡信号电压最大振幅为0~5V,为充分驱动电源开关电路,这里用TR1、TR2将振荡信号电压放大至0~12V。如图4所示。
MOS场效应管电源开关电路。
这是该装置的核心,在介绍该部分工作原理之前,先简单解释一下MOS 场效应管的工作原理。

图5
[p]
MOS 场效应管也被称为MOS FET,既Metal Oxide Semiconductor Field Effect Transistor(金属氧化物半导体场效应管)的缩写。它一般有耗尽型和增强型两种。本文使用的为增强型MOS 场效应管,其内部结构见图5。它可分为NPN型PNP型。NPN型通常称为N沟道型,PNP型也叫P沟道型。由图可看出,对于N沟道的场效应管其源极和漏极接在N型半导体上,同样对于P沟道的场效应管其源极和漏极则接在P型半导体上。我们知道一般三极管是由输入的电流控制输出的电流。但对于场效应管,其输出电流是由输入的电压(或称电场)控制,可以认为输入电流极小或没有输入电流,这使得该器件有很高的输入阻抗,同时这也是我们称之为场效应管的原因。

图6
为解释MOS 场效应管的工作原理,我们先了解一下仅含有一个P—N结的二极管的工作过程。如图6所示,我们知道在二极管加上正向电压(P端接正极,N端接负极)时,二极管导通,其PN结有电流通过。这是因为在P型半导体端为正电压时,N型半导体内的负电子被吸引而涌向加有正电压的P型半导体端,而P型半导体端内的正电子则朝N型半导体端运动,从而形成导通电流。同理,当二极管加上反向电压(P端接负极,N端接正极)时,这时在P型半导体端为负电压,正电子被聚集在P型半导体端,负电子则聚集在N型半导体端,电子不移动,其PN结没有电流通过,二极管截止。

图7a 图7b
对于场效应管(见图7),在栅极没有电压时,由前面分析可知,在源极与漏极之间不会有电流流过,此时场效应管处与截止状态(图7a)。当有一个正电压加在N沟道的MOS 场效应管栅极上时,由于电场的作用,此时N型半导体的源极和漏极的负电子被吸引出来而涌向栅极,但由于氧化膜的阻挡,使得电子聚集在两个N沟道之间的P型半导体中(见图7b),从而形成电流,使源极和漏极之间导通。我们也可以想像为两个N型半导体之间为一条沟,栅极电压的建立相当于为它们之间搭了一座桥梁,该桥的大小由栅压的大小决定。图8给出了P沟道的MOS 场效应管的工作过程,其工作原理类似这里不再重复。

图8
下面简述一下用C-MOS场效应管(增强型MOS 场效应管)组成的应用电路的工作过程(见图9)。电路将一个增强型P沟道MOS场效应管和一个增强型N沟道MOS场效应管组合在一起使用。当输入端为低电平时,P沟道MOS场效应管导通,输出端与电源正极接通。当输入端为高电平时,N沟道MOS场效应管导通,输出端与电源地接通。在该电路中,P沟道MOS场效应管和N沟道MOS场效应管总是在相反的状态下工作,其相位输入端和输出端相反。通过这种工作方式我们可以获得较大的电流输出。同时由于漏电流的影响,使得栅压在还没有到0V,通常在栅极电压小于1到2V时,MOS场效应管既被关断。不同场效应管其关断电压略有不同。也正因为如此,使得该电路不会因为两管同时导通而造成电源短路。

图9
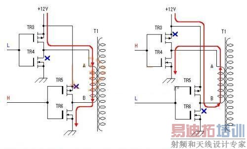
由以上分析我们可以画出原理图中MOS场效应管电路部分的工作过程(见图10)。工作原理同前所述。这种低电压、大电流、频率为50Hz的交变信号通过变压器的低压绕组时,会在变压器的高压侧感应出高压交流电压,完成直流到交流的转换。这里需要注意的是,在某些情况下,如振荡部分停止工作时,变压器的低压侧有时会有很大的电流通过,所以该电路的保险丝不能省略或短接。

射频工程师养成培训教程套装,助您快速成为一名优秀射频工程师...

