- 易迪拓培训,专注于微波、射频、天线设计工程师的培养
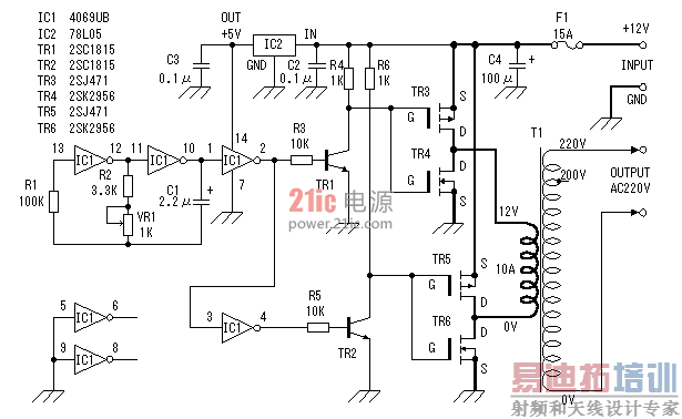
采用普通电源变压器的MOS场效应管逆变器
录入:edatop.com 点击:
<[p]
>逆变器主要由MOS场效应管,普通电源变压器构成。其输出功率取决于MOS场效应管和电源变压器的功率,免除了烦琐的变压器绕制,适合电子爱好者业余制作中采用。[p]
><[p]
>这里介绍的逆变器主要由MOS场效应管,普通电源变压器构成。其输出功率取决于MOS场效应管和电源变压器的功率,免除了烦琐的变压器绕制,适合电子爱好者业余制作中采用。下面介绍该变压器的工作原理及制作过程。[p]
><[p]
>&nbs[p]
;[p]
>
<[p]
style="text-align: center;">工作原理[p]
><[p]
>这里我们将详细介绍这个逆变器的工作原理。[p]
><[p]
>一、方波的产生[p]
><[p]
>这里采用CD4069构成方波信号发生器。电路中R1是补偿电阻,用于改善由于电源电压的变化而引起的震荡频率不稳。电路的震荡是通过电容C1充放电完成的。其振荡频率为f=1/2.2RC。图示电路的最大频率为:fmax=1/2.2x103x2.2x10—6=62.6Hz,最小频率为fmin=1/2.2x4.3x103x2.2x10—6=48.0Hz。由于元件的误差,实际值会略有差异。其它多余的发相器,输入端接地避免影响其它电路。[p]
><[p]
>&nbs[p]
;[p]
>
<[p]
style="text-align: center;">图2[p]
><[p]
>二、 场效应管驱动电路。[p]
><[p]
>由于方波信号发生器输出的振荡信号电压最大振幅为0~5V,为充分驱动电源开关电路,这里用TR1、TR2将振荡信号电压放大至0~12V。如图3所示。[p]
><[p]
>&nbs[p]
;[p]
>
<[p]
style="text-align: center;">图3[p]
><[p]
>三、 场效应管电源开关电路。[p]
><[p]
>场效应管是该装置的核心,在介绍该部分工作原理之前,先简单解释一下MOS场效应管的工作原理。[p]
><[p]
>MOS场效应管也被称为MOS FET,即Metal Oxide Semiconductor Field Effect Transistor(金属氧化物半导体场效应管)的缩写。它一般有耗尽型和增强型两种。本文使用的是增强型MOS场效应管,其内部结构见图4。它可分为N[p]
N型和[p]
N[p]
型。N[p]
N型通常称为N沟道型,[p]
N[p]
型通常称[p]
沟道型。由图可看出,对于N沟道型的场效应管其源极和漏极接在N型半导体上,同样对于[p]
沟道的场效应管其源极和漏极则接在[p]
型半导体上。我们知道一般三极管是由输入的电流控制输出的电流。但对于场效应管,其输出电流是由输入的电压(或称场电压)控制,可以认为输入电流极小或没有输入电流,这使得该器件有很高的输入阻抗,同时这也是我们称之为场效应管的原因。[p]
><[p]
>&nbs[p]
;[p]
>
<[p]
style="text-align: center;">图4[p]
><[p]
>为解释MOS场效应管的工作原理,我们先了解一下仅含一个[p]
—N结的二极管的工作过程。如图5所示,我们知道在二极管加上正向电压([p]
端接正极,N端接负极)时,二极管导通,其[p]
N结有电流通过。这是因在[p]
型半导体端为正电压时,N型半导体内的负电子被吸引而涌向加有正电压的[p]
型半导体端,而[p]
型半导体端内的正电子则朝N型半导体端运动,从而形成导通电流。同理,当二极管加上反向电压([p]
端接负极,N端接正极时,这时在[p]
型半导体端为负电压,正电子被聚集在[p]
型半导体端,负电子则聚集在N型半导体端,电子不移动,其[p]
N结没有电流流过,二极管截止。[p]
><[p]
>对于场效应管,在栅极没有电压时,有前面的分析可知,在源极与漏极之间不会有电流流过,此时场效应管处于截止状态。当有一个正电压加在N沟道的MOS场效应管栅极上时,由于电场的作用,此时N型半导体的源极和漏极的负电子被吸引出来而涌向栅极,但由于氧化膜的阻挡,使得电子聚集在两个N沟道之间的[p]
型半导体中,从而形成电流,使源极和漏极之间导通。我们也可以想象为两个N型半导体之间为一条沟,栅极电压的建立相当于为他们之间搭了一座桥梁,该桥梁的大小由栅压决定。[p]
><[p]
>下面简述一下用C—MOS场效应管(增强型MOS场效应管)组成的应用电路的工作过程。电路将一个增强型[p]
沟道MOS场校官和一个增强型N沟道MOS场效应管组合在一起使用。当输入端为底电平时,[p]
沟道MOS场效应管导通,输出端与电源正极接通。当输入端为高电平时,N沟道MOS场效应管导通,输出端与电源地接通。在该电路中,[p]
沟道MOS场效应管和N沟道场效应管总是在相反的状态下工作,其相位输入端和输出端相反。通过这种工作方式我们可以获得较大的电流输出。同时由于漏电流的影响,使得栅压在还没有到0V,通常在栅极电压小于1V到2V时,MOS场效应管即被关断。不同场效应管关断电压略有不同。也以为如此,使得该电路不会因为两管同时导通而造成电源短路。 [[p]
]
[p]
><[p]
>电路板见图5。所用元件可参考图6。逆变器的变压器采用次级为12V、电流为10A、初级电压为220V的成品电源变压器。[p]
沟道MOS场效应管(2SJ471)最大漏极电流为30A,在场效应管导通时,漏—源极间电阻为25毫欧。此时如果通过10A电流时会有2.5W的功率消耗。N沟道MOS场效应管(2SK2956)最大漏极电流为50A,场效应管导通时,漏—源极间电阻为7毫欧,此时如果通过10A电流时消耗的功率为0.7W。由此我们也可知在同样的工作电流情况下,2SJ471的发热量约为2SK2956的4倍。所以在考虑散热器时应注意这点。图7展示本文介绍的逆变器场效应管在散热器(100mm×100mm×17mm)上的位置分布和接法。尽管场效应管工作于开关状态时发热量不会很大,出于安全考虑这里选用的散热器稍偏大。[p]
><[p]
>&nbs[p]
;[p]
>
<[p]
style="text-align: center;">图 5[p]
><[p]
>&nbs[p]
;[p]
>
<[p]
style="text-align: center;">图6[p]
><[p]
>&nbs[p]
;[p]
>
<[p]
style="text-align: center;">图 7[p]
><[p]
>&nbs[p]
;[p]
>
<[p]
style="text-align: center;">图8[p]
><[p]
>四、逆变器的性能测试[p]
><[p]
>这里测试用的输入电源采用内阻低、放电电流大(一般大于100A)的12V汽车电瓶,可为电路提供充足的输入功率。测试用负载为普通的电灯泡。测试的方法是通过改变负载大小,并测量此时的输入电流、电压以及输出电压。其测试结果见电压、电流曲线关系图(图15a)。可以看出,输出电压随负荷的增大而下降,灯泡的消耗功率随电压变化而改变。我们也可以通过计算找出输出电压和功率的关系。但实际上由于电灯泡的电阻会随受加在两端电压变化而改变,并且输出电压、电流也不是正弦波,所以这种的计算只能看作是估算。以负载为60W的电灯泡为例:[p]
><[p]
>假设灯泡的电阻不随电压变化而改变。因为R灯=V2/W=2102/60=735Ω,所以在电压为208V时,W=V2/R=2082/735=58.9W。由此可折算出电压和功率的关系。通过测试,我们发现当输出功率约为100W时,输入电流为10A。此时输出电压为200V。逆变器电源效率特性见图15b。图16为逆变器连续100W负载时,场效应管的温升曲线图。图17为不同负载时输出波形图,供大家制作是参考。[p]
>







射频工程师养成培训教程套装,助您快速成为一名优秀射频工程师...
射频和天线工程师培训课程详情>>

