- 易迪拓培训,专注于微波、射频、天线设计工程师的培养
新人问个画封装的问题
录入:edatop.com 点击:
请问个画封装的问题
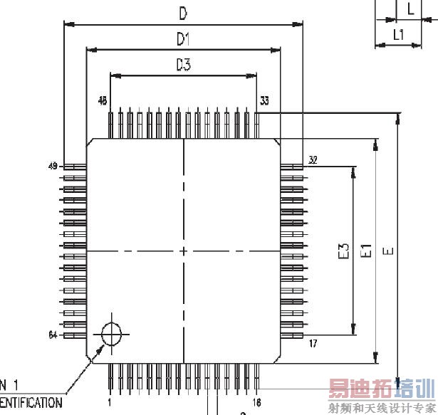
除了引脚间距e必须标准,
外框丝印D1,E1我用平均值
带引脚总长D,E我用最大值
这样可以吗?
另外比如引脚最大值长12,宽7mil
画焊片取多少值呢?
新人问问题,谢谢各位帮忙

除了引脚间距e必须标准,
外框丝印D1,E1我用平均值
带引脚总长D,E我用最大值
这样可以吗?
另外比如引脚最大值长12,宽7mil
画焊片取多少值呢?
新人问问题,谢谢各位帮忙

焊片长短不一定的
焊片中心都是以引脚间距为标准的,再看你的元件焊有多长,一般焊片长80mil左右。
其实做库还是有一定讲究的.
做完库后,可以把图打出来和实物比较一下.
当然打印过几次后,应该就不需要了.
这个IC的封装好画
这个IC的封装好画,用新建向导就可以做成了
附图不完整
意思是指:可以参考的标识,都没有
做好了打印出来比比最实在
回ic921
与焊片接触的引脚长度L只给了最小值
有没有用其他参数确定焊片长度的最佳公式?
还有不用向导画得话,最难确定焊片与丝印边距
看到
看到有本书上写着焊片长度是引脚接触长度加48mil
宽度看间距大于小于26mil有公式
谁能帮忙发一下这个完整的
射频工程师养成培训教程套装,助您快速成为一名优秀射频工程师...
射频和天线工程师培训课程详情>>

