- 易迪拓培训,专注于微波、射频、天线设计工程师的培养
有源箝位ZVS睵WM控制串联谐振变换器中提高同步整流效率的研究
摘要:最近,对带有同步整流电路的有源箝位ZVS-PWM控制串联谐振变换器的研究和应用不断取得进展。不过,当输入电压偏离特定值时,其效率会严重下降。通过对其各种工作模态转换的分析,阐明了效率下降的原因。为解决这种效率下降,使用了带有分立电感和耦合电感的倍流型同步整流电路模型,并分析了其稳态特性。通过实验,比较了中心抽头型和耦合电感型效率变化曲线。最后,通过分析和比较,得出结论。提出了一个整流电路,在较大输入电压范围内和低输出电压,大输出电流的负载条件(3.3V,5A)下获得了85%的较高效率。
关键词:有源箝位;串联谐振;同步整流EfficiencyImprovementofSynchronousRectifierina
ZVS睵WMControlledSeries睷esonantConverterwithActiveClamp
1引言
开关变换器在很多电子和通信设备的电源中得到广泛应用。近来,低输出电压和大输出电流的负载条件对开关变换器提出了新的要求。为了满足这些要求,很多类型的谐振变换器已被提出和利用。然而,这些变换器的输出电压通常由开关调制频率所控制。因此,这导致了诸如最小开关频率限制了输出滤波电容减小等问题。为了消除这些限制,一种新颖的带有源箝位电路ZVS-PWM控制的电流模式谐振变换器被提了出来[1,2]。这种变换器工作在一个固定的开关频率,其输出电压通过主开关管的PWM控制信号来调节。其稳态特性和ZVS条件在相关文献中有详细的讨论[3~5]。但是,这种变换器在特定的输入电压下有较高的效率,当输入电压偏离特定值时,效率会严重下降。
本文通过对这种变换器的各个工作模态转换的分析,说明了其效率下降的原因。通过分析可以说明,当输入电压偏离特定值时,发生了环流现象,导致了能量的回馈,效率下降。为解决这种问题,使用了一种倍流型同步整流电路,它带有分离电感或耦合电感两种方案。这种整流电路在较大输入电压范围和低输出电压、大输出电流的情况下获得了85%的效率。
2带中心抽头同步整流ZVS睵WM控制的串
联谐振变换器
带中心抽头同步整流ZVS睵WM控制的串联谐

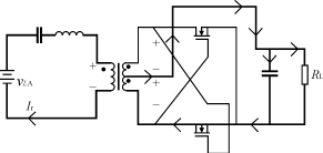
图1具有中心抽头同步整流电路的有源箝位ZVS睵WM控制串联谐振变换器

图2图1所示变换器的关键波形
有源箝位ZVS睵WM控制串联谐振变换器中提高同步整流效率的研究
振变换器的电路拓扑如图1所示,其重要参量的波形见图2。电路设计参数值见表1。
表1变换器参数值Vin48V
CA1μF
LA73μH
S1,S2IRF540
Lr23.76μH
Cr33.4μF
谐振频率(1/2π)(LrCr)-1/2178kHz
开关频率fs200kHz
匝比n13
S3,S4MTP13N50/
Co220μF
图2中,有源箝位电路和主开关管产生方波电压,其幅度随主开关管的占空比变化。这一幅度调制输入电压被加在由Lr和Cr组成的串联谐振电路上。开关频率被选在稍高于谐振频率处。由于串联谐振电路有一很高的品质因数,所以,电流的基波部分通过谐振支路,而谐波部分会被大大抑制。这样,基波部分通过变压器被输出电路整流和滤波。开关管S1和S2在留有一定的死区时间后交替导通。在死区时间内,S1和S2的寄生电容通过谐振电流Ir和电感LA磁化电流被充电和放电而实现ZVS工作。
如果以D表示主开关管S1的占空比,把输出级和负载电阻RL看作一等效AC电阻RAC=8RL/π,输出电压Vo为Vo=(1)
式中:Zr=(nRAC+Rr)2+[ωsLr-1/(ωsCr)]2
ωs=2πfs;(2)
Rr是串联谐振支路中的寄生串联电阻。
在此变换器中,最大效率88.6%是在输入电压为48V的时候获得的。然而,当输入电压偏离48V的时候,效率会严重下降。
3效率下降原因分析
31变换器的工作状态
图3给出了变换器所有可能的工作模态。表2给出了在一个开关周期里的所有可能的工作模式和每一模式中模态转换次序。在图3中,模态1和模态3表示能流从输入端传送到输出端。模态2和模态4对应于在模态1和模态3之间的过渡状态。模态5和模态6表示能流从输出电容反馈到输入端。这种能流回馈状态是同步整流所特有的。在二极管整流电路中,只有能流前馈,即能量从输入端流到输出边的状态,而没有能流回馈状态,即能量从输出端回流到输入端。然而,在用MOSFET作同步整流的电路中,当栅源电压vgs大于阈值时,MOSFET会一直保持开通。因此,图3中模态5及模态6能量回馈的现象出现了。环流增加了能量损耗,导致效率的下降。产生环流的波形如图4所示。
32占空比D的范围
能流回馈现象依赖于主开关管的占空比。于是,抑制能流回馈现象出现的合适占空比即是在模式Ⅱ中,必须在模态5出现之前直接从模态3到模态4。据这一条件,则模态3必须在1/(2fr)内完成,即必须在一半谐振周期内完成模态3。fr由Lr,Cr决定,若开关周期由Ts表示,则这一关系由下式表示

(a)模态1 [p]

(b)模态2

(c)模态3

(d)模态4

(e)模态5
图4产生环流的波形(Vin=60V)

(f)模态6

模态6的出现。因此有
(1-D)Ts1/(2fr)(4)
考虑到Ts=1/fs,则式(3)和式(4)决定了占空比D的范围
[1-fs/(2fr)]窪竑s/(2fr)(5)
从式(5)中可以看出,扩大占空比范围的最简单方式是增大开关频率fs。然而,当开关频率fs偏离谐振频率太大时,则输出电压会按式(1)和式(2)的规律下降。如用表1中的数值,则占空比的范围计算结果是
0.44窪0.56(6)
对于由式(6)所给的占空比,变换器能恰好工作于没有能量环流的状态。然而,当输入电压变化范围和负载范围变化更大时,为了调节输出电压,必须要扩大占空比的范围。为避免在扩大占空比的范围时导致效率的急剧下降,则必须采取新的方法来克服这种情况。
表2变换器工作模式模式模态转换次序条件
Ⅰ1-2-3-5-1D=0.4(Vin=60V)
Ⅱ1-2-3-4-1D=0.5(Vin=48V)
Ⅲ1-6-3-4-1D=0.6(Vin=40V)
4提高效率的两种方案
41倍流型整流电路
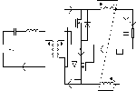
为避免效率下降,我们使用了一种倍流[6]同步整流电路的ZVS睵WM控制串联谐振变换器,如图5所示。这种变换器的工作模态见图6。其仿真参数值与表1给出的基本相同,两个电感LO1和LO2仿真参数是7μH。变换器的模态转换顺序总是1-2-3-4。在这种整流电路中,能流回馈现象不再存在。因而,效率下降的原因被消除了。其工作模态简要介绍如下:
1)模态1这一模态表示了从S4到S3换流的过
图3图1所示变换器的工作模态

图5具有倍流同步整流电路的ZVS睵WM控制串联谐振变换器
程。当输入电压反向时,谐振电流下降幅度很大。谐振电流耦合到变压器副边,其值将小于输出电感电流值iLO2,开关管S3的体二极管导通;变压器电压变为零,S4关断。然而,S4的体二极管却是开通的,这样,谐振电流继续减少,自然,对于在变压器电压变为零之前的电流来说,则是反方向增加。当这一电流增加到比输出电感电流iLO1还大时,S4的体二极管关断。这一模态变化到下一模态。
2)模态2在这一时间段,开关管S4关断,S3由于变压器电压保持导通。这样,输出电感iLO1通过谐振电流充电。这是能流从输入端传到输出端的过程。
3)模态3这一模态和模态1对称。这时开关管S3换向到S4。 [p] 4)模态4同样,这一模态和模态2对称。S4保持开通,输出电感iLO2被谐振电流充电。这也是能流从输入端传到输出端的过程。
在这一方案中,模态1和模态3是由于存在由Lr,Cr组成的谐振电路的存在而出现的。同步整流MOSFET在诸如模态1和模态3这样的死区间隔内工作。因此,S3和S4的ZVS实现了。如果没有这一串联谐振电路,将不会出现模态1和模态3;那么,由于在模态2和模态4之间转换时间短且转换电压电流幅度大,将会由于存在寄生参数而造成很大的开关噪声。
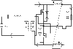
42带耦合电感倍流型整流电路
在图5所示变换器中,其输出电感是独立的。为了减少磁芯的数目,如果让这两个电感耦合到一起,如图7所示,则其工作模态分析如图8所示。参数值和工作模态转换顺序和前面分析相似。在这种整流电路中,能量回馈现象不再出现。同样,效率下降的原因也被消除了。
经过实验和对输出电流和输入电压各个采样点的分析,计算出的效率曲线比较图如图9所示。从中心抽头型,倍流带独立输出电感型和倍流带偶合输出电感型三种电路的效率特性比较中可以看出:通过倍流整流技术,在轻载条件下,效率得到了提高,如图9(a)所示。另外用倍流型电路后,当输入电压偏离48V时,对效率提高有了很大的作用,在负载为3.3V和5A,且输入电压在从40V到60V这一大范围内变化时,仍获得了高于85%的效率,如图9(b)所示。
5结语
电流谐振工作模式被认为对开关变换器的高效率设计非常有效。然而,在中心抽头型同步整流电路
图6图5中所示变换器的工作模态

(a)模态1

(b)模态2

(c)模态3

(d)模态4

图7具有带耦合电感的倍流同步整流电路的ZVS睵WM控制串联谐振变换器

(a)模态1

(b)模态2
(c)模态3
(d)模态4
图8图7中所示变换器的工作模态


中,当输入电压偏离特定值时,效率会下降。同时也说明了效率下降的原因是能量回馈给输入端所致。为解决此问题,倍流型同步整流电路被提出用于ZVS-PWM串联谐振变换器,从而使效率下降的原因被消除,在负载为3.3V和5A,且输入电压在从40V到60V这一范围内变化时,得到了85%的效率。
射频工程师养成培训教程套装,助您快速成为一名优秀射频工程师...

